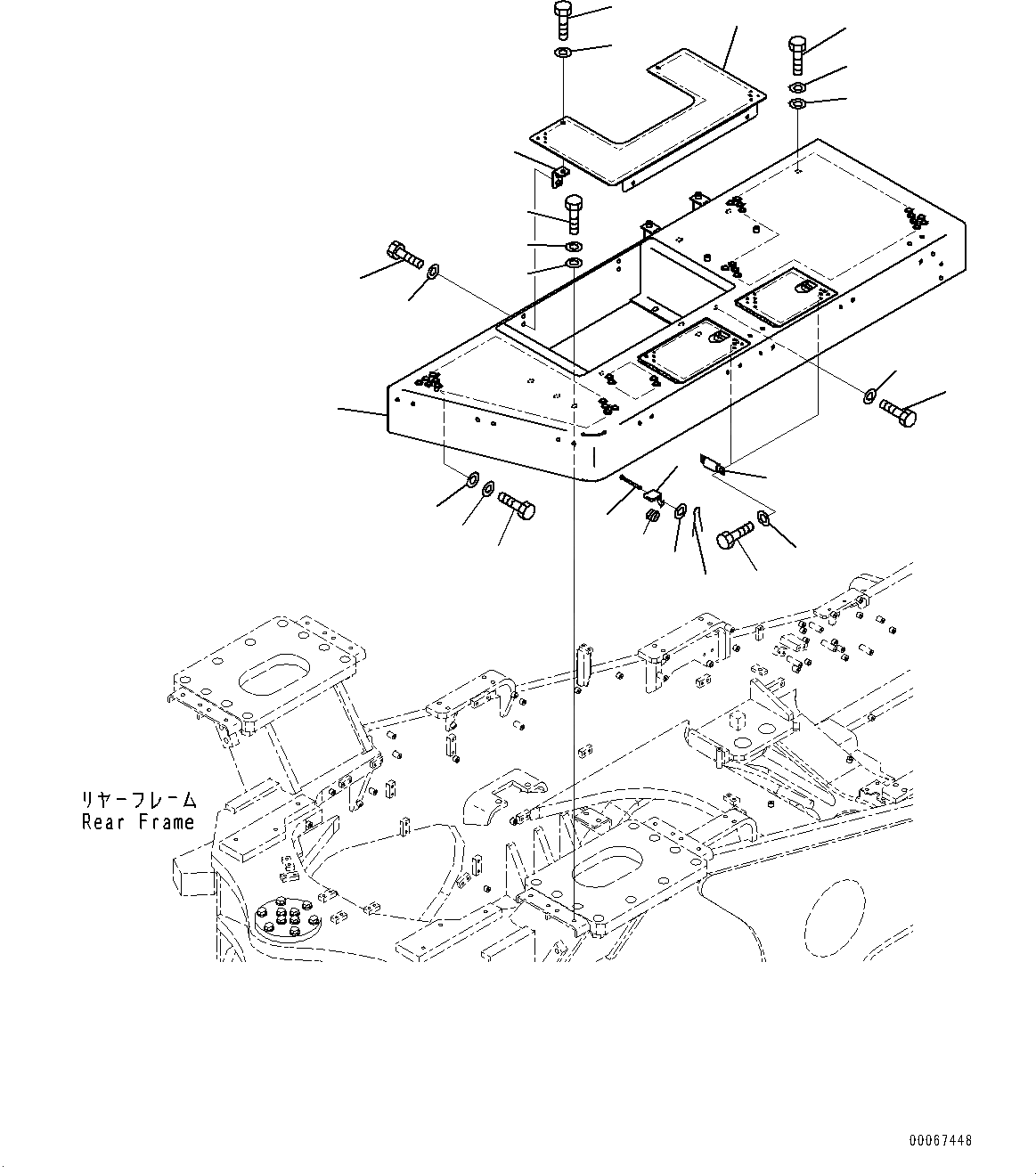
Запчасти Komatsu WA900-3E0 ЗАДН. КРЫЛО И ЛЕСТНИЦА, ОСНОВН. КОНСТРУКЦИЯ, ЛЕВ. (№9-) ЗАДН. КРЫЛО И ЛЕСТНИЦА

Схема запчастей Komatsu WA900-3E0 - ЗАДН. КРЫЛО И ЛЕСТНИЦА, ОСНОВН. КОНСТРУКЦИЯ, ЛЕВ. (№9-) ЗАДН. КРЫЛО И ЛЕСТНИЦА
1
16
17
18
19
20
21
22
2
3
4
5
6
7
8
9
10
12
11
15
14
13
22
22
11
12
FIT
1:1
100%

Артикул

Название

Примечание

Количество

1

427-54-28732

Floor,L.H.

SN: 60095-UP

1шт.

|$1

427-54-32330

Hinge

SN: 60095-UP

2шт.

2

415-54-11610

Latch

SN: 60095-UP

2шт.

3

415-54-11620

Spring

SN: 60095-UP

2шт.

4

415-54-11630

Pin

SN: 60095-UP

2шт.

5

01643-30623

Washer

SN: 60095-UP

2шт.

6

04050-12015

Pin, Cotter

SN: 60095-UP

2шт.

7

415-54-11640

Plate

SN: 60095-UP

2шт.

8

01010-D1225

Bolt

SN: 60095-UP

4шт.

9

01643-71232

Washer

SN: 60095-UP

4шт.

10

427-Z89-7160

Cover

SN: 60095-UP

1шт.

11

01010-D1230

Bolt

SN: 60095-UP

4шт.

12

01643-71232

Washer

SN: 60095-UP

4шт.

13

427-54-26840

Plate

SN: 60095-UP

2шт.

14

01010-D1230

Bolt

SN: 60095-UP

4шт.

15

01643-71232

Washer

SN: 60095-UP

4шт.

16

01010-81250

Bolt

SN: 60095-UP

2шт.

17

01643-31232

Washer

SN: 60095-UP

2шт.

18

01010-81240

Bolt

SN: 60095-UP

6шт.

19

01643-31232

Washer

SN: 60095-UP

6шт.

20

01010-81240

Bolt

SN: 60095-UP

3шт.

21

01643-31232

Washer

SN: 60095-UP

3шт.

22

124-54-26540

Washer

SN: 60095-UP

11шт.

Выбрано товаров: 23