Запчасти Komatsu WA900-3E0 ЗАДН. КРЫЛО И ЛЕСТНИЦА, ОСНОВН. КОНСТРУКЦИЯ, ПРАВ. (№9-) ЗАДН. КРЫЛО И ЛЕСТНИЦА

Схема запчастей Komatsu WA900-3E0 - ЗАДН. КРЫЛО И ЛЕСТНИЦА, ОСНОВН. КОНСТРУКЦИЯ, ПРАВ. (№9-) ЗАДН. КРЫЛО И ЛЕСТНИЦА
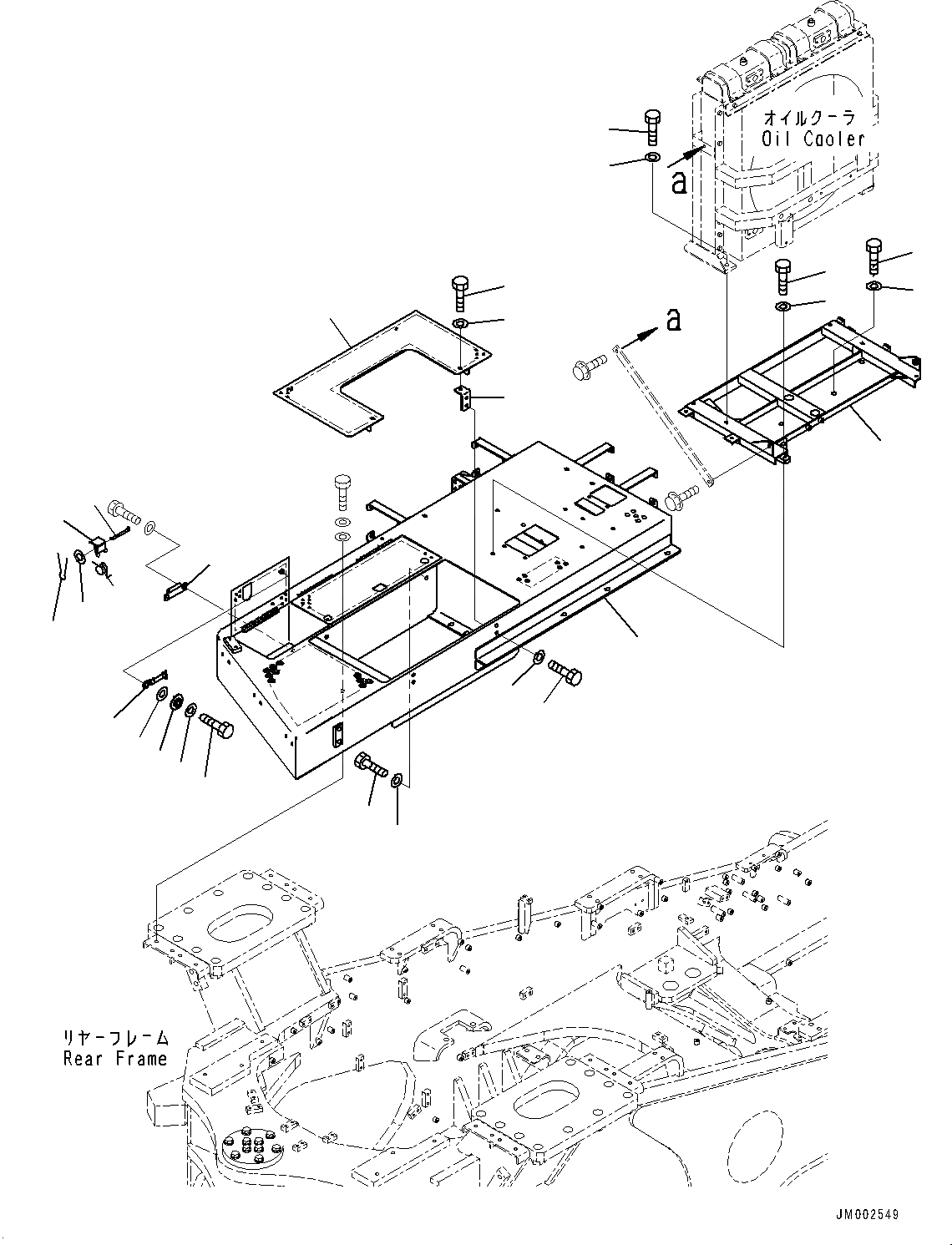
20
21
22
24
25
19
23
14
15
16
18
17
15
14
13
11
10
9
8
7
1
12
2
5
6
4
3
FIT
1:1
100%

Артикул

Название

Примечание

Количество

1

427-54-28742

Floor,R.H.

SN: 60095-UP

1шт.

|$1

427-54-32330

Hinge

SN: 60095-UP

3шт.

2

426-54-42271

Band

SN: 60095-UP

1шт.

3

01010-81025

Bolt

SN: 60095-UP

1шт.

4

01643-31032

Washer

SN: 60095-UP

1шт.

5

424-09-12650

Washer

SN: 60095-UP

1шт.

6

103-54-21160

Collar

SN: 60095-UP

1шт.

7

415-54-11610

Latch

SN: 60095-UP

1шт.

8

415-54-11620

Spring

SN: 60095-UP

1шт.

9

415-54-11630

Pin

SN: 60095-UP

1шт.

10

01643-30623

Washer

SN: 60095-UP

1шт.

11

04050-12015

Pin, Cotter

SN: 60095-UP

1шт.

12

415-54-11640

Plate

SN: 60095-UP

1шт.

13

427-Z89-7160

Cover

SN: 60095-UP

1шт.

14

01010-D1230

Bolt

SN: 60095-UP

4шт.

15

01643-71232

Washer

SN: 60095-UP

4шт.

16

427-54-26840

Plate

SN: 60095-UP

2шт.

17

01010-D1230

Bolt

SN: 60095-UP

4шт.

18

01643-71232

Washer

SN: 60095-UP

4шт.

19

427-54-31290

Bracket

SN: 60095-UP

1шт.

20

01010-81845

Bolt

SN: 60095-UP

6шт.

21

01643-31845

Washer

SN: 60095-UP

6шт.

22

01010-81435

Bolt

SN: 60095-UP

2шт.

23

01643-31445

Washer, Flat

SN: 60095-UP

2шт.

24

01010-81435

Bolt

SN: 60095-UP

6шт.

25

01643-31445

Washer, Flat

SN: 60095-UP

6шт.

Выбрано товаров: 26