Запчасти Komatsu WA900-3E0 ЗАДН. КРЫЛО И ЛЕСТНИЦА, БОКОВ. СТУПЕНЬКА (№9-) ЗАДН. КРЫЛО И ЛЕСТНИЦА

Схема запчастей Komatsu WA900-3E0 - ЗАДН. КРЫЛО И ЛЕСТНИЦА, БОКОВ. СТУПЕНЬКА (№9-) ЗАДН. КРЫЛО И ЛЕСТНИЦА
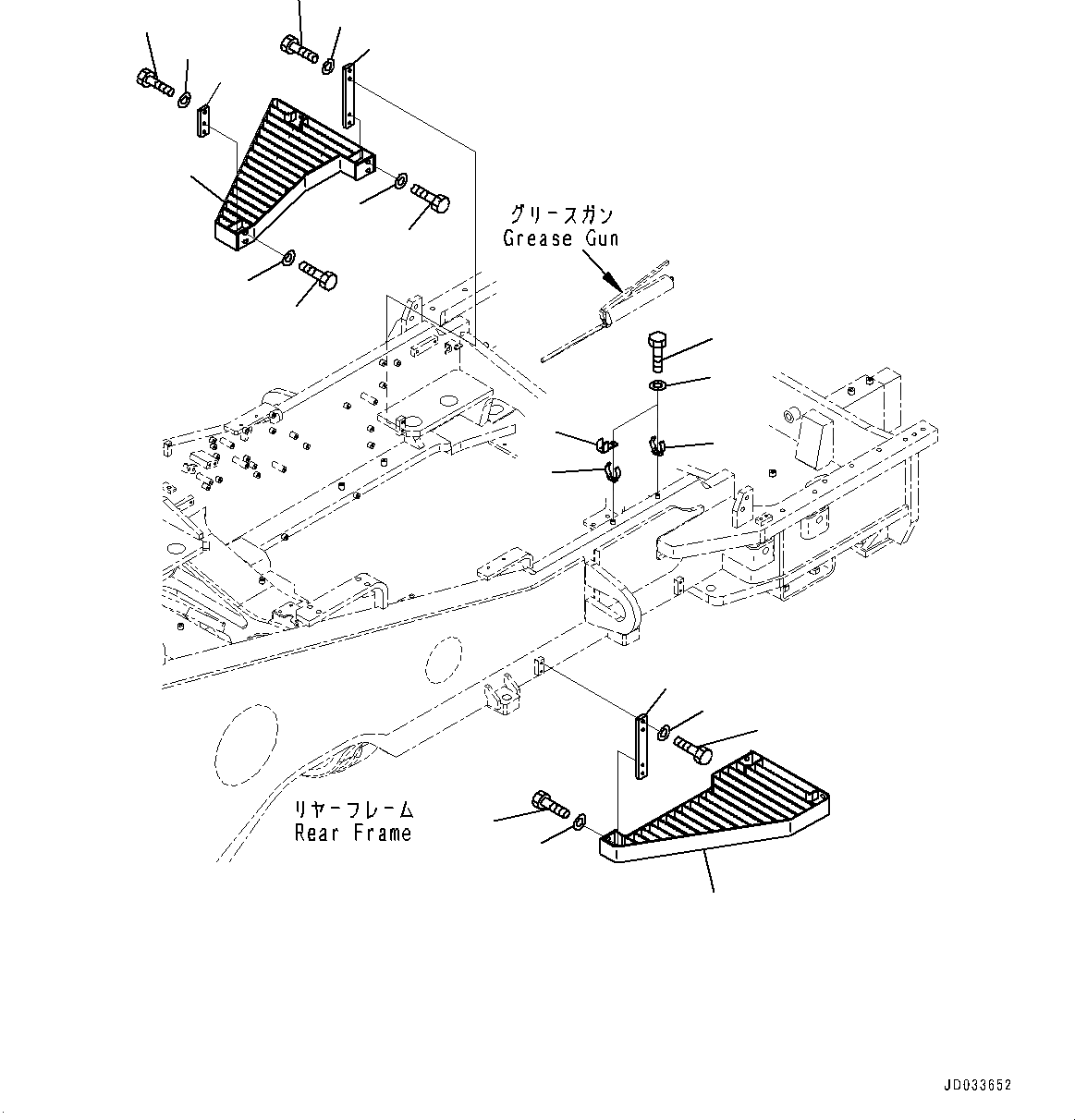
1
4
3
2
1
8
7
6
10
9
5
16
11
12
14
18
19
15
16
17
17
13
FIT
1:1
100%

Артикул

Название

Примечание

Количество

1

417-54-21460

Spring

SN: 60095-UP

2шт.

2

416-54-32230

Plate

SN: 60095-UP

1шт.

3

01010-80816

Bolt

SN: 60095-UP

2шт.

4

01643-30823

Washer

SN: 60095-UP

2шт.

5

427-54-25910

Plate

SN: 60095-UP

2шт.

6

427-Z89-6280

Step, L.H.

SN: 60095-UP

1шт.

7

01010-D1225

Bolt

SN: 60095-UP

4шт.

8

01643-71232

Washer

SN: 60095-UP

4шт.

9

01010-D1235

Bolt

SN: 60095-UP

4шт.

10

01643-71232

Washer

SN: 60095-UP

4шт.

11

01010-D1245

Bolt

SN: 60095-UP

1шт.

12

01643-71232

Washer

SN: 60095-UP

1шт.

13

427-54-26830

Plate

SN: 60095-UP

1шт.

14

427-54-25910

Plate

SN: 60095-UP

1шт.

15

427-54-26780

Step

SN: 60095-UP

1шт.

16

01010-D1225

Bolt

SN: 60095-UP

4шт.

17

01643-71232

Washer

SN: 60095-UP

4шт.

18

01010-D1235

Bolt

SN: 60095-UP

2шт.

19

01643-71232

Washer

SN: 60095-UP

2шт.

Выбрано товаров: 19