Запчасти Komatsu WA900-3E0 ПЕРЕДН. ПРОВОДКА, УДАЛЕНН. ПОЗИЦИОНЕР ДАТЧИК (№78-) ПЕРЕДН. ПРОВОДКА, VHMS, НАКЛОН. ОГРАНИЧИТЕЛЬ, УДАЛЕНН. СТРЕЛА ПОЗИЦИОНЕР, ACTIVE РАБОЧ.ING СИСТЕМА

Схема запчастей Komatsu WA900-3E0 - ПЕРЕДН. ПРОВОДКА, УДАЛЕНН. ПОЗИЦИОНЕР ДАТЧИК (№78-) ПЕРЕДН. ПРОВОДКА, VHMS, НАКЛОН. ОГРАНИЧИТЕЛЬ, УДАЛЕНН. СТРЕЛА ПОЗИЦИОНЕР, ACTIVE РАБОЧ.ING СИСТЕМА
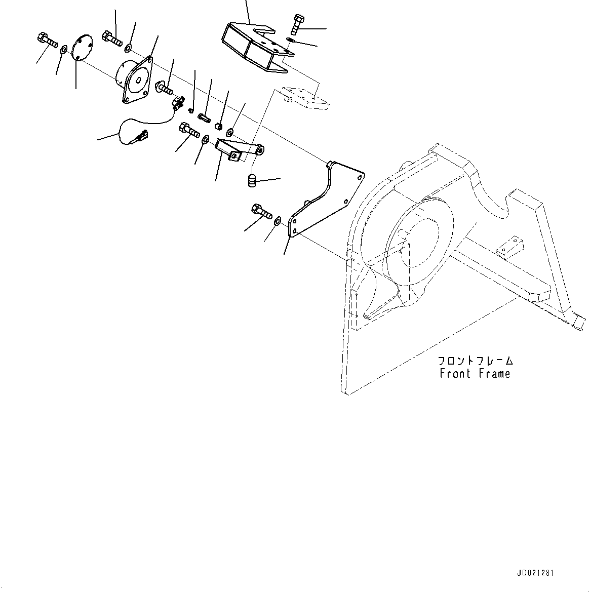
1
2
3
4
5
6
7
8
9
10
11
12
13
14
15
16
17
18
19
20
21
22
FIT
1:1
100%

Артикул

Название

Примечание

Количество

1

56B-06-11630

Sensor, Potentiometer

SN: 60078-UP

1шт.

2

01023-10412

Screw

SN: 60078-UP

2шт.

3

427-S33-3190

Spring

SN: 60078-UP

1шт.

4

421-S30-2250

Shaft

SN: 60078-UP

1шт.

5

06124-01416

Bearing, Needle

SN: 60078-UP

1шт.

6

425-S31-2120

Case

SN: 60078-UP

1шт.

7

01010-81225

Bolt

SN: 60078-UP

3шт.

8

01643-31232

Washer

SN: 60078-UP

3шт.

9

419-S30-2510

Plate

SN: 60078-UP

1шт.

10

01010-81225

Bolt

SN: 60078-UP

3шт.

11

01643-31232

Washer

SN: 60078-UP

3шт.

12

427-43-28340

Plate

SN: 60078-UP

1шт.

13

01010-81230

Bolt

SN: 60078-UP

4шт.

14

01643-31232

Washer

SN: 60078-UP

4шт.

15

427-43-28212

Cover

SN: 60078-UP

1шт.

16

01010-81230

Bolt

SN: 60078-UP

4шт.

17

01643-31232

Washer

SN: 60078-UP

4шт.

18

427-43-28221

Lever

SN: 60078-UP

1шт.

19

421-64-15140

Shim, T=0.5mm

SN: 60078-UP

1шт.

20

01315-20812

Screw

SN: 60078-UP

2шт.

21

01010-81225

Bolt

SN: 60078-UP

1шт.

22

01643-31232

Washer

SN: 60078-UP

1шт.

Выбрано товаров: 22