Запчасти Komatsu WA900-3E0 ГИДРОТРАНСФОРМАТОР И ТРАНСМИССИЯ, КЛАПАН УПРАВЛЕНИЯ ТРАНСМИССИЕЙ (/) (№78-) ГИДРОТРАНСФОРМАТОР И ТРАНСМИССИЯ, КРЫШКА МАСЛОНАЛИВНОГО ПАТРУБКА БЛОКИРОВКА И КРЫШКИБЛОКИР.

Схема запчастей Komatsu WA900-3E0 - ГИДРОТРАНСФОРМАТОР И ТРАНСМИССИЯ, КЛАПАН УПРАВЛЕНИЯ ТРАНСМИССИЕЙ (/) (№78-) ГИДРОТРАНСФОРМАТОР И ТРАНСМИССИЯ, КРЫШКА МАСЛОНАЛИВНОГО ПАТРУБКА БЛОКИРОВКА И КРЫШКИБЛОКИР.
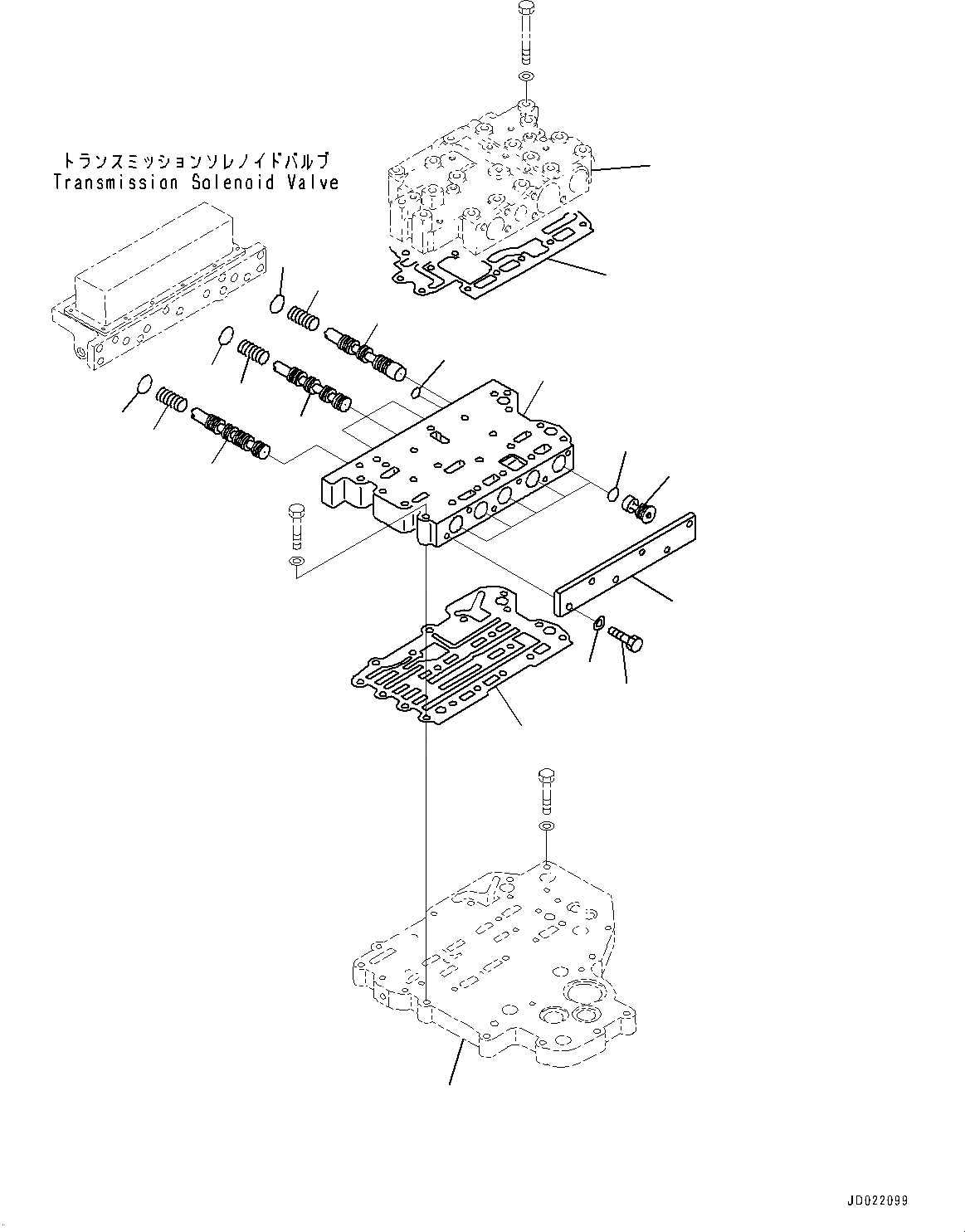
11
6
2
3
8
7
7
8
4
12
10
5
1
6
9
7
15
8
13
14
FIT
1:1
100%

Артикул

Название

Примечание

Количество

|$0

427-15-11020

Transmission Assembly

SN: 60078-UP

1шт.

|$1

427-15-15003

Valve Assembly, Control

SN: 60078-UP

1шт.

1

195-15-35110

Body, Valve

SN: 60078-UP

1шт.

2

195-15-35320

Valve, Reverse

SN: 60078-UP

1шт.

3

195-15-35330

Valve,Forward,1st,2nd

SN: 60078-UP

3шт.

4

195-15-35340

Valve,3rd

SN: 60078-UP

1шт.

5

195-15-35370

Stopper

SN: 60078-UP

5шт.

6

07000-72018

O-ring, (Kit : K03)

SN: 60078-UP

6шт.

7

07000-73028

O-ring, (Kit : K03)

SN: 60078-UP

5шт.

8

568-15-15330

Spring, L=78.0mm

SN: 60078-UP

5шт.

9

195-15-35380

Plate

SN: 60078-UP

1шт.

10

01010-81030

Bolt

SN: 60078-UP

6шт.

11

01643-51032

Washer

SN: 60078-UP

6шт.

12

195-15-35910

Gasket, (Kit : K03)

SN: 60078-UP

1шт.

13

195-15-35920

Gasket, (Kit : K03)

SN: 60078-UP

1шт.

14

195-15-35210

Body

SN: UP

-1шт.

15

427-15-15130

Seat

SN: UP

-1шт.

Выбрано товаров: 17