Запчасти Komatsu WA900-3E0 ГИДРОТРАНСФОРМАТОР И ТРАНСМИССИЯ, НАСОС РУЛЕВ. УПРАВЛ-Я - ЗАПРАШИВАЮЩ. КЛАПАН (№78-) ГИДРОТРАНСФОРМАТОР И ТРАНСМИССИЯ, КРЫШКА МАСЛОНАЛИВНОГО ПАТРУБКА БЛОКИРОВКА И КРЫШКИБЛОКИР.

Схема запчастей Komatsu WA900-3E0 - ГИДРОТРАНСФОРМАТОР И ТРАНСМИССИЯ, НАСОС РУЛЕВ. УПРАВЛ-Я - ЗАПРАШИВАЮЩ. КЛАПАН (№78-) ГИДРОТРАНСФОРМАТОР И ТРАНСМИССИЯ, КРЫШКА МАСЛОНАЛИВНОГО ПАТРУБКА БЛОКИРОВКА И КРЫШКИБЛОКИР.
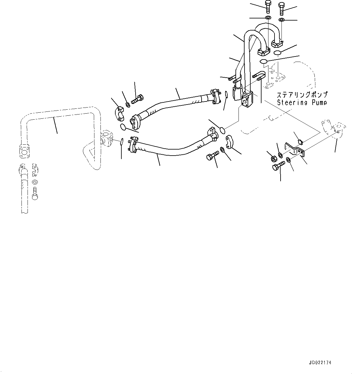
6
15
17
18
16
5
14
8
9
15
7
1
11
3
4
10
22
6
24
25
20
21
23
19
13
12
2
22
26
27
FIT
1:1
100%

Артикул

Название

Примечание

Количество

1

427-62-14141

Tube

SN: 60078-UP

1шт.

2

07000-F3035

O-ring

SN: 60078-UP

1шт.

3

01010-81045

Bolt

SN: 60078-UP

4шт.

4

01643-31032

Washer

SN: 60078-UP

4шт.

5

427-Z87-1310

Hose

SN: 60078-UP

1шт.

6

07000-F3032

O-ring

SN: 60078-UP

2шт.

7

07371-21049

Flange, Split

SN: 60078-UP

2шт.

8

07372-21035

Bolt

SN: 60078-UP

4шт.

9

01643-51032

Washer

SN: 60078-UP

4шт.

10

427-62-14150

Tube

SN: 60078-UP

1шт.

11

07000-F3035

O-ring

SN: 60078-UP

1шт.

12

01010-81045

Bolt

SN: 60078-UP

4шт.

13

01643-31032

Washer

SN: 60078-UP

4шт.

14

427-Z87-1320

Hose

SN: 60078-UP

1шт.

15

07000-F3032

O-ring

SN: 60078-UP

2шт.

16

07371-21049

Flange, Split

SN: 60078-UP

2шт.

17

07372-21035

Bolt

SN: 60078-UP

4шт.

18

01643-51032

Washer

SN: 60078-UP

4шт.

19

427-62-15530

Bracket

SN: 60078-UP

1шт.

20

01010-81235

Bolt

SN: 60078-UP

2шт.

21

01643-31232

Washer

SN: 60078-UP

2шт.

22

07283-33450

Clip

SN: 60078-UP

4шт.

23

07283-53444

Seat

SN: 60078-UP

4шт.

24

01597-01009

Nut

SN: 60078-UP

8шт.

25

01643-31032

Washer

SN: 60078-UP

8шт.

26

427-62-14351

Tube

SN: UP

-1шт.

|$26

427-62-14351

Tube

SN: UP

-1шт.

|$27

427-62-14351

Tube

SN: UP

-1шт.

|$28

427-62-14351

Tube

SN: UP

-1шт.

27

427-62-15511

Tube

SN: UP

-1шт.

Выбрано товаров: 30