Запчасти Komatsu WA900-3E0 ГИДР. БАК., ГИДРОЛИНИЯ ЭКСТРЕННОГО УПРАВЛЕНИЯ (№78-) ГИДР. БАК., ЭКСТРЕНН. РУЛЕВ. УПРАВЛЕНИЕ, АВТОМАТИЧ. УПРАВЛ-Е ТИП, VHMS, УДАЛЕНН. СТРЕЛА ПОЗИЦИОНЕР

Схема запчастей Komatsu WA900-3E0 - ГИДР. БАК., ГИДРОЛИНИЯ ЭКСТРЕННОГО УПРАВЛЕНИЯ (№78-) ГИДР. БАК., ЭКСТРЕНН. РУЛЕВ. УПРАВЛЕНИЕ, АВТОМАТИЧ. УПРАВЛ-Е ТИП, VHMS, УДАЛЕНН. СТРЕЛА ПОЗИЦИОНЕР
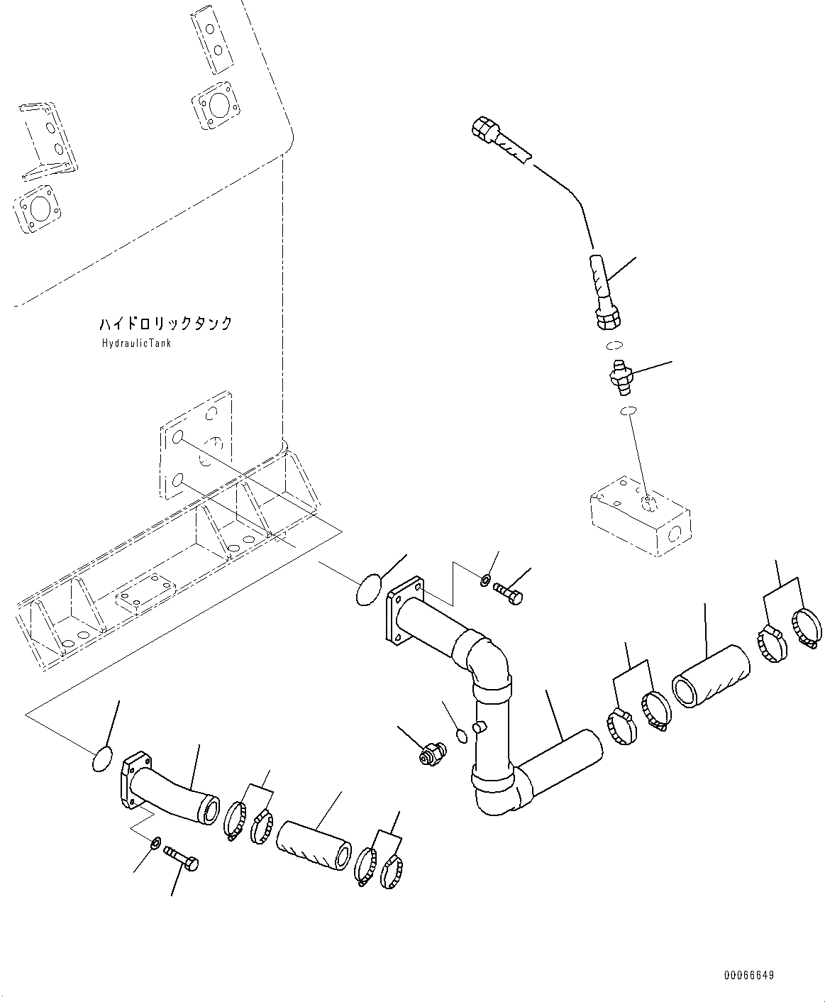
2
1
6
5
11
9
10
12
10
7
8
16
15
3
4
14
13
6
FIT
1:1
100%

Артикул

Название

Примечание

Количество

1

427-871-5351

Tube

SN: 60078-UP

1шт.

2

07000-F2060

O-ring

SN: 60078-UP

1шт.

3

07372-21240

Bolt

SN: 60078-UP

4шт.

4

01643-51232

Washer

SN: 60078-UP

4шт.

5

07260-05818

Hose

SN: 60078-UP

1шт.

6

07299-00080

Clamp, Hose

SN: 60078-UP

4шт.

7

02781-00628

Union

SN: 60078-UP

1шт.

8

02762-00606

Hose, Face Seal Type

SN: 60078-UP

1шт.

9

07260-24720

Hose

SN: 60078-UP

1шт.

10

07299-00070

Clamp

SN: 60078-UP

4шт.

11

427-871-5230

Tube

SN: 60078-UP

1шт.

12

07000-F3048

O-ring

SN: 60078-UP

1шт.

13

07372-21245

Bolt

SN: 60078-UP

4шт.

14

01643-51232

Washer

SN: 60078-UP

4шт.

15

02781-00315

Union

SN: 60078-UP

1шт.

16

07002-22034

O-ring

SN: 60078-UP

1шт.

Выбрано товаров: 16