Запчасти Komatsu WA900-3E0 ГИДРОЛИНИЯ, АДАПТЕР (№78-) ГИДРОЛИНИЯ, AJSS, ЭКСТРЕНН. РУЛЕВ. УПРАВЛЕНИЕ, АВТОМАТИЧ. УПРАВЛ-Е ТИП, УДАЛЕНН. СТРЕЛА ПОЗИЦИОНЕР, ACTIVE РАБОЧ.ING СИСТЕМА, ПРОХОДНОЙ ФИЛЬТР

Схема запчастей Komatsu WA900-3E0 - ГИДРОЛИНИЯ, АДАПТЕР (№78-) ГИДРОЛИНИЯ, AJSS, ЭКСТРЕНН. РУЛЕВ. УПРАВЛЕНИЕ, АВТОМАТИЧ. УПРАВЛ-Е ТИП, УДАЛЕНН. СТРЕЛА ПОЗИЦИОНЕР, ACTIVE РАБОЧ.ING СИСТЕМА, ПРОХОДНОЙ ФИЛЬТР
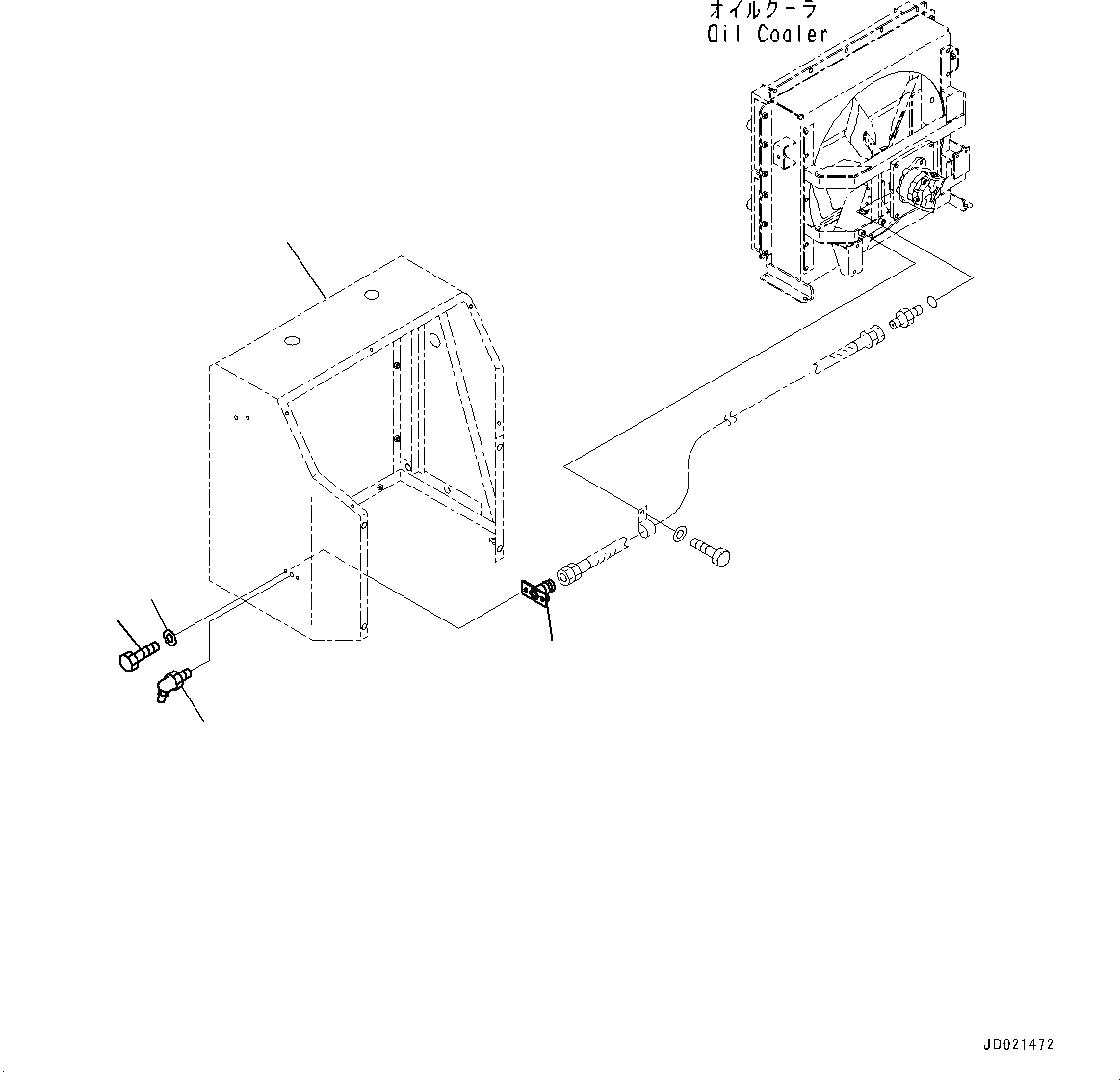
4
2
1
3
5
FIT
1:1
100%

Артикул

Название

Примечание

Количество

1

427-S05-5290

Adapter

SN: 60078-UP

1шт.

2

01010-80616

Bolt

SN: 60078-UP

2шт.

3

01643-30623

Washer

SN: 60078-UP

2шт.

4

07020-00675

Fitting, Grease

SN: 60078-UP

1шт.

5

41F-S05-1321

Guard

SN: UP

-1шт.

Выбрано товаров: 5