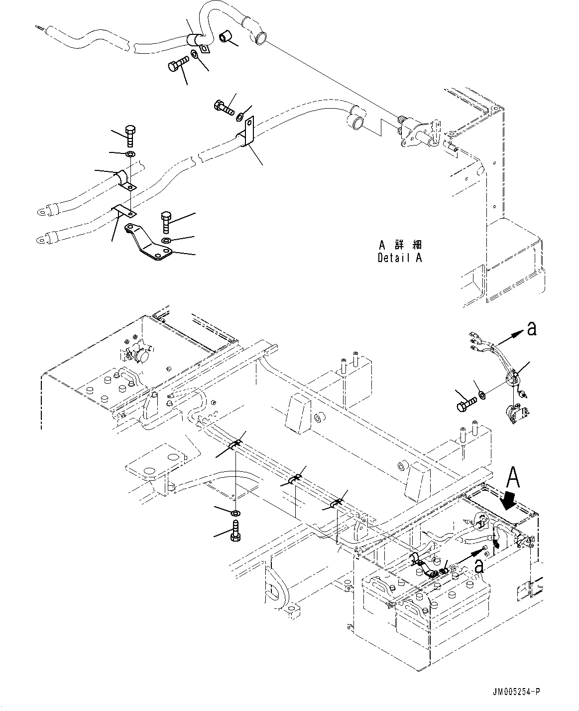
Запчасти Komatsu WA900-3E0 ЛЕВ. КОРПУС АККУМУЛЯТОРА, ПРОВОДКА КРЕПЛЕНИЕ (№78-) ЛЕВ. КОРПУС АККУМУЛЯТОРА, АККУМУЛЯТОР И СТАРТЕР DISCONNECT ПЕРЕКЛЮЧАТЕЛЬ, УСИЛЕНН. ПРОВОДКА

Схема запчастей Komatsu WA900-3E0 - ЛЕВ. КОРПУС АККУМУЛЯТОРА, ПРОВОДКА КРЕПЛЕНИЕ (№78-) ЛЕВ. КОРПУС АККУМУЛЯТОРА, АККУМУЛЯТОР И СТАРТЕР DISCONNECT ПЕРЕКЛЮЧАТЕЛЬ, УСИЛЕНН. ПРОВОДКА
4
4
5
4
6
2
3
1
14
8
7
13
4
9
10
13
10
10
10
11
10
10
14
12
13
14
FIT
1:1
100%

Артикул

Название

Примечание

Количество

1

427-Z89-2620

Bracket

SN: 60078-UP

1шт.

2

01010-81020

Bolt

SN: 60078-UP

2шт.

3

01643-31032

Washer

SN: 60078-UP

2шт.

4

04434-52310

Clip

SN: 60078-UP

4шт.

5

01010-81020

Bolt

SN: 60078-UP

1шт.

6

01643-31032

Washer

SN: 60078-UP

1шт.

7

01010-81040

Bolt

SN: 60078-UP

1шт.

8

01643-31032

Washer

SN: 60078-UP

1шт.

9

423-54-11340

Spacer

SN: 60078-UP

1шт.

10

04434-52310

Clip

SN: 60078-UP

6шт.

11

04434-51910

Clip

SN: 60078-UP

1шт.

12

04434-51410

Clip

SN: 60078-UP

1шт.

13

01010-81020

Bolt

SN: 60078-UP

14шт.

14

01643-31032

Washer

SN: 60078-UP

14шт.

Выбрано товаров: 14