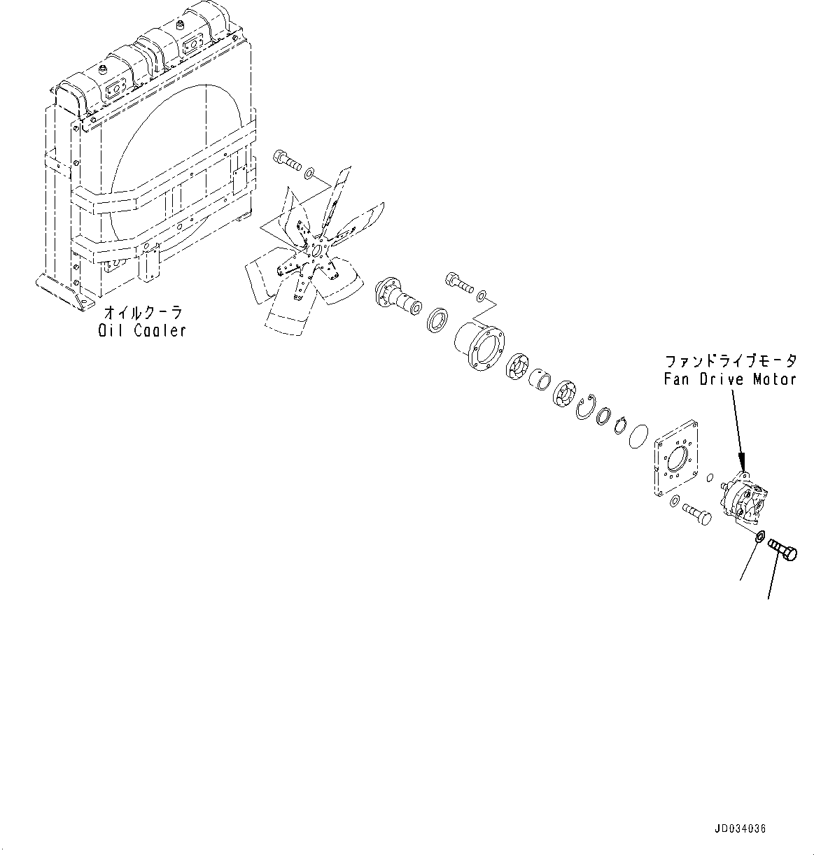
Запчасти Komatsu WA900-3E0 ГИДРОЛИНИЯ, КРЕПЛЕНИЕ (/7) (№78-) ГИДРОЛИНИЯ, AJSS, ЭКСТРЕНН. РУЛЕВ. УПРАВЛЕНИЕ, АВТОМАТИЧ. УПРАВЛ-Е ТИП, ТОРМОЗ. МАСЛ. СИСТЕМА ОХЛАЖДЕНИЯ, НАКЛОН. ОГРАНИЧИТЕЛЬ, ACTIVE РАБОЧ.ING SYSTE

Схема запчастей Komatsu WA900-3E0 - ГИДРОЛИНИЯ, КРЕПЛЕНИЕ (/7) (№78-) ГИДРОЛИНИЯ, AJSS, ЭКСТРЕНН. РУЛЕВ. УПРАВЛЕНИЕ, АВТОМАТИЧ. УПРАВЛ-Е ТИП, ТОРМОЗ. МАСЛ. СИСТЕМА ОХЛАЖДЕНИЯ, НАКЛОН. ОГРАНИЧИТЕЛЬ, ACTIVE РАБОЧ.ING SYSTE
2
1
FIT
1:1
100%

Артикул

Название

Примечание

Количество

1

01010-81230

Bolt

SN: 60078-UP

2шт.

2

01643-31232

Washer

SN: 60078-UP

2шт.

Выбрано товаров: 0