Запчасти Komatsu WA900-3E0 ПОЛ, ВОЗДУХОВОДЫ (№78-) ПОЛ, VHMS, ORBCOMM, УДАЛЕНН. СТРЕЛА ПОЗИЦИОНЕР, АВТОМАТИЧ.-СИСТ. СМАЗКИ СИСТЕМА, ДВИГАТЕЛЬ PRE-СМАЗКА СИСТЕМА

Схема запчастей Komatsu WA900-3E0 - ПОЛ, ВОЗДУХОВОДЫ (№78-) ПОЛ, VHMS, ORBCOMM, УДАЛЕНН. СТРЕЛА ПОЗИЦИОНЕР, АВТОМАТИЧ.-СИСТ. СМАЗКИ СИСТЕМА, ДВИГАТЕЛЬ PRE-СМАЗКА СИСТЕМА
5
5
3
15
15
6
1
2
5
24
23
22
14
11
17
12
18
13
9
16
15
6
10
7
13
8
21
4
19
20
FIT
1:1
100%

Артикул

Название

Примечание

Количество

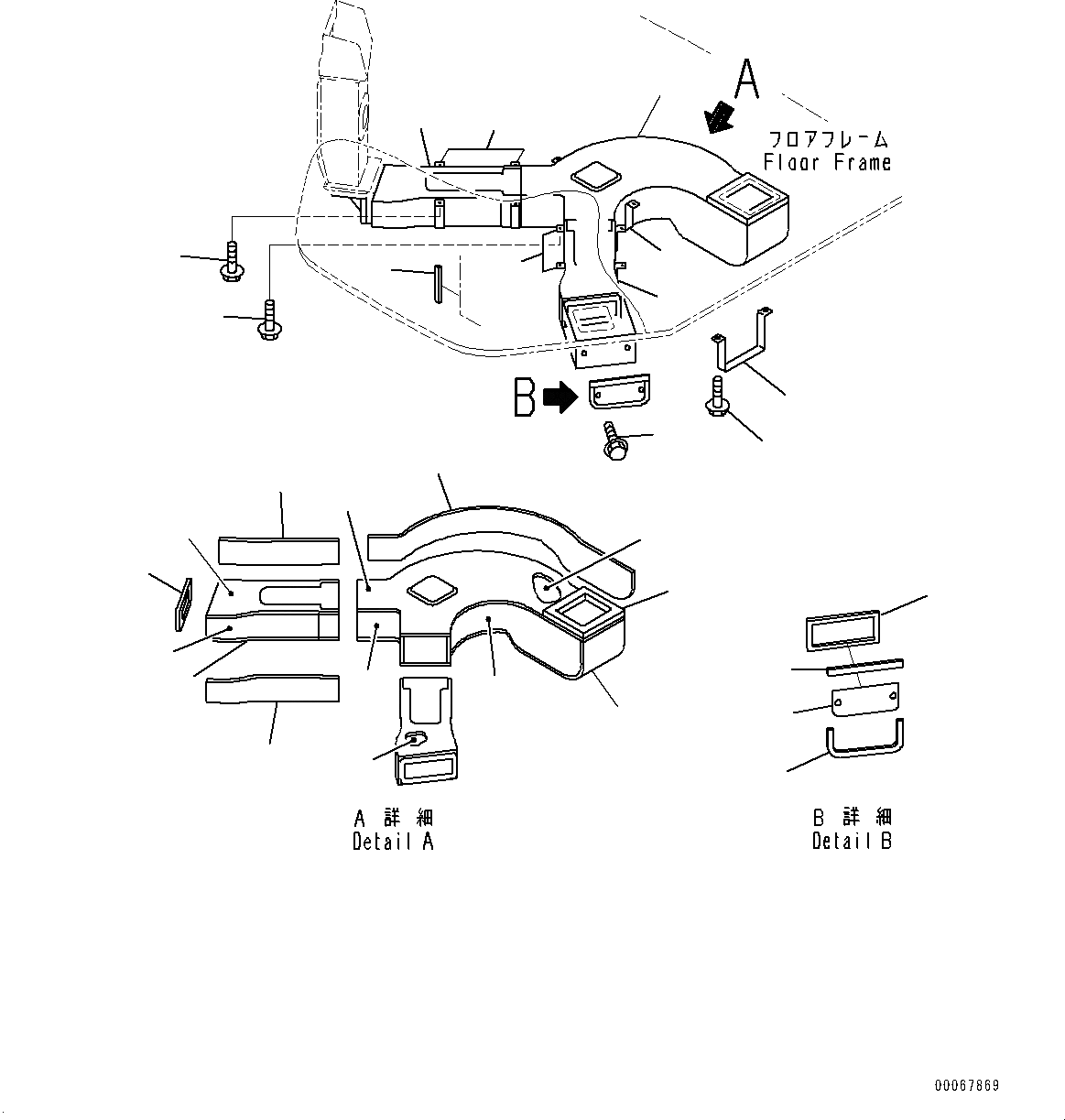
1

421-07-23650

Clamp

SN: 60078-UP

1шт.

2

421-07-23660

Clamp

SN: 60078-UP

1шт.

3

01435-01016

Bolt

SN: 60078-UP

4шт.

4

421-07-23751

Sheet

SN: 60078-UP

2шт.

5

01435-01016

Bolt

SN: 60078-UP

8шт.

|$5

421-07-23600

Duct Assembly, Air

SN: 60078-UP

1шт.

6

421-07-23610

Duct, Air

SN: 60078-UP

1шт.

7

423-07-23110

Sheet

SN: 60078-UP

1шт.

8

423-07-23120

Sheet

SN: 60078-UP

1шт.

9

423-07-23130

Sheet

SN: 60078-UP

1шт.

10

423-07-23140

Sheet

SN: 60078-UP

1шт.

11

423-07-23150

Sheet

SN: 60078-UP

1шт.

12

421-07-23771

Sheet

SN: 60078-UP

1шт.

12

421-07-23620

Duct Assembly, Air

SN: 60078-UP

2шт.

13

421-07-23640

Duct, Air

SN: 60078-UP

1шт.

14

423-07-23160

Sheet

SN: 60078-UP

1шт.

15

423-07-23170

Sheet

SN: 60078-UP

1шт.

16

423-07-23180

Sheet

SN: 60078-UP

1шт.

17

423-07-23190

Sheet

SN: 60078-UP

1шт.

18

423-07-23211

Sheet

SN: 60078-UP

1шт.

18

421-07-23710

Cover Assembly

SN: 60078-UP

2шт.

19

421-07-23740

Plate

SN: 60078-UP

1шт.

20

421-07-23720

Finisher

SN: 60078-UP

1шт.

21

421-07-23730

Finisher

SN: 60078-UP

1шт.

22

421-07-23670

Clamp

SN: 60078-UP

2шт.

23

421-07-23680

Clamp

SN: 60078-UP

2шт.

24

421-54-22960

Protector

SN: 60078-UP

1шт.

Выбрано товаров: 27