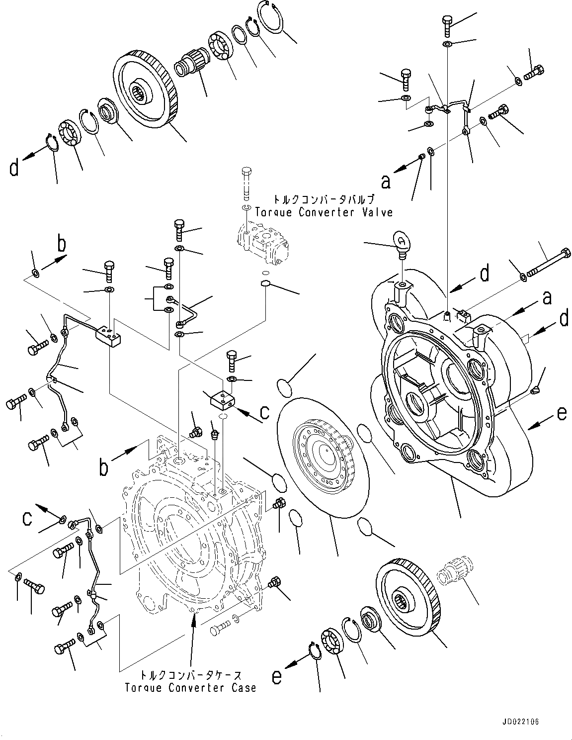
/ / / / / / / ГИДРОТРАНСФОРМАТОР И ТРАНСМИССИЯ, PTO(МЕХ-М ОТБОРА МОЩНОСТИ) ПРИВОД (№78-)
Запчасти Komatsu WA900-3E0 ГИДРОТРАНСФОРМАТОР И ТРАНСМИССИЯ, PTO(МЕХ-М ОТБОРА МОЩНОСТИ) ПРИВОД (№78-) ГИДРОТРАНСФОРМАТОР И ТРАНСМИССИЯ, ЭКСТРЕНН. РУЛЕВ. УПРАВЛЕНИЕ, АВТОМАТИЧ. УПРАВЛ-Е ТИП, ТОРМОЗ. МАСЛ. СИСТЕМА ОХЛАЖДЕНИЯ, VHMS, PREВЕНТИЛЯТОРIVE ОСНОВН.T
1
22
22
17
6
20
17
16
4
11
24
12
6
10
7
5
6
3
2
30
28
29
27
26
25
34
33
31
32
16
17
18
17
6
20
18
17
23
17
21
17
16
16
17
16
18
19
20
19
8
25
34
33
31
32
11
17
13
17
16
19
20
14
16
17
19
16
17
15
17
18
16
22
17
9
12
17
35
|$0
711-56-31005
Torque Converter
SN: 60078-UP
1шт.
1
07049-01620
Plug
SN: 60078-UP
2шт.
2
07042-80108
Plug
SN: 60078-UP
1шт.
3
711-56-33131
Housing,Front
SN: 60078-UP
1шт.
4
04530-13045
Bolt, Eye
SN: 60078-UP
2шт.
5
426-15-49111
O-ring, (Kit : K05)
SN: (101748-UP
1шт.
5
711-33-13340
O-ring, (Kit : K04)
SN: 60078-(101747
1шт.
6
07000-72105
O-ring, (Kit : K04, K05)
SN: 60078-UP
4шт.
7
07000-72085
O-ring, (Kit : K04, K05)
SN: 60078-UP
1шт.
8
01011-61685
Bolt
SN: 60078-UP
2шт.
9
01643-31645
Washer
SN: 60078-UP
2шт.
10
711-56-36911
Block
SN: 60078-UP
1шт.
11
01010-81055
Bolt
SN: 60078-UP
4шт.
12
01643-31032
Washer
SN: 60078-UP
4шт.
13
711-56-36921
Tube
SN: 60078-UP
1шт.
14
711-56-36931
Tube
SN: 60078-UP
1шт.
15
711-56-36941
Tube
SN: 60078-UP
1шт.
16
07206-30812
Bolt, Joint
SN: 60078-UP
9шт.
17
07005-01212
Seal, Washer, (Kit : K04, K05)
SN: 60078-UP
18шт.
18
04434-00808
Clip
SN: 60078-UP
4шт.
19
01010-80816
Bolt
SN: 60078-UP
4шт.
20
01643-30823
Washer
SN: 60078-UP
4шт.
21
711-21-13850
Nozzle, D=1.6mm
SN: 60078-UP
1шт.
22
711-56-36960
Plug
SN: 60078-UP
4шт.
23
711-56-36950
Tube
SN: 60078-UP
1шт.
24
07000-73048
O-ring, (Kit : K06)
SN: 60078-UP
1шт.
25
711-56-34211
Gear
SN: 60078-UP
4шт.
26
711-56-34362
Shaft
SN: 60078-UP
3шт.
27
06040-06315
Bearing
SN: 60078-UP
3шт.
28
04064-07525
Ring, Snap, for Shaft Side
SN: 60078-UP
3шт.
29
195-13-11730
Spacer
SN: 60078-UP
3шт.
30
04071-00160
Ring, Snap
SN: 60078-UP
3шт.
31
711-56-14380
Bearing
SN: 60078-UP
4шт.
32
04064-06525
Ring, Snap, for Shaft Side
SN: 60078-UP
4шт.
33
04071-00120
Ring, Snap, for Hole Side
SN: 60078-UP
4шт.
34
711-56-34370
Collar
SN: 60078-UP
4шт.
35
711-56-34462
Shaft
SN: UP
-1шт.
Выбрано товаров: 0