Запчасти Komatsu WA900-3E0 ГИДРОТРАНСФОРМАТОР И ТРАНСМИССИЯ, КЛАПАН УПРАВЛЕНИЯ ТРАНСМИССИЕЙ (/) (№78-) ГИДРОТРАНСФОРМАТОР И ТРАНСМИССИЯ, ЭКСТРЕНН. РУЛЕВ. УПРАВЛЕНИЕ, АВТОМАТИЧ. УПРАВЛ-Е ТИП, ТОРМОЗ. МАСЛ. СИСТЕМА ОХЛАЖДЕНИЯ, VHMS, PREВЕНТИЛЯТОРIVE ОСНОВН.

Схема запчастей Komatsu WA900-3E0 - ГИДРОТРАНСФОРМАТОР И ТРАНСМИССИЯ, КЛАПАН УПРАВЛЕНИЯ ТРАНСМИССИЕЙ (/) (№78-) ГИДРОТРАНСФОРМАТОР И ТРАНСМИССИЯ, ЭКСТРЕНН. РУЛЕВ. УПРАВЛЕНИЕ, АВТОМАТИЧ. УПРАВЛ-Е ТИП, ТОРМОЗ. МАСЛ. СИСТЕМА ОХЛАЖДЕНИЯ, VHMS, PREВЕНТИЛЯТОРIV
9
5
8
15
2
13
7
3
4
1
17
22
6
14
17
21
16
20
19
18
12
11
10
12
23
24
25
FIT
1:1
100%

Артикул

Название

Примечание

Количество

|$0

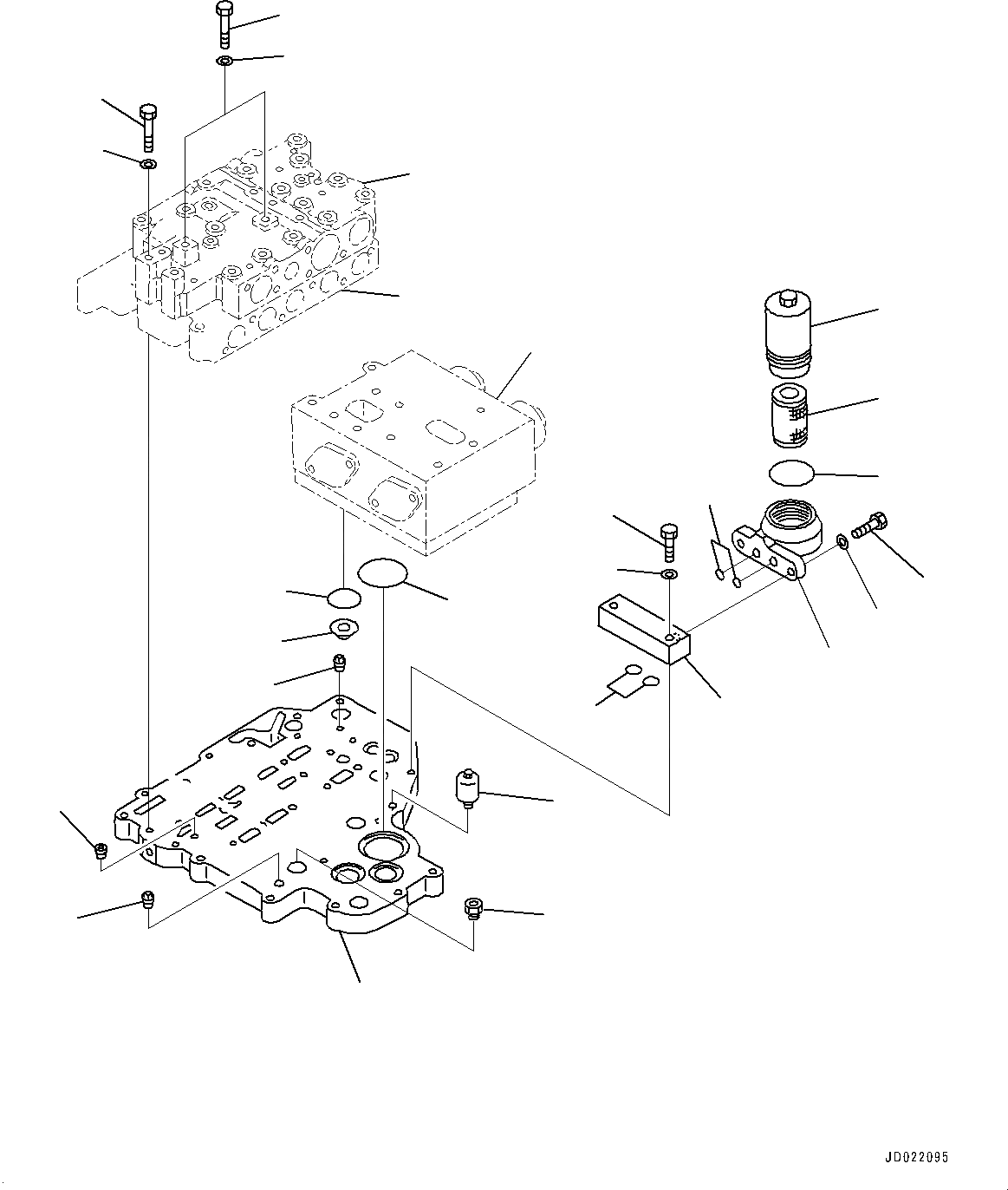
427-15-11020

Transmission Assembly

SN: 60078-UP

1шт.

|$1

427-15-15003

Valve Assembly, Control

SN: 60078-UP

1шт.

1

427-15-15130

Seat

SN: 60078-UP

1шт.

2

07042-80108

Plug

SN: 60078-UP

4шт.

3

07043-70108

Plug

SN: 60078-UP

1шт.

4

07042-80211

Plug, Taper

SN: 60078-UP

1шт.

5

170-21-11190

Elbow

SN: 60078-UP

1шт.

6

07030-00252

Breather

SN: 60078-UP

1шт.

7

07000-72021

O-ring, (Kit : K03)

SN: 60078-UP

2шт.

8

07000-73035

O-ring, (Kit : K03)

SN: 60078-UP

2шт.

9

07000-72060

O-ring, (Kit : K03)

SN: 60078-UP

1шт.

10

01010-81075

Bolt

SN: 60078-UP

2шт.

11

01011-81020

Bolt

SN: 60078-UP

12шт.

12

01643-31032

Washer

SN: 60078-UP

14шт.

13

427-15-15840

Plug

SN: 60078-UP

1шт.

14

427-15-15830

Seat

SN: 60078-UP

1шт.

15

01010-81045

Bolt

SN: 60078-UP

2шт.

16

01643-31032

Washer

SN: 60078-UP

2шт.

17

426-15-16512

Filter Assembly

SN: 60078-UP

1шт.

18

209-38-12470

Element

SN: 60078-UP

1шт.

19

154-15-65590

O-ring

SN: 60078-UP

1шт.

20

01010-81030

Bolt

SN: 60078-UP

2шт.

21

01643-31032

Washer

SN: 60078-UP

2шт.

22

07000-72014

O-ring, (Kit : K03)

SN: 60078-UP

2шт.

23

195-15-35210

Body

SN: UP

-1шт.

24

195-15-35110

Body, Valve

SN: UP

-1шт.

25

427-15-15220

Body

SN: UP

-1шт.

Выбрано товаров: 27