Запчасти Komatsu WA900-3E0 ГИДРОТРАНСФОРМАТОР И ТРАНСМИССИЯ, ВНУТР. ЧАСТИ, ПОГРУЗ. НАСОС (/) (№78-) ГИДРОТРАНСФОРМАТОР И ТРАНСМИССИЯ, ЭКСТРЕНН. РУЛЕВ. УПРАВЛЕНИЕ, АВТОМАТИЧ. УПРАВЛ-Е ТИП, ТОРМОЗ. МАСЛ. СИСТЕМА ОХЛАЖДЕНИЯ, VHMS, PREВЕНТИЛЯТОРIVE ОСНОВН.TE

Схема запчастей Komatsu WA900-3E0 - ГИДРОТРАНСФОРМАТОР И ТРАНСМИССИЯ, ВНУТР. ЧАСТИ, ПОГРУЗ. НАСОС (/) (№78-) ГИДРОТРАНСФОРМАТОР И ТРАНСМИССИЯ, ЭКСТРЕНН. РУЛЕВ. УПРАВЛЕНИЕ, АВТОМАТИЧ. УПРАВЛ-Е ТИП, ТОРМОЗ. МАСЛ. СИСТЕМА ОХЛАЖДЕНИЯ, VHMS, PREВЕНТИЛЯТОРIVE О
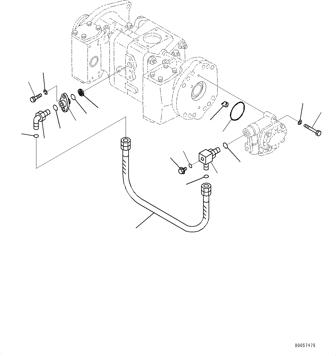
10
4
5
7
8
6
14
13
1
3
2
18
9
12
17
11
15
16
FIT
1:1
100%

Артикул

Название

Примечание

Количество

|$0

708-2L-00361

Pump Assembly, Loader

SN: 60078-UP

1шт.

1

01010-81260

Bolt

SN: 60078-UP

2шт.

2

01643-31232

Washer

SN: 60078-UP

2шт.

3

708-25-15730

O-ring

SN: 60078-UP

1шт.

4

708-25-19120

Flange

SN: 60078-UP

1шт.

5

07000-E2021

O-ring

SN: 60078-UP

1шт.

6

720-68-15240

Filter

SN: 60078-UP

1шт.

7

01010-80820

Bolt

SN: 60078-UP

2шт.

8

01643-50823

Washer

SN: 60078-UP

2шт.

9

02782-10422

Elbow

SN: 60078-UP

1шт.

10

07002-22034

O-ring

SN: 60078-UP

1шт.

11

02896-21012

O-ring

SN: 60078-UP

1шт.

12

708-25-32730

Coupling

SN: 60078-UP

1шт.

13

708-2L-34410

Elbow

SN: 60078-UP

1шт.

14

07002-22434

O-ring

SN: 60078-UP

1шт.

15

02896-21012

O-ring

SN: 60078-UP

1шт.

16

07002-21023

O-ring

SN: 60078-UP

1шт.

17

708-8E-16150

Plug

SN: 60078-UP

1шт.

18

02762-00405

Hose, Face Seal Type

SN: 60078-UP

1шт.

Выбрано товаров: 0