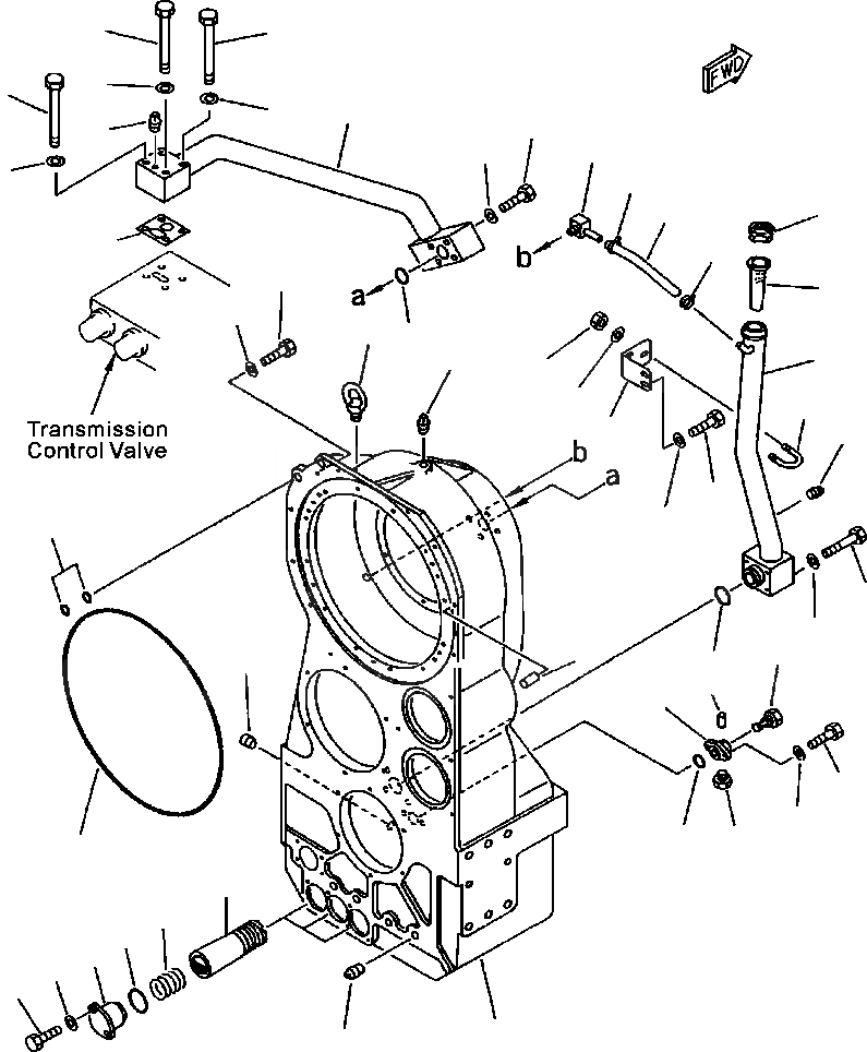
Запчасти Komatsu WA900-3LC F-A ТРАНСМИССИЯ КОРПУС ПЕРЕДАЧИ СИЛОВАЯ ПЕРЕДАЧА И КОНЕЧНАЯ ПЕРЕДАЧА

Схема запчастей Komatsu WA900-3LC - F-A ТРАНСМИССИЯ КОРПУС ПЕРЕДАЧИ СИЛОВАЯ ПЕРЕДАЧА И КОНЕЧНАЯ ПЕРЕДАЧА
42
43
45
44
37
45
40
47
34
41
45
36
17
35
39
36
48
16
49
5
38
15
2
33
32
31
28
46
29
30
8
19
20
22
6
18
3
24
21
26
27
25
23
7
9
10
12
11
14
13
1
4
FIT
1:1
100%

Артикул

Название

Примечание

Количество

|$0

TRANSMISSION ASSEMBLY (SEE FIG. F4320-01A0 )

SN: A50001--UP

-1шт.

2

-1шт.

|$2

427-15-13111

CASE ASSEMBLY.

SN: A50001--UP

1шт.

1

NSS

CASE

SN: A50001--UP

1шт.

2

07042-70211

PLUG

SN: A50001--UP

1шт.

3

07043-72026

PLUG

SN: A50001--UP

3шт.

4

02721-11617

PLUG

SN: A50001--UP

4шт.

5

04530-03655

BOLT, EYE

SN: A50001--UP

2шт.

6

04020-01842

PIN, DOWEL

SN: A50001--UP

1шт.

7

281-09-11110

O-RING

SN: A50001--UP

1шт.

8

07000-73035

O-RING

SN: A50001--UP

2шт.

9

562-15-11570

MAGNET ASSEMBLY

SN: A50001--UP

3шт.

10

287-15-11560

SPRING

SN: A50001--UP

3шт.

11

427-15-13390

COVER

SN: A50001--UP

3шт.

12

07000-02075

O-RING

SN: A50001--UP

3шт.

13

01010-81240

BOLT

SN: A50001--UP

6шт.

14

01643-31232

WASHER

SN: A50001--UP

6шт.

15

427-15-18102

TUBE

SN: A50001--UP

1шт.

16

07056-10045

STRAINER

SN: A50001--UP

1шт.

17

07051-00000

CAP

SN: A50001--UP

1шт.

18

07000-73048

O-RING

SN: A50001--UP

1шт.

19

01011-51210

BOLT

SN: A50001--UP

4шт.

20

01643-31232

WASHER

SN: A50001--UP

4шт.

|$23

426-60-15150

VALVE ASSEMBLY

SN: A50001--UP

1шт.

21

NSS

BODY

SN: A50001--UP

1шт.

22

NSS

VALVE

SN: A50001--UP

1шт.

23

426-60-15160

PLUG

SN: A50001--UP

1шт.

24

04020-00514

PIN, DOWEL

SN: A50001--UP

1шт.

25

07000-73028

O-RING

SN: A50001--UP

1шт.

26

01010-81030

BOLT

SN: A50001--UP

2шт.

27

01643-31032

WASHER

SN: A50001--UP

2шт.

28

427-15-18120

BRACKET

SN: A50001--UP

1шт.

29

01010-81230

BOLT

SN: A50001--UP

2шт.

30

01643-31232

WASHER

SN: A50001--UP

2шт.

31

07283-36155

CLIP

SN: A50001--UP

1шт.

32

01643-31032

WASHER

SN: A50001--UP

2шт.

33

01582-11008

NUT

SN: A50001--UP

2шт.

34

427-15-11610

ELBOW

SN: A50001--UP

1шт.

35

07260-20936

HOSE

SN: A50001--UP

1шт.

36

07281-00197

CLAMP

SN: A50001--UP

2шт.

37

427-16-11420

TUBE

SN: A50001--UP

1шт.

38

07000-73045

O-RING

SN: A50001--UP

1шт.

39

427-15-15930

GASKET

SN: A50001--UP

1шт.

40

01010-81290

BOLT

SN: A50001--UP

4шт.

41

01643-31232

WASHER

SN: A50001--UP

4шт.

42

427-15-16410

BOLT

SN: A50001--UP

1шт.

43

427-15-16420

BOLT

SN: A50001--UP

1шт.

44

01010-81085

BOLT

SN: A50001--UP

2шт.

45

01643-31032

WASHER

SN: A50001--UP

4шт.

46

07042-80415

PLUG

SN: A50001--UP

3шт.

47

07042-80108

PLUG

SN: A50001--UP

1шт.

48

01010-61665

BOLT

SN: A50001--UP

11шт.

49

01643-31645

WASHER

SN: A50001--UP

11шт.

Выбрано товаров: 53