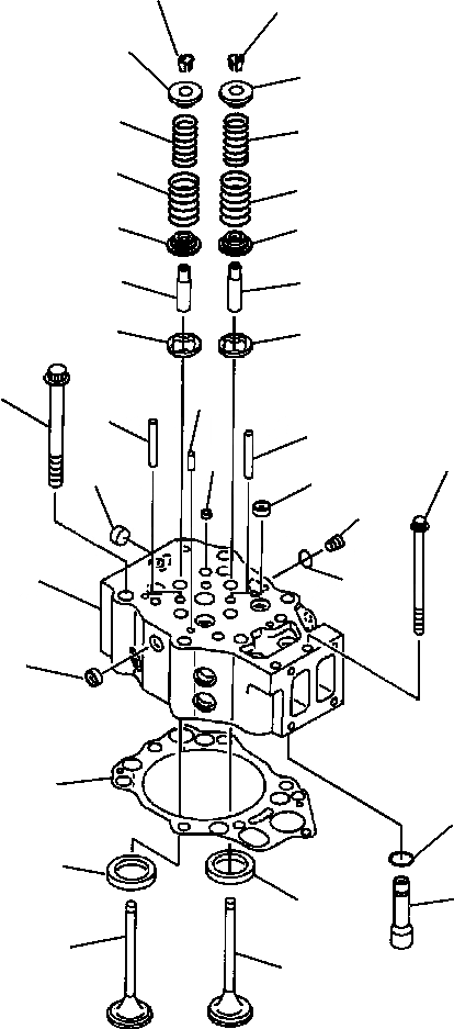
Запчасти Komatsu WA900-3LC A-A9A ГОЛОВКА ЦИЛИНДРОВ ДВИГАТЕЛЬ

Схема запчастей Komatsu WA900-3LC - A-A9A ГОЛОВКА ЦИЛИНДРОВ ДВИГАТЕЛЬ
10
8
4
4
3
3
2
2
5
5
15
15
6
6
23
21
11
11
22
17
1
1
19
14
20
1
24
16
13
12
18
9
7
FIT
1:1
100%

Артикул

Название

Примечание

Количество

|$0

6216-11-1200

ASSEMBLY, CYLINDER HEAD

12шт.

1

6212-13-1150

PLUG, EXPANSION

12шт.

2

6210-41-4430

SPRING, VALVE

4шт.

3

6210-41-4440

SPRING, VALVE

4шт.

4

6210-41-4510

RETAINER, VALVE SPRING

4шт.

5

6210-41-4530

GUIDE, VALVE SPRING

4шт.

6

6212-41-4540

SEAL, VALVE STEM

4шт.

7

6216-44-4410

KIT, INTAKE VALVE

2шт.

8

6136-41-4520

COLLET, VALVE

2шт.

|$9

NSS

VALVE, INTAKE

1шт.

9

6216-44-4420

KIT, EXHAUST VALVE

2шт.

10

6136-41-4520

COLLET, VALVE

2шт.

|$12

NSS

VALVE, EXHAUST

1шт.

|$13

NSS

HEAD, CYLINDER

1шт.

11

6210-11-1140

GUIDE, VALVE CROSSHEAD

2шт.

12

6210-11-1150

SLEEVE

1шт.

13

6210-11-1321

INSERT, EXHAUST VALVE

2шт.

14

NSS

HEAD, CYLINDER

1шт.

15

6212-16-1440

GUIDE, VALVE STEM

4шт.

16

07000-73025

SEAL, O-RING

1шт.

17

07046-41810

PLUG, EXPANSION

1шт.

18

6216-11-1330

INSERT, INTAKE VALVE

2шт.

|$22

6732-21-1960

PLUG, THREADED (M10)

1шт.

19

NSS

PLUG, THREADED

1шт.

20

6215-81-9710

O-RING

1шт.

21

04020-00820

DOWEL, PIN

24шт.

22

01438-01020

BOLT (M10-1.75x120)

12шт.

23

6210-11-1610

BOLT (M16-2.00x162)

72шт.

24

6210-17-1814

GASKET, CYLINDER HEAD

12шт.

Выбрано товаров: 29