Запчасти Komatsu WA900-3LC H-A ПЕРЕКЛЮЧАТЕЛЬ НАСОС ЗАДН. НАСОС SUBASSEMBLY (заводской номер A- ) ГИДРАВЛИКА

Схема запчастей Komatsu WA900-3LC - H-A ПЕРЕКЛЮЧАТЕЛЬ НАСОС ЗАДН. НАСОС SUBASSEMBLY (заводской номер A- ) ГИДРАВЛИКА
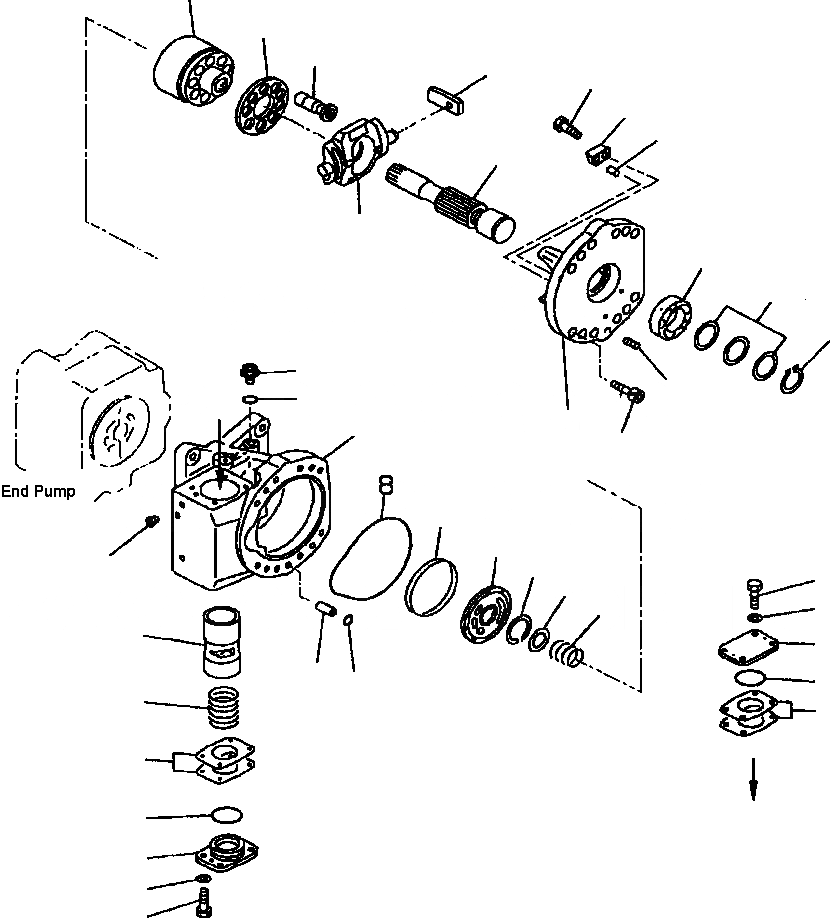
17
22
27
29
35
25
26
13
5
14
15
16
12
4
23
8
3
1
9
24
18
2
21
10
19
20
11
28
32
6
34
7
30
33
33
8
34
31
11
10
FIT
1:1
100%

Артикул

Название

Примечание

Количество

|$0

PUMP ASSEMBLY (SEE FIG. H1602-01A1 )

SN: A50023--UP

-1шт.

|$1

PUMP SUBASSEMBLY (SEE FIG. H1602-02A1 )

SN: A50023--UP

-1шт.

|$2

708-2L-05520

CASE ASSEMBLY, REAR

SN: A50023--UP

1шт.

1

NSS

CASE, REAR

SN: A50023--UP

1шт.

2

NSS

PLUG

SN: A50023--UP

8шт.

|$5

708-2L-05620

CRADLE ASSEMBLY, REAR

SN: A50023--UP

1шт.

|$6

708-2L-05720

CRADLE SUB-ASSEMBLY, REAR

SN: A50023--UP

1шт.

3

NSS

CRADLE, REAR

SN: A50023--UP

1шт.

4

NSS

PLUG

SN: A50023--UP

1шт.

5

708-2L-23460

CAM, ROCKER

SN: A50023--UP

1шт.

6

708-25-12330

JOINT

SN: A50023--UP

1шт.

7

07000-E2015

O-RING

SN: A50023--UP

1шт.

8

708-25-62360

O-RING

SN: A50023--UP

1шт.

9

708-25-12350

BOLT

SN: A50023--UP

12шт.

10

01016-51035

BOLT

SN: A50023--UP

8шт.

11

01643-31032

WASHER

SN: A50023--UP

8шт.

12

07044-12412

PLUG

SN: A50023--UP

2шт.

13

708-2L-22460

SHAFT

SN: A50023--UP

1шт.

14

708-2L-32150

BEARING

SN: A50023--UP

1шт.

15

708-2E-12160

WASHER

SN: A50023--UP

1шт.

|$20

708-2E-12170

WASHER

SN: A50023--UP

1шт.

|$21

708-2E-12180

WASHER

SN: A50023--UP

1шт.

|$22

708-2E-12190

WASHER

SN: A50023--UP

1шт.

16

708-2L-04151

RING, SNAP

SN: A50023--UP

1шт.

|$24

708-2L-33110

CYLINDER BLOCK ASSEMBLY

SN: A50023--UP

1шт.

17

708-2L-33221

BLOCK, CYLINDER

SN: A50023--UP

1шт.

18

708-2L-33221

PLATE, VALVE

SN: A50023--UP

1шт.

19

708-25-13120

WASHER, SNAP

SN: A50023--UP

1шт.

20

708-2L-33160

SPRING

SN: A50023--UP

1шт.

21

04065-04818

RING, SNAP

SN: A50023--UP

1шт.

22

708-2L-33340

RETAINER, SHOE

SN: A50023--UP

1шт.

23

07002-22434

O-RING

SN: A50023--UP

2шт.

24

708-25-13630

RING

SN: A50023--UP

1шт.

25

708-2L-23790

STOPPER

SN: A50023--UP

1шт.

26

04020-00616

PIN

SN: A50023--UP

1шт.

27

708-2L-33310

PISTON SUBASSEMBLY

SN: A50023--UP

9шт.

28

708-25-14211

PISTON

SN: A50023--UP

1шт.

29

708-2L-23730

SLIDER

SN: A50023--UP

1шт.

30

708-25-14130

SPRING

SN: A50023--UP

1шт.

31

708-25-14140

CAP

SN: A50023--UP

1шт.

32

708-25-64140

CAP

SN: A50023--UP

1шт.

33

708-25-14160

SHIM

SN: A50023--UP

2шт.

|$42

708-25-14170

SHIM

SN: A50023--UP

2шт.

|$43

708-25-14180

SHIM

SN: A50023--UP

2шт.

|$44

708-25-14190

SHIM

SN: A50023--UP

3шт.

34

07000-E2065

O-RING

SN: A50023--UP

2шт.

35

706-75-42270

SCREW

SN: A50023--UP

1шт.

NI

708-2L-23131

SEAT

SN: A50023--UP

1шт.

NI

708-2L-23360

PIN

SN: A50023--UP

3шт.

NI

708-2L-23351

GUIDE

SN: A50023--UP

1шт.

|$50

50

-1шт.

|$51

F2 - THICKNESSES AVAILABLE FOR PROPER PISTON TRAVEL

52

-1шт.

|$52

F2 - THICKNESSES AVAILABLE FOR PROPER PISTON TRAVEL

52

-1шт.

Выбрано товаров: 53