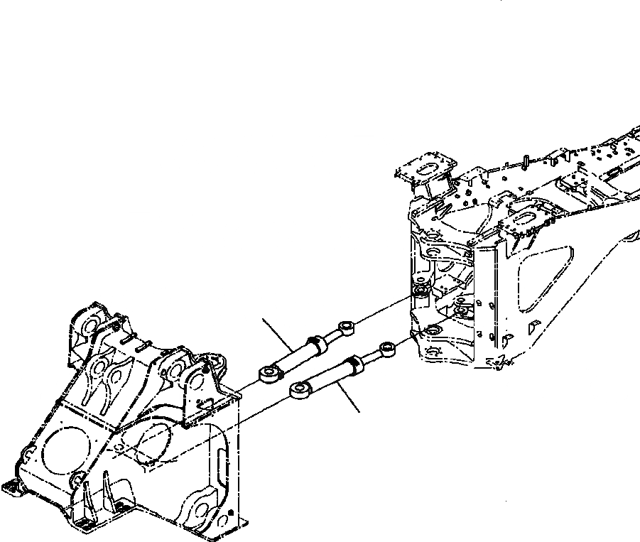
Запчасти Komatsu WA900-3LC J-A ЦИЛИНДР РУЛЕВ. УПР-ЯS ОСНОВНАЯ РАМА И ЕЕ ЧАСТИ

Схема запчастей Komatsu WA900-3LC - J-A ЦИЛИНДР РУЛЕВ. УПР-ЯS ОСНОВНАЯ РАМА И ЕЕ ЧАСТИ
1
1
FIT
1:1
100%

Артикул

Название

Примечание

Количество

1

CYLINDER, LEFT STEERING (SEE FIG. J4140-02A0 )

SN: A50001--UP

-1шт.

1

CYLINDER, RIGHT STEERING (SEE FIG. J4140-02A0 )

SN: A50001--UP

-1шт.

Выбрано товаров: 0