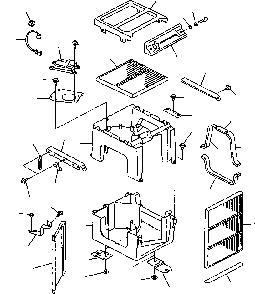
Запчасти Komatsu WA900-3LC K7-A КОНДИЦ. ВОЗДУХА ДЕМПФЕР OPERATORS ОБСТАНОВКА И СИСТЕМА УПРАВЛЕНИЯ

Схема запчастей Komatsu WA900-3LC - K7-A КОНДИЦ. ВОЗДУХА ДЕМПФЕР OPERATORS ОБСТАНОВКА И СИСТЕМА УПРАВЛЕНИЯ
19
24
18
31
23
13
11
12
20
22
14
12
16
16
28
30
29
6
17
27
5
26
26
15
25
16
9
10
21
1
8
4
7
3
3
32
2
FIT
1:1
100%

Артикул

Название

Примечание

Количество

|$0

425-07-21141

DAMPER ASSEMBLY

SN: A50001--UP

1шт.

1

ND017321-2131

CASE, AIR DAMPER

SN: A50001--UP

1шт.

2

ND116471-7180

BRACKET, CASE

SN: A50001--UP

2шт.

3

ND909300-6161

SCREW, TAPPING

SN: A50001--UP

12шт.

4

ND116471-7190

BRACKET, CASE

SN: A50001--UP

2шт.

5

ND017321-3070

CASE, AIR DAMPER

SN: A50001--UP

1шт.

6

ND909000-4161

SCREW, TAPPING

SN: A50001--UP

5шт.

7

ND116530-0710

DAMPER

SN: A50001--UP

1шт.

8

ND017732-4880

LEVER, CONTROL

SN: A50001--UP

1шт.

9

ND913700-4081

SCREW WITH WASHER

SN: A50001--UP

1шт.

10

ND146625-2630

BUSHING

SN: A50001--UP

1шт.

11

ND063700-5731

SERVO MOTOR

SN: A50001--UP

1шт.

12

ND909000-5161

SCREW, TAPPING

SN: A50001--UP

3шт.

13

ND246471-0200

WIRE

SN: A50001--UP

1шт.

14

ND116471-6662

BRACKET, CASE

SN: A50001--UP

1шт.

15

ND017773-0190

CLIP

SN: A50001--UP

1шт.

16

ND909400-5101

SCREW, TAPPING

SN: A50001--UP

11шт.

17

ND116471-6672

BRACKET, CASE

SN: A50001--UP

1шт.

18

ND146984-4030

GROMMET

SN: A50001--UP

1шт.

19

ND146370-5500

COVER

SN: A50001--UP

1шт.

20

ND014540-0280

FILTER

SN: A50001--UP

1шт.

21

ND014540-0290

FILTER

SN: A50001--UP

1шт.

22

ND146370-4911

COVER

SN: A50001--UP

1шт.

23

ND902050-6270

WASHER

SN: A50001--UP

2шт.

24

ND484923-0020

KNOB

SN: A50001--UP

2шт.

25

ND146648-1170

PACKING

SN: A50001--UP

1шт.

26

ND146648-1181

PACKING

SN: A50001--UP

2шт.

27

ND017231-0670

CLAMP

SN: A50001--UP

2шт.

28

ND146522-6190

BRACKET

SN: A50001--UP

1шт.

29

ND146648-6790

PACKING

SN: A50001--UP

1шт.

30

ND246634-8580

BRACKET

SN: A50001--UP

1шт.

31

ND905770-4001

E-RING

SN: A50001--UP

2шт.

32

ND146638-9501

PACKING

SN: A50001--UP

1шт.

Выбрано товаров: 0