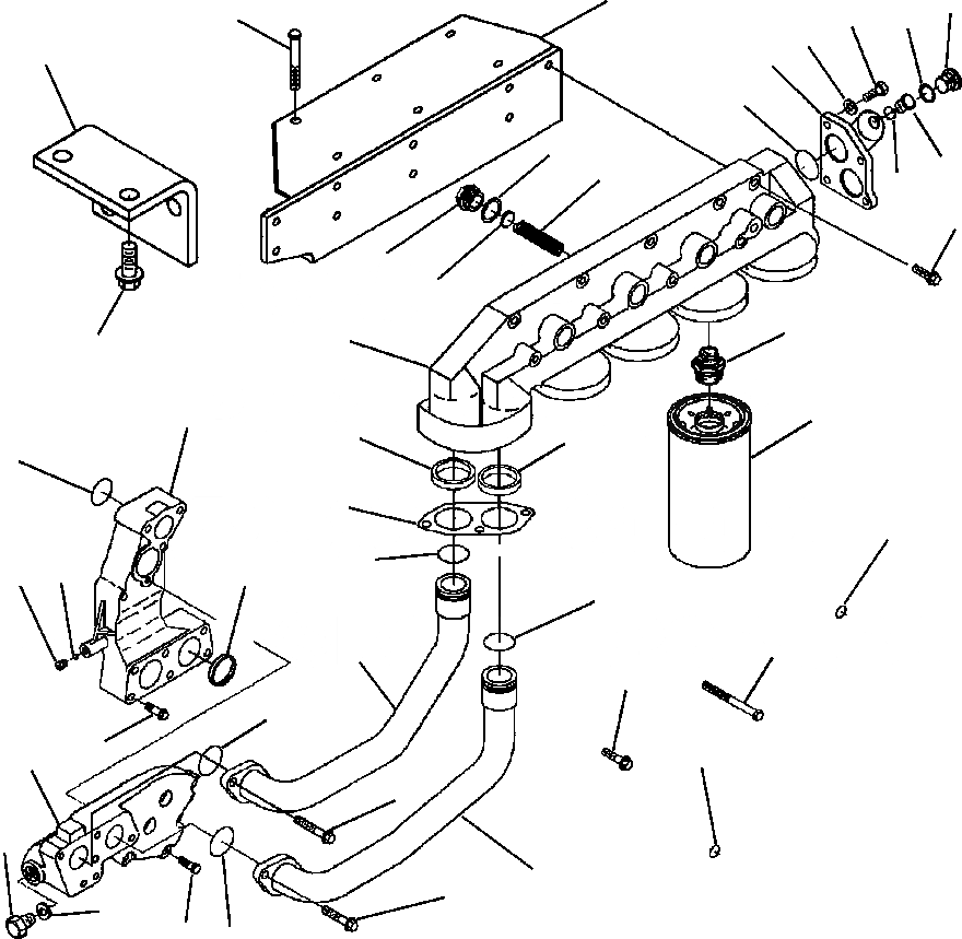
Запчасти Komatsu WA900-3LC A9-A7A8 МАСЛ. ФИЛЬТР ШАССИ SERIAL NUMBER A-A8 ДВИГАТЕЛЬ

Схема запчастей Komatsu WA900-3LC - A9-A7A8 МАСЛ. ФИЛЬТР ШАССИ SERIAL NUMBER A-A8 ДВИГАТЕЛЬ
3
20
21
9
25
30
4
23
28
29
32
22
31
10
27
19
24
26
15
36
41
6
6
11
5
13
2
34
33
35
2
14
7
40
12
42
37
18
38
17
8
39
16
1
12
FIT
1:1
100%

Артикул

Название

Примечание

Количество

1

6216-24-8710

BOLT (M10-1.50x30)

3шт.

2

6164-61-6340

O-RING

2шт.

3

6216-54-5430

BRACKET, FILTER

1шт.

4

6216-11-643A

BRACKET, CONNECTION

1шт.

5

6215-51-5650

PLATE, COVER

1шт.

6

6215-51-5690

SEAL, GROMMET

2шт.

7

6215-51-5771

TUBE, FILTER

1шт.

8

6215-51-5781

TUBE, FILTER

1шт.

9

01010-31060

BOLT (M10-1.50x60)

6шт.

10

01435-01035

BOLT (M10-1.50x35)

1шт.

11

07000-73040

O-RING

2шт.

12

07000-73045

O-RING

1шт.

13

07000-72018

O-RING

1шт.

14

01011-31005

BOLT (M10-1.50x105)

4шт.

15

6731-61-4250

BOLT (M10-1.50x25)

2шт.

16

6731-71-5860

WASHER, SEALING

1шт.

17

07040-11007

PLUG, THREADED

1шт.

18

07000-73042

O-RING

3шт.

|$18

6216-54-6420

HEAD, LUBRICATING OIL FILTER

1шт.

19

6216-54-7210

DISC, BY-PASS

4шт.

|$20

6216-14-6820

PLUG, THREADED

2шт.

20

NSS

PLUG, THREADED (M22-1.50)

1шт.

21

6216-14-6860

O-RING

1шт.

22

600-211-1870

SPRING, COMPRESSION

4шт.

23

6742-01-5149

PLATE, COVER

1шт.

24

6216-54-5550

ADAPTER, FILTER HEAD

4шт.

25

6216-84-6560

BOLT (M10-1.50x35)

4шт.

26

NSS

HEAD, LUBRICATING OIL FILTER

1шт.

27

6216-51-6420

PLUG, THREADED

4шт.

28

07000-E3045

O-RING

2шт.

29

07005-03016

WASHER, SEALING

4шт.

30

01640-21016

WASHER, BEVEL (M10)

16шт.

|$32

6735-21-1910

PLUG, THREADED

1шт.

31

6735-21-1930

O-RING

1шт.

32

NSS

PLUG, THREADED

1шт.

|$35

6732-21-1960

PLUG, THREADED

2шт.

33

NSS

PLUG, THREADED (M10)

1шт.

34

6215-81-9710

O-RING

1шт.

|$38

6216-51-5400

CONNECTION, OIL TRANSFER

1шт.

35

07046-44016

PLUG, EXPANSION

2шт.

36

NSS

CONNECTION, OIL TRANSFER

1шт.

37

6216-51-5350

CONNECTION, OIL TRANSFER

1шт.

38

01435-01095

BOLT (M10-1.50x95)

3шт.

39

01435-01085

BOLT (M10-1.50x85)

1шт.

40

01435-01075

BOLT (M10-1.50x75)

1шт.

41

6216-54-3120

ELEMENT, LUBRICATING OIL FILTER

4шт.

42

6731-61-4280

BOLT (M10-1.50x30)

6шт.

Выбрано товаров: 47