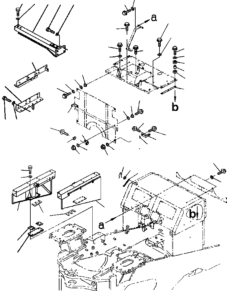
Запчасти Komatsu WA900-3LC M-A ОТСЕК ДВИГАТЕЛЯ(/) ЧАСТИ КОРПУСА

Схема запчастей Komatsu WA900-3LC - M-A ОТСЕК ДВИГАТЕЛЯ(/) ЧАСТИ КОРПУСА
32
34
9
9
9
32
32
8
11
10
12
32
39
14
20
16
21
22
15
40
19
13
28
20
21
29
24
30
29
18
23
32
20
22
22
21
17
31
25
5
6
26
4
27
32
1
2
33
3
7
35
36
37
38
41
42
FIT
1:1
100%

Артикул

Название

Примечание

Количество

1

427-54-21771

COVER, LEFT

SN: A50001--UP

1шт.

2

427-54-21444

COVER, RIGHT

SN: A50001--UP

1шт.

3

427-54-22370

SPACER

SN: A50001--UP

24шт.

4

41F-54-11120

BAR

SN: A50001--UP

2шт.

5

04052-10833

PIN

SN: A50001--UP

2шт.

6

01641-20812

WASHER

SN: A50001--UP

2шт.

7

427-54-22350

SPACER

SN: A50001--UP

10шт.

8

01010-81230

BOLT

SN: A50014--UP

4шт.

|$50

OR

8

-1шт.

8

01435-01225

BOLT

SN: A50001-A50013-UP

4шт.

9

01010-81230

BOLT

SN: A50014--UP

4шт.

|$51

OR

11

-1шт.

9

01435-01225

BOLT

SN: A50001-A50013-UP

4шт.

10

01435-00816

BOLT

SN: A50001--UP

4шт.

11

01435-01250

BOLT

SN: A50001--UP

6шт.

12

419-43-17920

WASHER

SN: A50001--UP

6шт.

13

427-54-21710

CUSHION

SN: A50001--UP

2шт.

14

427-54-21720

CUSHION

SN: A50001--UP

6шт.

15

427-54-21730

CUSHION

SN: A50001--UP

6шт.

16

427-54-21740

SPACER

SN: A50001--UP

6шт.

17

01010-81230

BOLT

SN: A50014--UP

8шт.

|$52

OR

21

-1шт.

17

01435-01225

BOLT

SN: A50001-A50013-UP

8шт.

18

01435-01245

BOLT

SN: A50001--UP

2шт.

19

01435-01235

BOLT

SN: A50001--UP

2шт.

20

427-54-11860

SPACER

SN: A50001--UP

6шт.

21

415-46-11380

CUSHION

SN: A50001--UP

6шт.

22

01640-22232

WASHER

SN: A50001--UP

6шт.

23

427-54-21411

PLATE

SN: A50001--UP

2шт.

24

01435-01230

BOLT

SN: A50001--UP

4шт.

25

01584-01210

NUT

SN: A50001--UP

2шт.

26

01010-81645

BOLT

SN: A50001--UP

8шт.

27

01643-31645

WASHER

SN: A50001--UP

8шт.

28

01435-01240

BOLT

SN: A50001--UP

6шт.

29

427-54-21670

BRACKET

SN: A50001--UP

2шт.

30

01010-81230

BOLT

SN: A50014--UP

2шт.

|$53

OR

36

-1шт.

30

01435-01230

BOLT

SN: A50001-A50013-UP

2шт.

31

01584-01210

NUT

SN: A50001--UP

2шт.

32

01643-31232

WASHER

SN: A50001--UP

26шт.

33

427-54-A2190

SHIM

SN: A50032--UP

6шт.

34

01010-81640

BOLT

SN: A50001--UP

2шт.

35

01643-31645

WASHER

SN: A50001--UP

2шт.

36

427-S95-4382

BRACKET REWORK (AUTO-GREASE)

SN: A50001--UP

1шт.

37

01010-81245

BOLT

SN: A50001--UP

4шт.

38

01643-31232

WASHER

SN: A50001--UP

4шт.

39

427-54-22341

BRACKET, R.H.

SN: A50001--UP

1шт.

40

427-54-22331

BRACKET, L.H.

SN: A50001--UP

1шт.

41

01010-81430

BOLT

SN: A50001--UP

28шт.

42

01643-31445

WASHER

SN: A50001--UP

28шт.

|$54

F1 - USE ITEMS 3 AND 7 IF GAP BETWEEN COVER MOUNTING PLATE AND SPACER IS MORE THAN 0.5 MM.

50

-1шт.

Выбрано товаров: 51