Запчасти Komatsu WA900-3LC A-A9A ТОПЛИВН. НАСОС ДВИГАТЕЛЬ

Схема запчастей Komatsu WA900-3LC - A-A9A ТОПЛИВН. НАСОС ДВИГАТЕЛЬ
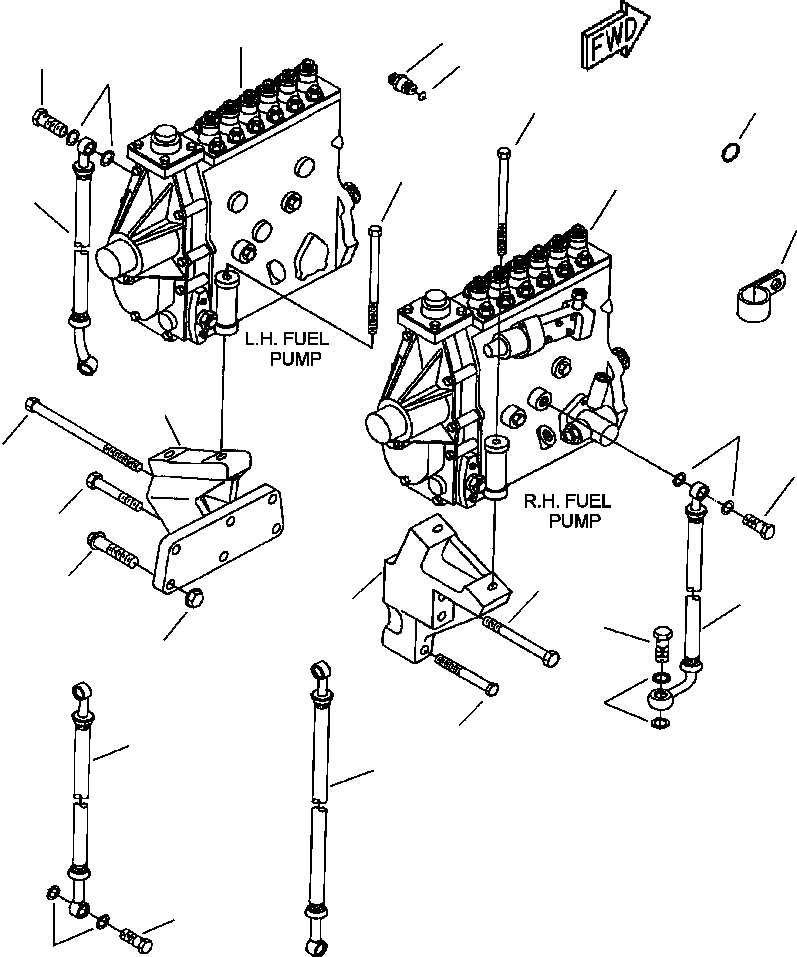
19
4
17
5
22
7
2
12
20
23
1
21
22
13
17
15
16
18
3
10
17
14
22
11
8
9
6
22
FIT
1:1
100%

Артикул

Название

Примечание

Количество

1

6735-71-8110

CLIP

1шт.

2

6216-74-7250

BOLT (M10-1.50x120)

1шт.

3

6216-74-7130

HOSE, FLEXIBLE

1шт.

|$3

6216-74-7350

ADAPTER, PLAIN

1шт.

4

NSS

ADAPTER, PLAIN

1шт.

5

6735-21-1930

SEAL, O-RING

1шт.

6

6127-71-5710

BOLT, BANJO CONNECTOR

2шт.

7

6216-74-6340

SEAL, O-RING

2шт.

8

6216-74-7310

HOSE, FLEXIBLE

1шт.

9

6216-74-7330

HOSE, FLEXIBLE

1шт.

10

6216-71-3172

BRACKET, PUMP

1шт.

11

6216-74-7260

BOLT (M10-1.50x80)

4шт.

12

01011-31060

BOLT (M10-1.50x160)

1шт.

13

01436-01000

BOLT (M10-1.50x100)

4шт.

14

6216-71-7210

NUT, HEX FLANGE

8шт.

15

01010-31065

BOLT (M10-1.50x65)

1шт.

16

01010-31095

BOLT (M10-1.50x95)

2шт.

17

07206-31014

BOLT, BANJO CONNECTOR (M10)

4шт.

18

6216-54-5540

BOLT (M10-1.50x55)

8шт.

19

6216-74-7140

PUMP, FUEL INJECTION L.H.

1шт.

20

6216-74-7150

PUMP, FUEL INJECTION R.H.

1шт.

21

6216-71-3150

BRACKET, PUMP

1шт.

22

6731-71-5880

WASHER, SEALING

15шт.

23

6216-74-8110

HOSE, FLEXIBLE

1шт.

Выбрано товаров: 0