Запчасти Komatsu WA900-3LC A9-A7A ТЕРМОСТАТ ДВИГАТЕЛЬ

Схема запчастей Komatsu WA900-3LC - A9-A7A ТЕРМОСТАТ ДВИГАТЕЛЬ
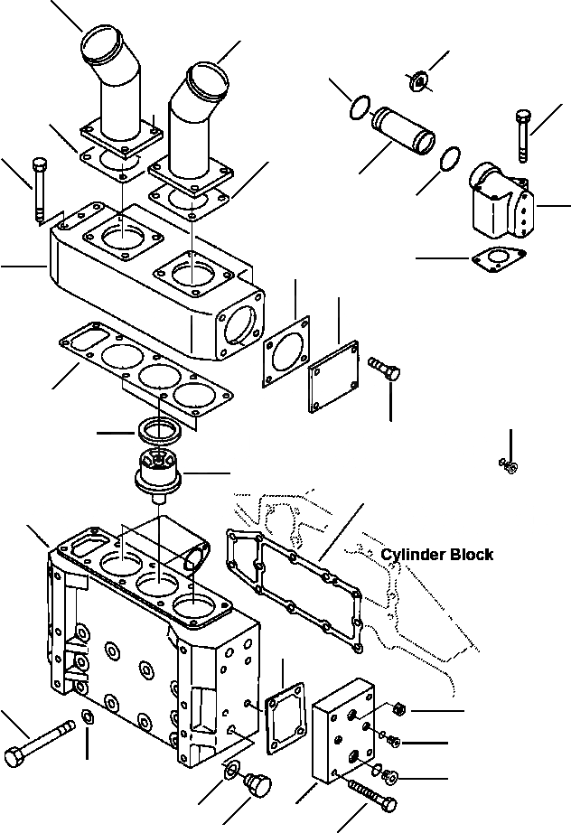
11
12
28
4
5
15
5
18
27
4
3
2
18
15
16
17
26
22
13
10
1
14
24
6
9
25
7
8
23
21
20
19
FIT
1:1
100%

Артикул

Название

Примечание

Количество

1

6215-11-6810

GASKET, HOUSING

1шт.

2

6215-61-6530

GASKET, WATER TRANSFER CONNECTION

1шт.

3

6215-61-7510

CONNECTION, WATER BYPASS

1шт.

4

07000-G3045

SEAL, O-RING

2шт.

5

01011-31010

BOLT (M10-1.50x10)

1шт.

6

01011-31220

BOLT (M12-1.75x20)

12шт.

7

01643-31232

WASHER, PLAIN (M12)

12шт.

|$7

6216-14-6120

HOUSING, THERMOSTAT ASSEMBLY

1шт.

8

6216-14-6820

PLUG, THREADED (M22)

1шт.

|$9

6216-14-6860

SEAL, O-RING

1шт.

9

6732-21-5540

PLUG, PIPE

1шт.

10

600-421-6630

THERMOSTAT

3шт.

11

6216-14-6520

CONNECTION, WATER OUTLET

1шт.

12

6216-14-6530

CONNECTION, WATER OUTLET

1шт.

13

6162-13-6440

SEAL, THERMOSTAT

3шт.

14

6215-61-5110

HOUSING, THERMOSTAT

1шт.

15

6215-61-5170

CASE, THERMOSTAT

1шт.

16

6215-11-6150

PLATE, COVER

1шт.

17

6215-11-6820

GASKET, HOUSING

1шт.

18

6215-11-6830

GASKET, COVER PLATE

3шт.

19

6216-84-6560

BOLT (M10-1.50x35)

4шт.

20

07040-11409

PLUG, THREADED

3шт.

21

6731-71-5880

WASHER, SEALING (M14)

3шт.

22

01011-31025

BOLT (M10-1.50x25)

8шт.

23

6216-14-6870

PLATE, COVER

1шт.

24

6210-21-1971

GASKET, COVER PLATE

1шт.

25

6735-21-1910

PLUG, THREADED

1шт.

|$27

6735-21-1930

SEAL, O-RING

1шт.

26

6732-21-1960

PLUG, THREADED (M10-1.00x9.5)

1шт.

|$29

6215-81-9710

SEAL, O-RING

1шт.

|$30

01010-31020

BOLT (M10-1.50x20)

4шт.

|$31

01011-31010

BOLT (M10-1.50x10)

1шт.

27

6215-61-7521

TUBE, WATER TRANSFER

1шт.

28

01641-01016

WASHER, PLAIN (M10)

1шт.

Выбрано товаров: 34