Качественные детали и логистика
Оригинальные и аналоговые запчасти с доставкой по России, Казахстану и Беларуси
©2022 PartSell ООО "Система" ИНН 2463123282 ОГРН 1212400004838
Центральный офис: г. Красноярск, Академика Киренского, д.87, пом.4
Телефон: 8 (800) 777-65-74 Email: zakaz@partsell.ru
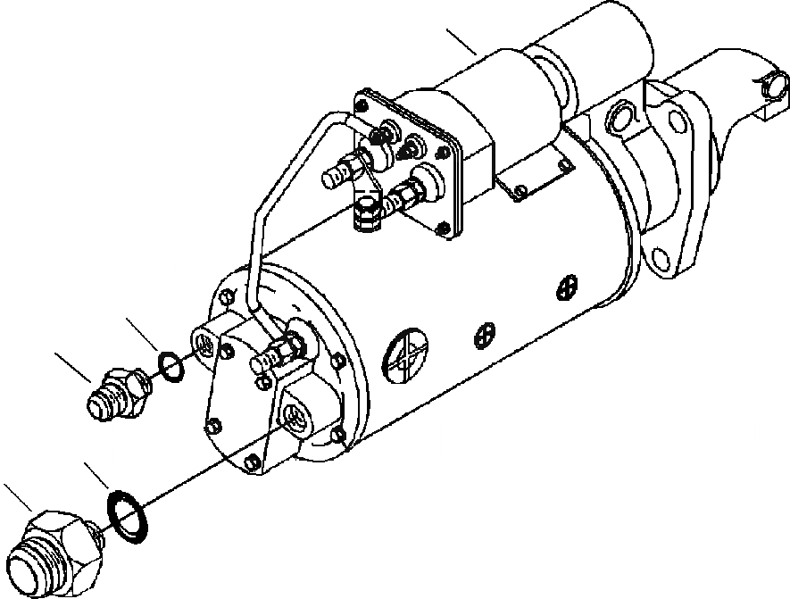
A-A7A8 СТАРТЕР PRE-СИСТЕМА СМАЗКИ СОЕДИН-ЕS
№
Артикул
Название
Примечание
Количество
|$0
6216-74-8150
UNION, MALE
1шт.
1
6735-21-4160
SEAL, O-RING
2
NSS
3
PRIMER, ENGINE LUBRICATING ( SEE FIG. A6112-A7A4 )
-1шт.
|$4
6216-84-6620
4
6216-74-6220
5
Выбрано товаров: 0