Запчасти Komatsu WA900-3LC C-A РАДИАТОР АКСЕССУАРЫ ГРУППА СИСТЕМА ОХЛАЖДЕНИЯ

Схема запчастей Komatsu WA900-3LC - C-A РАДИАТОР АКСЕССУАРЫ ГРУППА СИСТЕМА ОХЛАЖДЕНИЯ
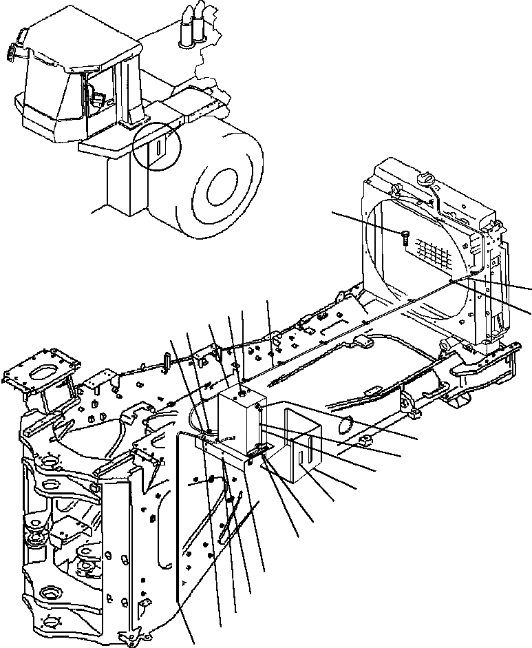
3
11
10
7
6
12
5
3
5
8
9
15
13
16
1
4
14
2
4
7
17
FIT
1:1
100%

Артикул

Название

Примечание

Количество

1

01010-81225

BOLT

SN: A50001--UP

8шт.

2

01010-81230

BOLT

SN: A50001--UP

4шт.

3

01435-01016

BOLT

SN: A50001--UP

3шт.

4

01643-31232

WASHER

SN: A50001--UP

12шт.

5

04434-51210

CLIP

SN: A50001--UP

12шт.

6

07093-20000

CAP

SN: A50017--UP

1шт.

|$19

OR

6

-1шт.

6

07053-10000

CAP

SN: A50001-50016-UP

1шт.

7

07281-10137

CLAMP

SN: A50001--UP

8шт.

8

208-04-19130

ELBOW

SN: A50001--UP

2шт.

9

208-04-19160

FLOAT, BALL

SN: A50001--UP

1шт.

10

426-Z84-3850

HOSE

SN: A50001--UP

1шт.

11

426-Z84-3870

JOINT

SN: A50001--UP

1шт.

12

427-03-22350

TANK

SN: A50001--UP

1шт.

13

427-03-22360

COVER

SN: A50001--UP

1шт.

14

427-03-22370

BRACKET

SN: A50001--UP

1шт.

15

427-03-22380

HOSE

SN: A50001--UP

1шт.

16

PLATE (SEE FIG. U0100-01A0 )

SN: A50001--UP

-1шт.

17

427-03-22480

HOSE

SN: A50001--UP

1шт.

Выбрано товаров: 0