Запчасти Komatsu WA900L-3 АВТОМАТИЧ. СМАЗ. (ЗАДН. ЛИНИЯ /) ОСНОВНАЯ РАМА И ЕЕ ЧАСТИ

Схема запчастей Komatsu WA900L-3 - АВТОМАТИЧ. СМАЗ. (ЗАДН. ЛИНИЯ /) ОСНОВНАЯ РАМА И ЕЕ ЧАСТИ
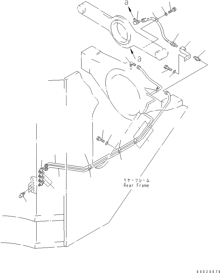
1
2
2
3
4
4
4
4
5
6
7
8
9
9
9
10
11
12
13
14
15
16
17
18
FIT
1:1
100%

Артикул

Название

Примечание

Количество

1

07020-00000

FITTING,GREASE

SN: 52001-UP

4шт.

2

07214-70710

CONNECTOR

SN: 52001-UP

4шт.

3

427-46-16114

TUBE

SN: 52001-UP

1шт.

4

425-70-13120

CLIP

SN: 52001-UP

5шт.

5

01010-81020

BOLT

SN: 52001-UP

5шт.

6

01643-31032

WASHER

SN: 52001-UP

5шт.

7

07217-70712

ELBOW

SN: 52001-UP

1шт.

8

427-46-16123

TUBE

SN: 52001-UP

1шт.

9

425-70-13120

CLIP

SN: 52001-UP

4шт.

10

07214-70710

CONNECTOR

SN: 52001-UP

1шт.

11

427-46-16190

BRACKET

SN: 52001-UP

1шт.

12

01010-81020

BOLT

SN: 52001-UP

2шт.

13

01643-31032

WASHER

SN: 52001-UP

2шт.

14

427-46-16230

HOSE

SN: 52001-UP

1шт.

15

424-06-12730

CLIP

SN: 52001-UP

1шт.

16

01010-81020

BOLT

SN: 52001-UP

1шт.

17

01643-31032

WASHER

SN: 52001-UP

1шт.

18

426-70-13270

ELBOW

SN: 52001-UP

1шт.

Выбрано товаров: 18