Запчасти Komatsu WA900L-3 СУППОРТ (С АВТОМАТИЧ. СМАЗКОЙ) КАБИНА ОПЕРАТОРА И СИСТЕМА УПРАВЛЕНИЯ

Схема запчастей Komatsu WA900L-3 - СУППОРТ (С АВТОМАТИЧ. СМАЗКОЙ) КАБИНА ОПЕРАТОРА И СИСТЕМА УПРАВЛЕНИЯ
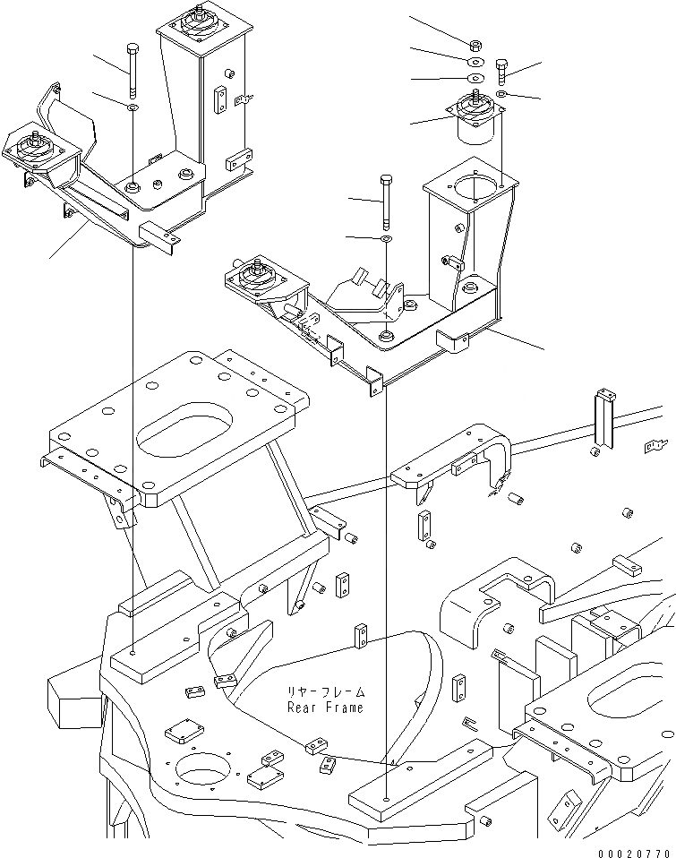
1
2
3
3
4
4
5
6
7
8
9
10
FIT
1:1
100%

Артикул

Название

Примечание

Количество

1

427-S95-4531

SUPPORT,L.H.

SN: 52001-UP

1шт.

2

427-54-23140

SUPPORT,R.H.

SN: 52001-UP

1шт.

3

01011-81670

BOLT

SN: 52001-UP

6шт.

4

01643-31645

WASHER

SN: 52001-UP

6шт.

5

425-54-23130

MOUNT ASS'Y,VISCOUS

SN: 52001-UP

4шт.

6

01010-81035

BOLT

SN: 52001-UP

16шт.

7

01643-31032

WASHER

SN: 52001-UP

16шт.

8

421-54-23260

PLATE

SN: 52001-UP

4шт.

9

425-70-11290

WASHER

SN: 52001-UP

4шт.

10

01596-01615

NUT,LOCK

SN: 52001-UP

4шт.

Выбрано товаров: 10