Запчасти Komatsu WR11-1 ПЕРЕДН. РАМА РАМА И ЧАСТИ КОРПУСА

Схема запчастей Komatsu WR11-1 - ПЕРЕДН. РАМА РАМА И ЧАСТИ КОРПУСА
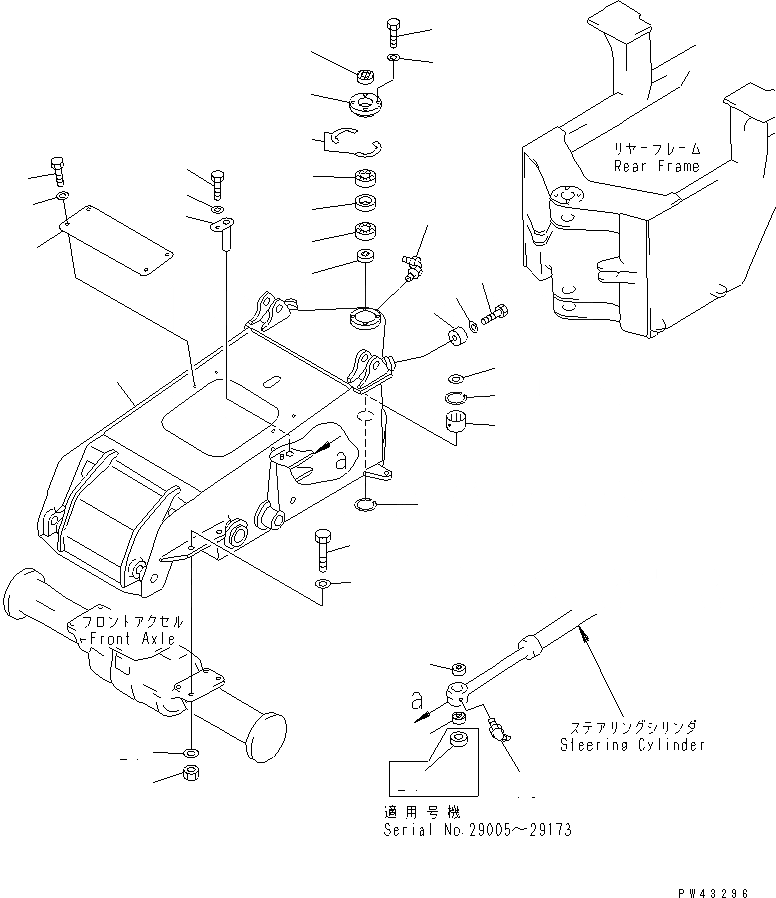
1
2
3
3
4
5
6
7
8
9
9
10
11
11
12
13
14
15
16
17
18
19
20
20
21
22
23
24
25
26
27
27
FIT
1:1
100%

Артикул

Название

Примечание

Количество

1

41H-46-11114

FRAME,FRONT

SN: 29144-UP

1шт.

1

0

FRAME,FRONT

SN: 29005-29143

1шт.

1

41H-879-1631

FRAME,FRONT (FOR MULTI COUPLER)

SN: 29005-UP

1шт.

2

07020-00900

FITTING,GREASE

SN: 29005-UP

1шт.

3

417-46-11120

BEARING

SN: 29005-UP

2шт.

4

417-46-11210

SPACER

SN: 29005-UP

1шт.

5

417-46-11340

SHIM, 0.1MM

SN: 29005-UP

6шт.

5

417-46-11330

SHIM, 0.5MM

SN: 29005-UP

6шт.

6

417-46-11220

RETAINER

SN: 29005-UP

1шт.

7

01010-31030

BOLT

SN: 29005-UP

4шт.

8

01643-31032

WASHER

SN: 29005-UP

4шт.

9

417-46-11230

SEAL,DUST

SN: 29005-UP

2шт.

10

417-46-11250

BEARING,ROLLER

SN: 29005-UP

1шт.

11

417-46-11260

RING,SNAP

SN: 29005-UP

2шт.

12

417-46-11270

WASHER

SN: 29005-UP

1шт.

13

416-46-11210

BUMPER

SN: 29005-UP

2шт.

14

01010-51225

BOLT

SN: 29005-UP

2шт.

15

01643-31232

WASHER

SN: 29005-UP

2шт.

16

41H-46-14120

COVER

SN: 29005-UP

1шт.

17

01010-51230

BOLT

SN: 29005-UP

4шт.

18

01643-31232

WASHER

SN: 29005-UP

4шт.

19

07020-00675

FITTING,GREASE

SN: 29005-UP

2шт.

20

07145-00035

SEAL,DUST

SN: 29005-UP

4шт.

21

417-46-12270

SPACER

SN: 29005-29173

2шт.

22

416-46-12242

PIN

SN: 29005-UP

2шт.

23

01010-51220

BOLT

SN: 29005-UP

2шт.

24

175-54-34170

WASHER

SN: 29005-UP

2шт.

25

01010-32480

BOLT

SN: 29005-UP

8шт.

26

01580-02419

NUT

SN: 29005-UP

8шт.

27

01643-32460

WASHER

SN: 29005-UP

16шт.

Выбрано товаров: 30