Запчасти Komatsu WR11-3 LUMBER ЗАХВАТ (/) (ДЛЯ СОЕДИНИТ. УСТР-ВО) РАБОЧЕЕ ОБОРУДОВАНИЕ

Схема запчастей Komatsu WR11-3 - LUMBER ЗАХВАТ (/) (ДЛЯ СОЕДИНИТ. УСТР-ВО) РАБОЧЕЕ ОБОРУДОВАНИЕ
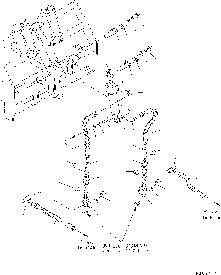
1
2
3
4
4
5
5
6
6
7
7
8
8
9
10
11
11
12
12
13
13
14
14
15
15
16
16
17
18
19
20
21
22
22
23
23
FIT
1:1
100%

Артикул

Название

Примечание

Количество

1

707-00-80330

CYLINDER ASS'Y

SN: 53001-UP

1шт.

2

415-70-11910

PIN

SN: 53001-UP

1шт.

3

415-881-1190

PIN

SN: 53001-UP

1шт.

4

01010-31220

BOLT

SN: 53001-UP

2шт.

5

175-54-34170

WASHER

SN: 53001-UP

2шт.

6

07020-00000

FITTING,GREASE

SN: 53001-UP

2шт.

7

41H-914-1210

HOSE

SN: 53001-UP

2шт.

8

41H-914-1250

JOINT,SWIVEL

SN: 53001-UP

2шт.

9

41H-914-1260

TUBE,R.H.

SN: 53001-UP

1шт.

10

41H-914-1270

TUBE,L.H.

SN: 53001-UP

1шт.

11

01010-61020

BOLT

SN: 53001-UP

4шт.

12

01643-31032

WASHER

SN: 53001-UP

4шт.

|13

417-915-1330

JOINT ASS'Y

SN: 53001-UP

2шт.

13

417-915-1340

ADAPTER

SN: 53001-UP

1шт.

14

417-915-1350

COUPLING

SN: 53001-UP

1шт.

15

41H-914-1230

CAP

SN: 53001-UP

2шт.

16

41H-914-1240

PLUG

SN: 53001-UP

2шт.

17

41H-914-1220

HOSE

SN: 53001-UP

1шт.

18

417-915-1420

HOSE

SN: 53001-UP

1шт.

19

198-904-4190

CLAMP

SN: 53001-UP

1шт.

20

01010-60816

BOLT

SN: 53001-UP

2шт.

21

01643-30823

WASHER

SN: 53001-UP

2шт.

22

07235-10422

ELBOW

SN: 53001-UP

2шт.

23

07002-12034

O-RING

SN: 53001-UP

2шт.

Выбрано товаров: 24