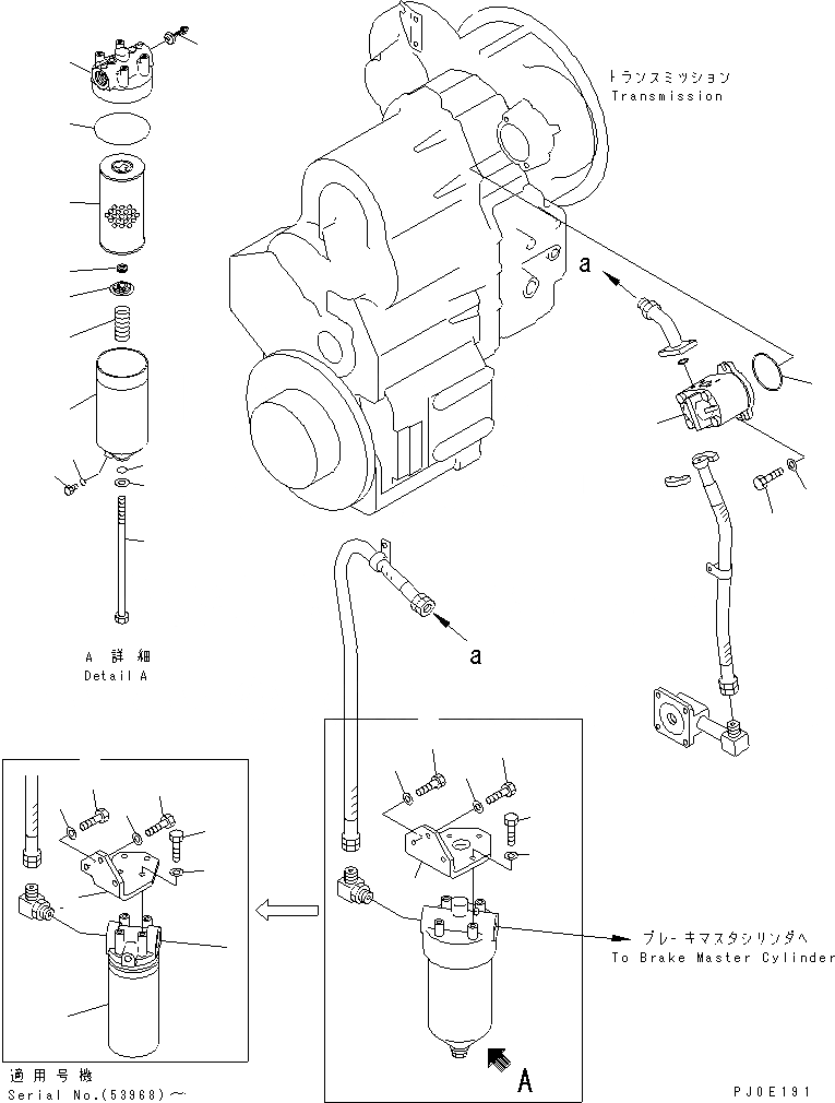
Запчасти Komatsu WR11-3 НАСОС ТРАНСМИССИИ ГИДРОТРАНСФОРМАТОР И ТРАНСМИССИЯ

Схема запчастей Komatsu WR11-3 - НАСОС ТРАНСМИССИИ ГИДРОТРАНСФОРМАТОР И ТРАНСМИССИЯ
1
2
3
4
5
5
6
6
7
7
8
8
8
8
9
9
10
10
11
11
11
11
12
13
14
15
16
17
18
19
20
21
22
23
FIT
1:1
100%

Артикул

Название

Примечание

Количество

|$$1

SERIAL NO. IN ( ) INDICATES TRANSMISSION SERIAL NO.

-1шт.

|1

416-15-21080

TRANSMISSION ASS'Y

SN: 53001-UP

1шт.

|$$3

THIS ASSEMBLY CONSISTS OF ALL PARTS SHOWN IN FIGS.F4350-51A0 TO F4350-62A0.

-1шт.

1

705-73-29010

PUMP ASS'Y

SN: 53001-UP

1шт.

2

07000-02085

O-RING (K1)

SN: 53001-UP

1шт.

3

01010-81030

BOLT

SN: 53001-UP

2шт.

4

01643-31032

WASHER

SN: 53001-UP

2шт.

5

417-15-14590

SUPPORT

SN: (53968)-UP

1шт.

|5

417-15-14580

SUPPORT

SN: 53001-(53967)

1шт.

6

01010-81235

BOLT

SN: 53001-UP

2шт.

7

01010-81295

BOLT

SN: 53001-UP

1шт.

8

01643-31232

WASHER

SN: 53001-UP

3шт.

9

01010-81035

BOLT

SN: 53001-UP

4шт.

10

01643-31032

WASHER

SN: 53001-UP

4шт.

11

714-07-28701

FILTER ASS'Y

SN: (54126)-UP

1шт.

|11

714-07-28700

FILTER ASS'Y

SN: (53968)-(54125)

1шт.

|11

419-15-14800

FILTER ASS'Y

SN: 53001-(53967)

1шт.

|11

714-07-28711

CARTRIDGE

SN: (54126)-UP

1шт.

|11

714-07-28710

CARTRIDGE ASS'Y

SN: (53968)-(54125)

1шт.

11

424-16-11140

ELEMENT

SN: 53001-(53967)

1шт.

|12

419-15-14880

COVER ASS'Y,HEAD

SN: 53001-(53967)

1шт.

12

0

COVER,HEAD

SN: 53001-(53967)

1шт.

13

424-16-11180

VALVE

SN: 53001-(53967)

1шт.

14

419-15-14820

CASE

SN: 53001-(53967)

1шт.

15

424-16-11130

O-RING (K3)

SN: 53001-(53967)

1шт.

16

419-15-14830

BOLT,CENTER

SN: 53001-(53967)

1шт.

17

419-15-14850

WASHER

SN: 53001-(53967)

1шт.

18

419-15-14860

O-RING (K3)

SN: 53001-(53967)

1шт.

19

424-16-11190

SPRING

SN: 53001-(53967)

1шт.

20

419-15-14870

GASKET (K3)

SN: 53001-(53967)

1шт.

21

419-15-14840

PLATE

SN: 53001-(53967)

1шт.

22

07040-11209

PLUG

SN: 53001-(53967)

1шт.

23

07002-01223

O-RING (K3)

SN: 53001-(53967)

1шт.

Выбрано товаров: 33