Запчасти Komatsu WR11SS-1 ГИДРОЛИНИЯ (ЛИНИЯ ГИДРОЦИЛИНДРА ПОДЪЕМА /) (/) УПРАВЛ-Е РАБОЧИМ ОБОРУДОВАНИЕМ

Схема запчастей Komatsu WR11SS-1 - ГИДРОЛИНИЯ (ЛИНИЯ ГИДРОЦИЛИНДРА ПОДЪЕМА /) (/) УПРАВЛ-Е РАБОЧИМ ОБОРУДОВАНИЕМ
FIT
1:1
100%

Артикул

Название

Примечание

Количество

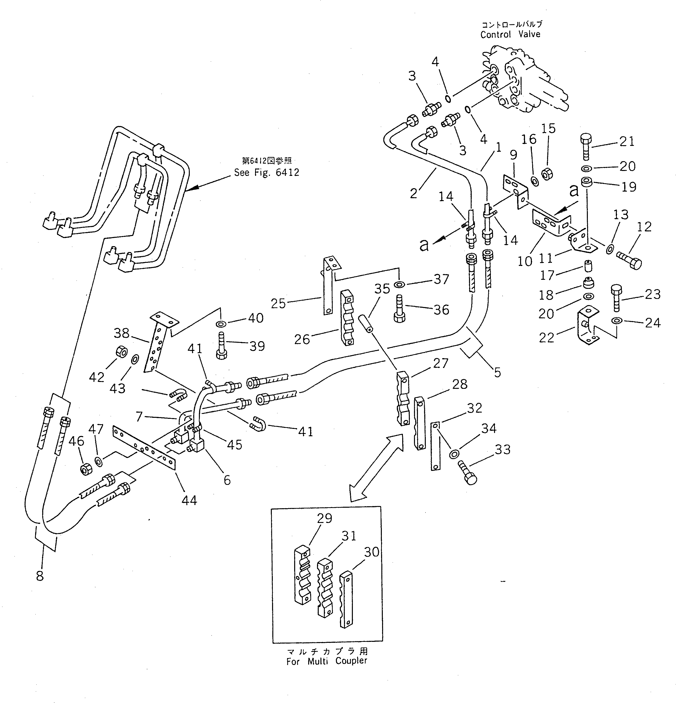
1

417-62-13321

TUBE

SN: 29005-UP

1шт.

2

417-62-13262

TUBE

SN: 29005-UP

1шт.

3

07230-10628

UNION

SN: 29005-UP

2шт.

4

07002-12434

O-RING

SN: 29005-UP

2шт.

5

07123-00614

HOSE

SN: 29005-UP

2шт.

6

41H-62-13121

TUBE

SN: 29005-UP

1шт.

7

41H-62-13111

TUBE

SN: 29005-UP

1шт.

8

07123-00610

HOSE

SN: 29005-UP

2шт.

9

417-62-13850

PLATE

SN: 29005-UP

1шт.

10

417-62-13483

PLATE

SN: 29005-UP

1шт.

11

416-877-1480

BRACKET

SN: 29005-UP

1шт.

12

01010-31240

BOLT

SN: 29005-UP

1шт.

13

01643-31232

WASHER

SN: 29005-UP

1шт.

14

07283-32738

CLIP

SN: 29005-UP

2шт.

15

426-09-11160

NUT

SN: 29005-UP

4шт.

16

01643-31032

WASHER

SN: 29005-UP

4шт.

17

417-54-14130

SPACER

SN: 29174-UP

1шт.

17

417-54-13470

SPACER

SN: 29005-29173

1шт.

18

419-43-17930

CUSHION

SN: 29005-UP

1шт.

19

417-62-13620

CUSHION

SN: 29005-UP

1шт.

20

419-43-17920

WASHER

SN: 29005-UP

2шт.

21

01010-31250

BOLT

SN: 29005-UP

1шт.

22

416-62-13230

BRACKET

SN: 29005-UP

1шт.

23

01010-51230

BOLT

SN: 29005-UP

2шт.

24

01643-31232

WASHER

SN: 29005-UP

2шт.

25

417-62-13541

BRACKET

SN: 29005-UP

1шт.

26

416-877-1361

STRIP

SN: 29005-UP

1шт.

26

416-877-1371

STRIP

SN: 29005-UP

1шт.

27

416-877-1390

STRIP

SN: 29005-UP

1шт.

28

416-877-1381

STRIP

SN: 29005-UP

1шт.

29

416-844-1550

STRIP ASS'Y,(FOR MULTI COUPLER)

SN: 29005-UP

1шт.

29

416-844-1630

STRIP

SN: 29005-UP

1шт.

30

416-844-1650

STRIP

SN: 29005-UP

1шт.

31

416-844-1640

STRIP

SN: 29005-UP

1шт.

32

417-62-13550

PLATE

SN: 29005-UP

1шт.

33

01011-51240

BOLT

SN: 29005-UP

2шт.

34

01643-31232

WASHER

SN: 29005-UP

2шт.

35

416-877-1410

SPACER

SN: 29005-UP

2шт.

36

01010-31230

BOLT

SN: 29005-UP

2шт.

37

01643-31232

WASHER

SN: 29005-UP

2шт.

38

41H-62-13412

BRACKET

SN: 29005-UP

1шт.

39

01010-51240

BOLT

SN: 29005-UP

2шт.

40

01643-31232

WASHER

SN: 29005-UP

2шт.

41

07283-32738

CLIP

SN: 29005-UP

2шт.

42

426-09-11160

NUT

SN: 29005-UP

4шт.

43

01643-31032

WASHER

SN: 29005-UP

4шт.

44

41H-62-13580

PLATE

SN: 29005-UP

1шт.

45

07283-32738

CLIP

SN: 29005-UP

2шт.

46

426-09-11160

NUT

SN: 29005-UP

4шт.

47

01643-31032

WASHER

SN: 29005-UP

4шт.

Выбрано товаров: 50