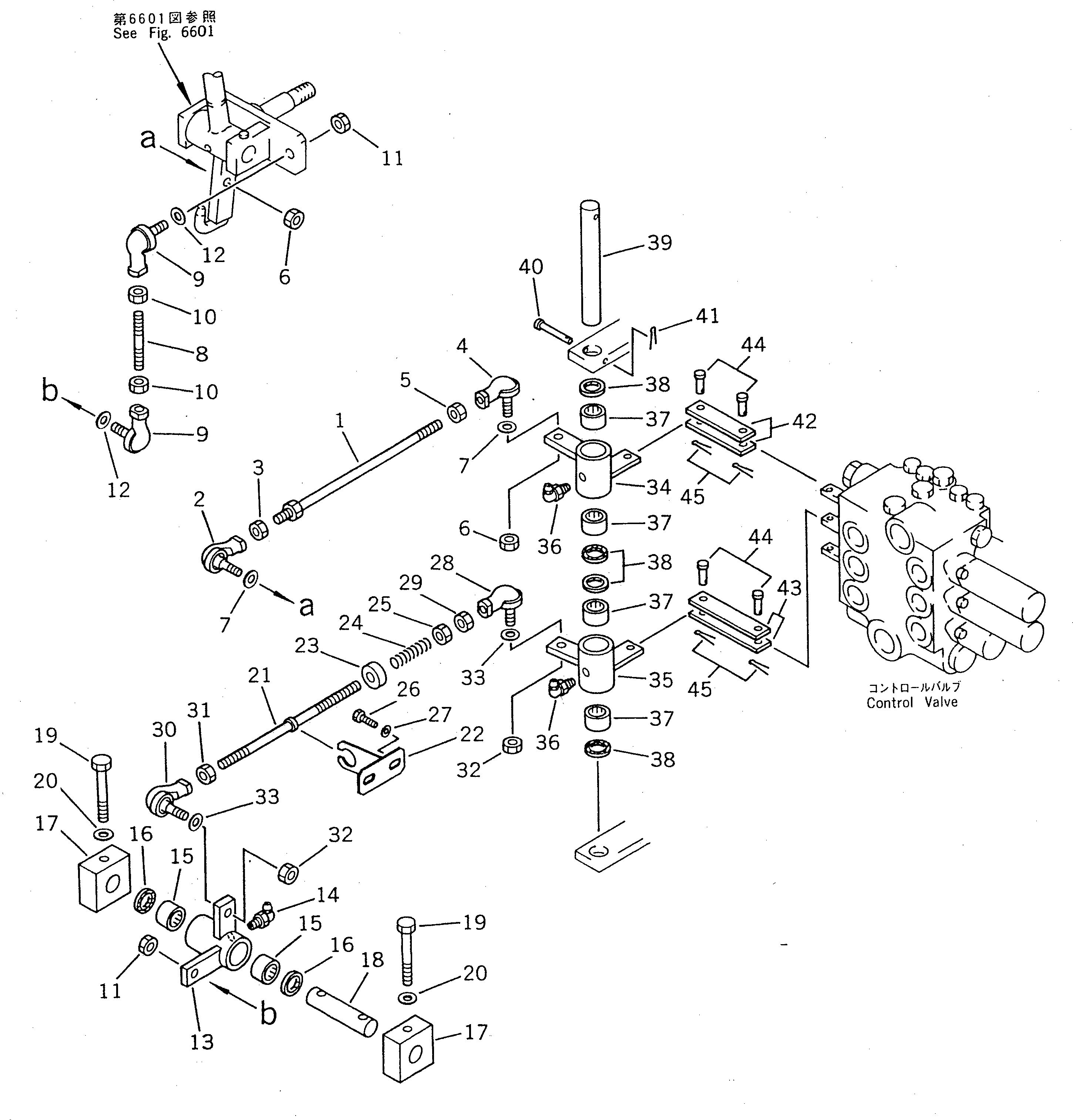
Запчасти Komatsu WR11SS-1 LIFT И МЕхАНИЗМ УПРАВЛ-Я РАЗГРУЗКОЙ УПРАВЛ-Е РАБОЧИМ ОБОРУДОВАНИЕМ

Схема запчастей Komatsu WR11SS-1 - LIFT И МЕхАНИЗМ УПРАВЛ-Я РАЗГРУЗКОЙ УПРАВЛ-Е РАБОЧИМ ОБОРУДОВАНИЕМ
FIT
1:1
100%

Артикул

Название

Примечание

Количество

1

04248-31027

ROD

SN: 29005-UP

1шт.

2

417-09-12140

JOINT,BALL

SN: 29005-UP

1шт.

3

01582-01008

NUT

SN: 29005-UP

1шт.

4

417-09-12160

JOINT,BALL, L.H. THREAD

SN: 29005-UP

1шт.

5

01508-21006

NUT,L.H. THREAD

SN: 29005-UP

1шт.

6

426-09-11160

NUT

SN: 29005-UP

2шт.

7

01643-31032

WASHER

SN: 29005-UP

2шт.

8

04245-41008

ROD

SN: 29005-UP

1шт.

9

417-09-12140

JOINT,BALL

SN: 29005-UP

2шт.

10

01582-01008

NUT

SN: 29005-UP

2шт.

11

426-09-11160

NUT

SN: 29005-UP

2шт.

12

01643-31032

WASHER

SN: 29005-UP

2шт.

13

417-43-18211

LEVER

SN: 29005-UP

1шт.

14

07020-00900

FITTING,GREASE

SN: 29005-UP

1шт.

15

06120-02016

BEARING,NEEDLE

SN: 29005-UP

2шт.

16

06122-02004

SEAL,BEARING

SN: 29005-UP

2шт.

17

419-43-18150

PLATE

SN: 29005-UP

2шт.

18

417-43-18220

PIN

SN: 29005-UP

1шт.

19

01010-31070

BOLT

SN: 29005-UP

2шт.

20

01643-31032

WASHER

SN: 29005-UP

2шт.

21

417-43-18361

ROD

SN: 29005-UP

1шт.

22

417-43-18370

BRACKET

SN: 29005-UP

1шт.

23

417-43-18380

GUIDE

SN: 29005-UP

1шт.

24

417-43-18390

SPRING

SN: 29005-UP

1шт.

25

01599-01011

NUT

SN: 29005-UP

1шт.

26

01010-50620

BOLT

SN: 29005-UP

2шт.

27

01643-30623

WASHER

SN: 29005-UP

2шт.

28

417-09-12160

JOINT,BALL, L.H. THREAD

SN: 29005-UP

1шт.

29

01508-21006

NUT,L.H. THREAD

SN: 29005-UP

1шт.

30

417-09-12140

JOINT,BALL

SN: 29005-UP

1шт.

31

01582-01008

NUT

SN: 29005-UP

1шт.

32

426-09-11160

NUT

SN: 29005-UP

2шт.

33

01643-31032

WASHER

SN: 29005-UP

2шт.

34

417-43-18142

LEVER

SN: 29005-UP

1шт.

35

417-43-18231

LEVER

SN: 29005-UP

1шт.

36

07020-00900

FITTING,GREASE

SN: 29005-UP

2шт.

37

06120-02016

BEARING,NEEDLE

SN: 29005-UP

4шт.

38

06122-02004

SEAL,BEARING

SN: 29005-UP

4шт.

39

417-43-18160

PIN

SN: 29005-UP

1шт.

40

20T-26-11220

PIN

SN: 29005-UP

1шт.

41

04050-11612

PIN,COTTER

SN: 29005-UP

1шт.

42

417-43-18150

PLATE

SN: 29005-UP

2шт.

43

417-43-18240

PLATE

SN: 29005-UP

2шт.

44

04205-10825

PIN

SN: 29005-UP

4шт.

45

04050-12015

PIN,COTTER

SN: 29005-UP

4шт.

Выбрано товаров: 45