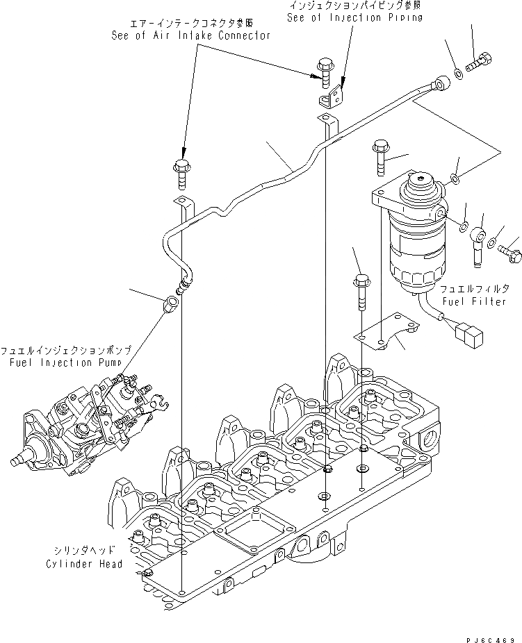
Запчасти Komatsu 6D102E-1F ТОПЛИВН. ФИЛЬТР. КРЕПЛЕНИЕ(№7-) ДВИГАТЕЛЬ

Схема запчастей Komatsu 6D102E-1F - ТОПЛИВН. ФИЛЬТР. КРЕПЛЕНИЕ(№7-) ДВИГАТЕЛЬ
1
2
3
3
4
5
5
6
7
8
8
9
FIT
1:1
100%

Артикул

Название

Примечание

Количество

1

6141-71-1710

JOINT

SN: 26237333-UP

1шт.

2

6204-73-5710

BOLT

SN: 26237333-UP

1шт.

3

07005-01412

GASKET

SN: 26237333-UP

2шт.

4

6734-71-6710

BRACKET

SN: 26237333-UP

1шт.

5

6732-61-6140

BOLT

SN: 26237333-UP

4шт.

6

6734-71-5560

TUBE

SN: 26237333-UP

1шт.

7

07206-31014

BOLT,JOINT

SN: 26237333-UP

1шт.

8

07005-01412

GASKET

SN: 26237333-UP

2шт.

9

6734-71-5570

ADAPTER

SN: 26237333-UP

1шт.

Выбрано товаров: 9