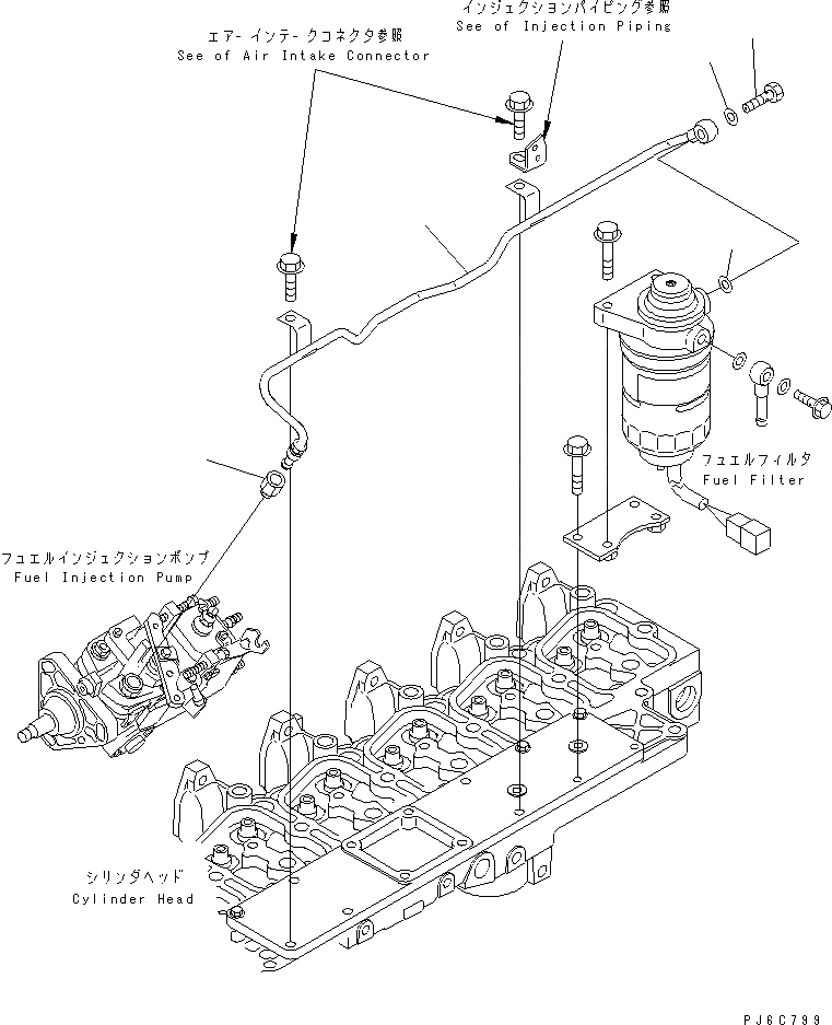
Запчасти Komatsu 6D102E-1F-C1 ТРУБЫ ТОПЛ. ФИЛЬТРА(№8-7) ДВИГАТЕЛЬ

Схема запчастей Komatsu 6D102E-1F-C1 - ТРУБЫ ТОПЛ. ФИЛЬТРА(№8-7) ДВИГАТЕЛЬ
1
2
3
3
4
FIT
1:1
100%

Артикул

Название

Примечание

Количество

1

6734-71-5560

TUBE

SN: 26215803-26237332

1шт.

2

07206-31014

BOLT,JOINT

SN: 26215803-26237332

1шт.

3

07005-01412

GASKET

SN: 26215803-26237332

2шт.

4

6734-71-5570

ADAPTER

SN: 26215803-26237332

1шт.

Выбрано товаров: 4