Запчасти Komatsu 4JG2-1-F ГЕНЕРАТОР (HITACHI) ДВИГАТЕЛЬ

Схема запчастей Komatsu 4JG2-1-F - ГЕНЕРАТОР (HITACHI) ДВИГАТЕЛЬ
FIT
1:1
100%

Артикул

Название

Примечание

Количество

|$0

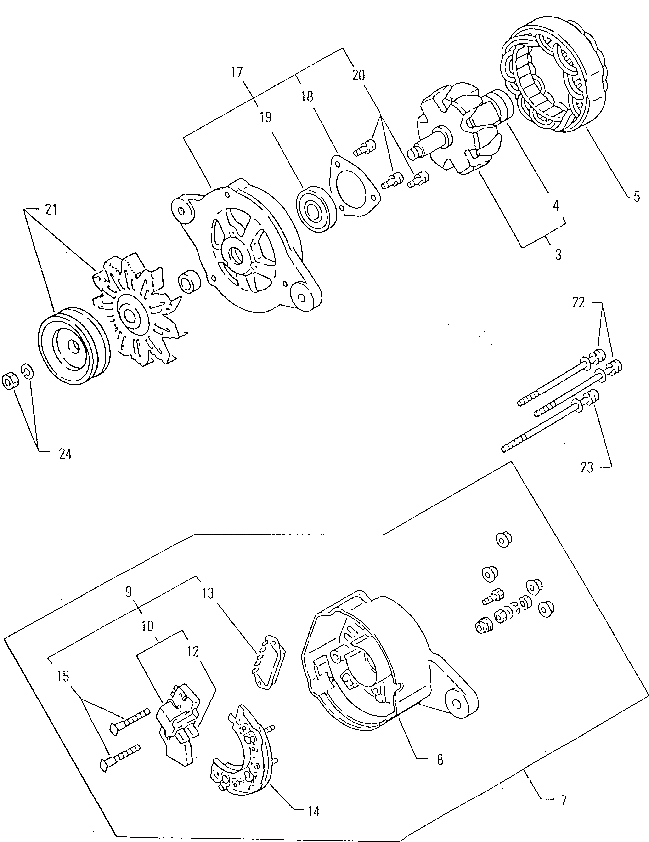
8-94423-756-0

GENERATOR ASS'Y

SN: J130001-UP

1шт.

3

5-81221-063-0

ROTOR ASS'Y

SN: J130001-UP

1шт.

4

9-0009-0181-0

BEARING,BALL

SN: J130001-UP

1шт.

5

5-81211-058-0

STATOR ASS'Y

SN: J130001-UP

1шт.

7

5-81214-131-0

COVER ASS'Y,REAR

SN: J130001-UP

1шт.

8

5-81214-132-0

COVER

SN: J130001-UP

1шт.

9

5-81219-036-0

REGULATOR ASS'Y,BRUSH

SN: J130001-UP

1шт.

10

5-81215-046-0

BRUSH ASS'Y

SN: J130001-UP

1шт.

12

5-81215-040-0

BRUSH

SN: J130001-UP

2шт.

13

5-81270-004-0

REGULATOR

SN: J130001-UP

1шт.

14

5-81262-005-0

DIODE ASS'Y

SN: J130001-UP

1шт.

15

5-81229-166-0

BOLT

SN: J130001-UP

2шт.

17

5-81213-043-0

COVER ASS'Y,FRONT

SN: J130001-UP

1шт.

18

5-81229-029-0

RETAINER,BEARING

SN: J130001-UP

1шт.

19

5-09800-087-0

BEARING,BALL

SN: J130001-UP

1шт.

20

5-81229-165-0

SCREW KIT

SN: J130001-UP

1шт.

21

5-81222-077-0

PULLEY ASS'Y

SN: J130001-UP

1шт.

22

5-81229-182-0

BOLT

SN: J130001-UP

2шт.

23

5-81229-183-0

BOLT

SN: J130001-UP

1шт.

24

9-8223-5015-0

NUT

SN: J130001-UP

1шт.

Выбрано товаров: 20