Запчасти Komatsu 4D98E-1G38-BM ТОПЛИВН. ИНЖЕКТОРНЫЙ КЛАПАН ДВИГАТЕЛЬ

Схема запчастей Komatsu 4D98E-1G38-BM - ТОПЛИВН. ИНЖЕКТОРНЫЙ КЛАПАН ДВИГАТЕЛЬ
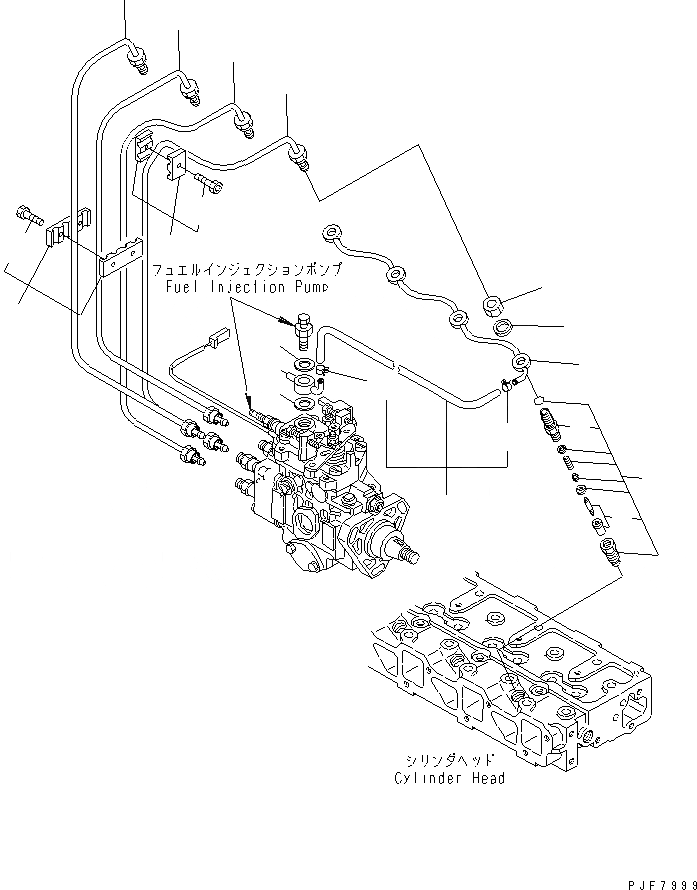
1
2
3
4
7
8
11
13
17
21
25
29
30
30
32
37
38
39
40
40
FIT
1:1
100%

Артикул

Название

Примечание

Количество

1

YM129931-53000

VALVE,FUEL

SN: 02964-UP

4шт.

2

YM119717-53010

NOZZLE

SN: 02964-UP

1шт.

3

YM129901-53020

RETAINER,NOZZLE

SN: 02964-UP

1шт.

4

YM119305-59120

RETAINER

SN: 02964-UP

2шт.

7

YM129150-59131

BOLT

SN: 02964-UP

1шт.

8

YM129550-59120

RETAINER

SN: 02964-UP

1шт.

11

YM129150-59131

BOLT

SN: 02964-UP

2шт.

13

YM129901-59810

PIPE,NO.1

SN: 02964-UP

1шт.

17

YM129901-59820

PIPE,NO.2

SN: 02964-UP

1шт.

21

YM129901-59830

PIPE,NO.3

SN: 02964-UP

1шт.

25

YM129901-59840

PIPE,NO.4

SN: 02964-UP

1шт.

29

YM105225-59500

PIPE,RETURN

SN: 02964-UP

1шт.

30

YM124066-59100

CLAMP

SN: 02964-UP

2шт.

32

YM129901-59510

PIPE,RETURN

SN: 02964-UP

1шт.

37

YM129901-59560

GASKET

SN: 02964-UP

4шт.

38

YM129901-59580

JOINT

SN: 02964-UP

1шт.

39

YM119620-59700

NUT

SN: 02964-UP

4шт.

40

YM22190-120002

WASHER,SEAL

SN: 02964-UP

2шт.

Выбрано товаров: 18