Запчасти Komatsu S4D95LE-3-CX МАСЛ. ЩУП ДВИГАТЕЛЬ

Схема запчастей Komatsu S4D95LE-3-CX - МАСЛ. ЩУП ДВИГАТЕЛЬ
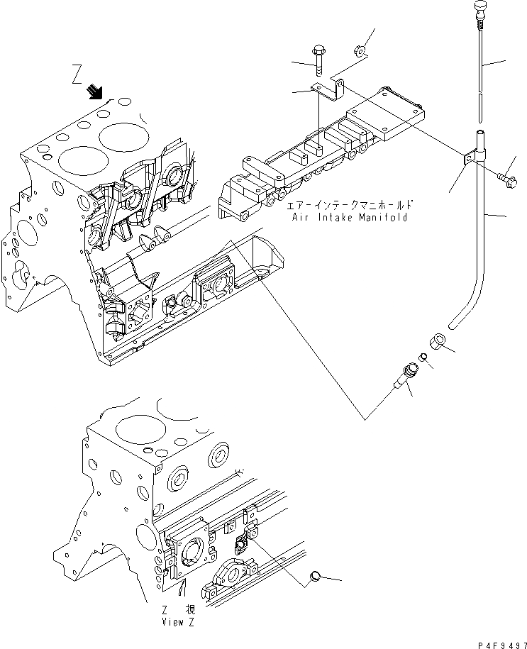
1
2
3
4
5
6
7
8
9
10
11
FIT
1:1
100%

Артикул

Название

Примечание

Количество

1

6271-21-5340

GAUGE,OIL

SN: 128788-UP

1шт.

2

6271-21-5430

GUIDE,OIL GAUGE

SN: 128788-UP

1шт.

3

6204-21-5510

GUIDE,BASE

SN: 128788-UP

1шт.

4

6150-21-5920

COLLAR

SN: 128788-UP

1шт.

5

6150-21-5930

NUT

SN: 128788-UP

1шт.

6

6138-71-5790

STAY

SN: 128788-UP

1шт.

7

01435-00612

BOLT

SN: 128788-UP

1шт.

8

04434-51208

CLIP

SN: 128788-UP

1шт.

9

01435-00816

BOLT

SN: 128788-UP

1шт.

10

01584-00806

NUT

SN: 128788-UP

1шт.

11

07046-21210

PLUG

SN: 128788-UP

1шт.

Выбрано товаров: 11