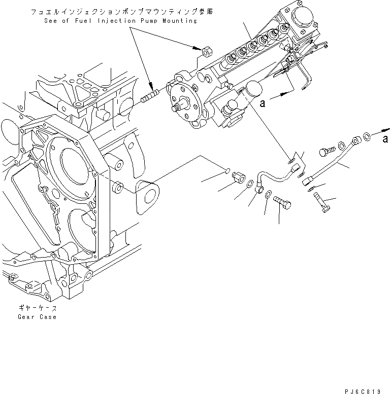
Запчасти Komatsu S6D102E-1S ТОПЛ. НАСОС И МАСЛОПРОВОДЯЩАЯ ЛИНИЯ (INЛИНИЯ НАСОС СПЕЦ-Я.)(№8-) ДВИГАТЕЛЬ

Схема запчастей Komatsu S6D102E-1S - ТОПЛ. НАСОС И МАСЛОПРОВОДЯЩАЯ ЛИНИЯ (INЛИНИЯ НАСОС СПЕЦ-Я.)(№8-) ДВИГАТЕЛЬ
1
2
3
4
4
4
4
5
6
7
8
FIT
1:1
100%

Артикул

Название

Примечание

Количество

1

6735-71-1390

INJECTION PUMP A.,(SEE FIG.A401P-02C4)

SN: 26232185-UP

1шт.

2

6732-71-5450

NIPPLE

SN: 26232185-UP

1шт.

3

07206-30710

BOLT,JOINT

SN: 26232185-UP

1шт.

4

07005-01012

GASKET

SN: 26232185-UP

5шт.

5

6735-71-5411

TUBE

SN: 26232185-UP

1шт.

6

6735-71-5420

BOLT,JOINT

SN: 26232185-UP

1шт.

7

6735-71-5430

TUBE

SN: 26232185-UP

1шт.

8

6215-81-9710

O-RING

SN: 26232185-UP

1шт.

Выбрано товаров: 8