Качественные детали и логистика
Оригинальные и аналоговые запчасти с доставкой по России, Казахстану и Беларуси
©2022 PartSell ООО "Система" ИНН 2463123282 ОГРН 1212400004838
Центральный офис: г. Красноярск, Академика Киренского, д.87, пом.4
Телефон: 8 (800) 777-65-74 Email: zakaz@partsell.ru
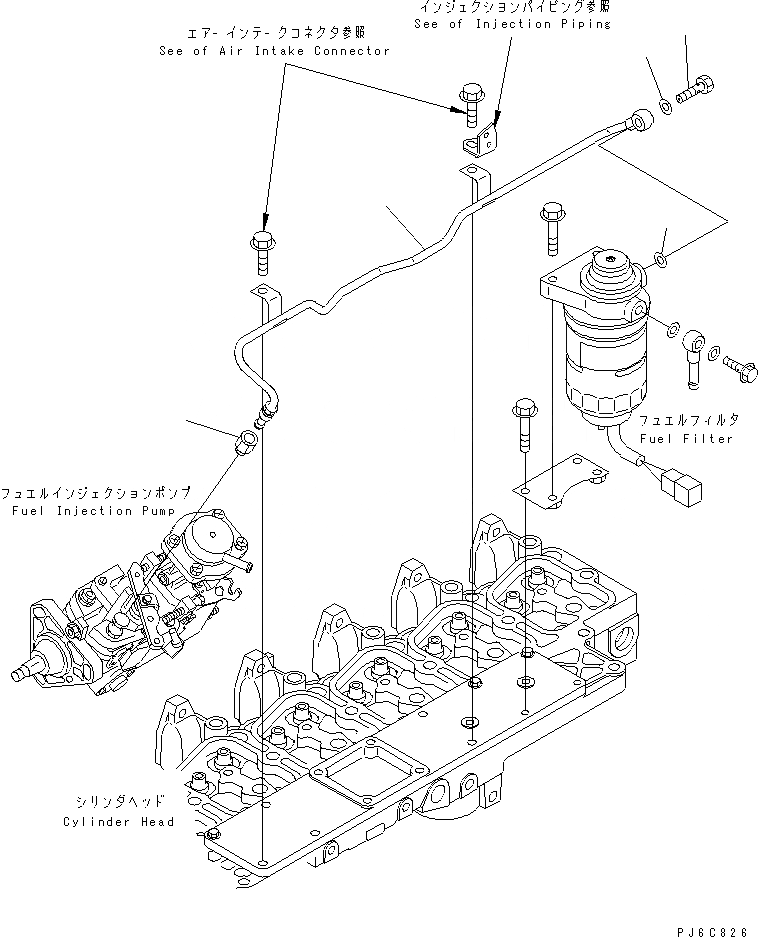
ТРУБЫ ТОПЛ. ФИЛЬТРА(№9-)
№
Артикул
Название
Примечание
Количество
1
6734-71-5560
TUBE
SN: 26239363-UP
1шт.
2
6732-71-5620
BOLT,JOINT
SN: 26291393-UP
|$3
0
SN: 26239363-26291392
3
07005-01412
GASKET
2шт.
4
6734-71-5570
ADAPTER
Выбрано товаров: 0