Запчасти Komatsu S6D102E-2MM-A КРЫШКА ТОЛКАТЕЛЕЙ КЛАПАНА ДВИГАТЕЛЬ

Схема запчастей Komatsu S6D102E-2MM-A - КРЫШКА ТОЛКАТЕЛЕЙ КЛАПАНА ДВИГАТЕЛЬ
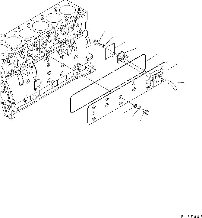
1
2
3
4
5
6
7
8
9
10
FIT
1:1
100%

Артикул

Название

Примечание

Количество

1

6732-11-8210

GASKET,SEAL (K2)

SN: 26318973-UP

6шт.

2

6738-21-6280

BOLT

SN: 26318973-UP

6шт.

|$3

6738-21-6100

COVER ASS'Y

SN: 26318973-UP

1шт.

3

0

COVER

SN: 26318973-UP

1шт.

4

6738-21-7710

BREATHER

SN: 26318973-UP

1шт.

5

6738-21-7780

COVER

SN: 26318973-UP

1шт.

6

01435-00616

BOLT

SN: 26318973-UP

4шт.

7

01640-20610

WASHER

SN: 26318973-UP

4шт.

8

6738-21-7810

TUBE

SN: 26318973-UP

1шт.

9

6738-21-6180

O-RING (K2)

SN: 26318973-UP

1шт.

10

6732-11-8150

WASHER

SN: 26318973-UP

6шт.

Выбрано товаров: 11