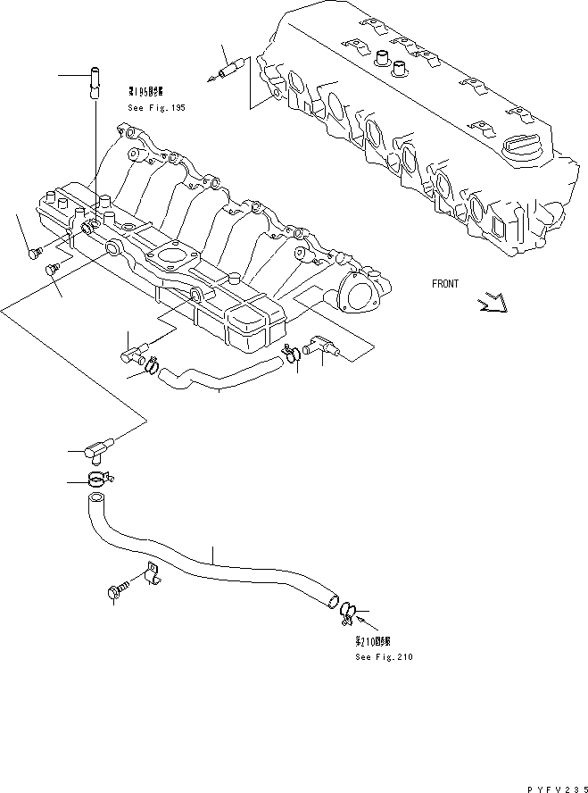
Запчасти Komatsu TB45-194-B ВОДН. ГИДРОЛИНИЯ И ТЕРМОСТАТ (ДЛЯ UL СПЕЦ-Я.) ДВИГАТЕЛЬ

Схема запчастей Komatsu TB45-194-B - ВОДН. ГИДРОЛИНИЯ И ТЕРМОСТАТ (ДЛЯ UL СПЕЦ-Я.) ДВИГАТЕЛЬ
1
1
2
3
4
4
5
5
6
7
8
8
9
10
11
FIT
1:1
100%

Артикул

Название

Примечание

Количество

1

14075-VC000

CONNECTOR,WATER HOSE

SN: 099706-UP

2шт.

2

14055-GY000

HOSE,WATER

SN: 099706-UP

1шт.

3

14075-GY000

CONNECTOR,WATER

SN: 099706-UP

1шт.

4

NJ01555-00881

CLAMP,HOSE

SN: 099706-UP

2шт.

5

14875-W1301

CONNECTOR ASS'Y,WATER

SN: 099706-UP

2шт.

6

14055-GY960

HOSE,WATER

SN: 099706-UP

1шт.

7

14057-GY000

BAND

SN: 099706-UP

1шт.

8

NJ01555-01161

CLAMP,HOSE

SN: 099706-UP

2шт.

9

NJ08120-8161E

BOLT

SN: 099706-UP

1шт.

10

NJ08931-3081A

PLUG

SN: 099706-UP

1шт.

11

NJ08931-3041A

PLUG

SN: 099706-UP

1шт.

Выбрано товаров: 11