Запчасти Komatsu CDR304-2 КРЕПЛЕНИЕ ОСНОВ. (BASIC ROTATOR) ДЛЯ ДВОЙН. МАЧТА (ВРАЩАЮЩ. ТИП КРЕПЛЕНИЕ ОСНОВ.)

Схема запчастей Komatsu CDR304-2 - КРЕПЛЕНИЕ ОСНОВ. (BASIC ROTATOR) ДЛЯ ДВОЙН. МАЧТА (ВРАЩАЮЩ. ТИП КРЕПЛЕНИЕ ОСНОВ.)
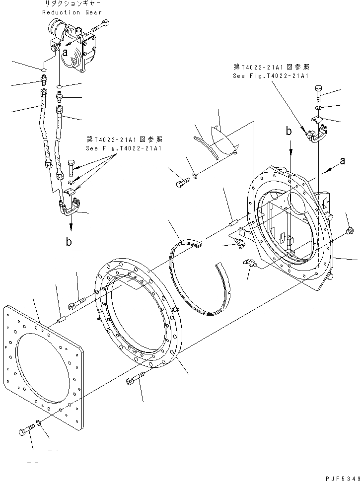
1
2
3
4
5
6
7
7
8
8
9
10
11
12
13
14
14
15
16
17
18
19
19
20
21
22
23
FIT
1:1
100%

Артикул

Название

Примечание

Количество

1

45B-2CB-8610YK

SUPPORT

SN: 1001-UP

1шт.

2

45B-5MA-2040YD

CLIP

SN: 1001-UP

1шт.

3

01010-80835

BOLT

SN: 1001-UP

2шт.

4

01602-20825

WASHER,SPRING

SN: 1001-UP

2шт.

5

45B-ARF-3310YK

PIPE

SN: 1001-UP

1шт.

6

45B-ARF-1190

CAP

SN: 1001-UP

1шт.

7

45B-100-2290

NIPPLE

SN: 1001-UP

2шт.

8

07000-12018

O-RING

SN: 1001-UP

2шт.

9

3EA-71-27980

HOSE

SN: 1001-UP

1шт.

10

07627-003A3

HOSE

SN: 1001-UP

1шт.

11

45B-BRF-1460

BEARING

SN: 1001-UP

1шт.

12

01252-41850

BOLT

SN: 1001-UP

13шт.

13

01252-41845

BOLT

SN: 1001-UP

3шт.

14

04020-01434

PIN,DOWEL

SN: 1001-UP

4шт.

15

45B-BRF-1611YK

COVER

SN: 1001-UP

1шт.

16

45B-BRF-1630

RUBBER

SN: 1001-UP

1шт.

17

01010-80820

BOLT

SN: 1001-UP

2шт.

18

01602-20825

WASHER,SPRING

SN: 1001-UP

2шт.

19

07020-00675

FITTING,GREASE

SN: 1001-UP

2шт.

20

45B-BRF-1641

RUBBER

SN: 1001-UP

1шт.

21

45B-2CB-7660

PLATE

SN: 1001-UP

1шт.

22

01050-51845

BOLT

SN: 1001-UP

16шт.

23

01602-21854

WASHER,SPRING

SN: 1001-UP

16шт.

Выбрано товаров: 23