Запчасти Komatsu CDR304-2 КРЕПЛЕНИЕ ОСНОВ. COMMON ЧАСТИ (ГИДРОЛИНИЯ) ДЛЯ FFV МАЧТА (ВРАЩАЮЩ. ТИП КРЕПЛЕНИЕ ОСНОВ.)

Схема запчастей Komatsu CDR304-2 - КРЕПЛЕНИЕ ОСНОВ. COMMON ЧАСТИ (ГИДРОЛИНИЯ) ДЛЯ FFV МАЧТА (ВРАЩАЮЩ. ТИП КРЕПЛЕНИЕ ОСНОВ.)
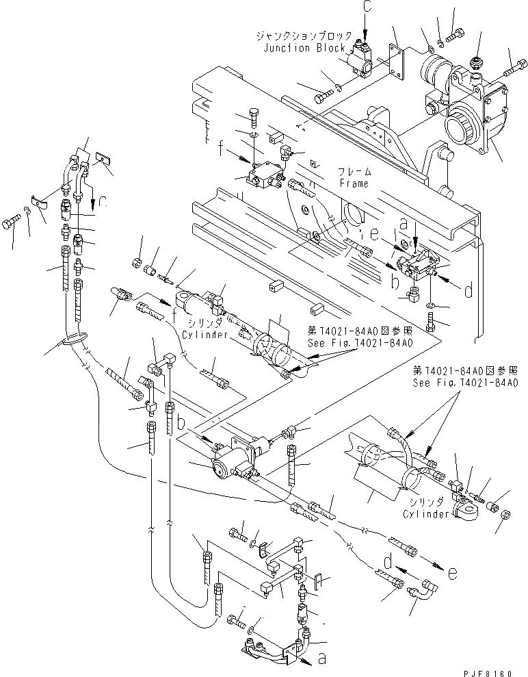
1
2
2
3
4
4
4
5
5
5
6
7
8
9
10
11
12
13
14
15
16
16
17
18
19
20
21
21
22
22
23
23
24
24
25
25
26
26
27
27
28
28
29
29
30
30
31
31
32
32
33
33
34
34
35
35
36
37
37
38
38
39
40
41
42
FIT
1:1
100%

Артикул

Название

Примечание

Количество

1

45B-1CF-7300YK

JOINT ASS'Y,ROTATOR

SN: 1001-UP

1шт.

2

45B-2CB-7400

CHECK VALVE ASS'Y

SN: 1001-UP

2шт.

3

45B-CRS-3340YK

PIPE

SN: 1001-UP

1шт.

4

300-868-2680

NIPPLE

SN: 1001-UP

4шт.

5

300-868-2690

COUPLER

SN: 1001-UP

4шт.

6

01010-80816

BOLT

SN: 1001-UP

2шт.

7

01602-20825

WASHER

SN: 1001-UP

2шт.

8

45B-2CF-9530SA

PIPE

SN: 1001-UP

1шт.

9

45B-2CF-9540SA

PIPE

SN: 1001-UP

1шт.

10

3EA-66-26220SA

ELBOW

SN: 1001-UP

1шт.

11

45B-CRS-3210YK

PIPE

SN: 1001-UP

1шт.

12

45B-CRS-3220YK

PIPE

SN: 1001-UP

1шт.

13

45B-2CF-9810YK

PIPE

SN: 1001-UP

2шт.

14

07627-00305

HOSE

SN: 1001-UP

1шт.

15

07627-00306

HOSE

SN: 1001-UP

1шт.

16

37B-ZGL-5010

HOSE

SN: 1001-UP

1шт.

17

37B-ZGL-5070

HOSE

SN: 1001-UP

1шт.

18

37B-1AE-6010

BAND

SN: 1001-UP

2шт.

19

45A-300-1140YK

CLAMP

SN: 1001-UP

1шт.

20

45A-271-1370YK

CLAMP

SN: 1001-UP

1шт.

21

37A-402-1890

PLATE

SN: 1001-UP

2шт.

22

01010-80835

BOLT

SN: 1001-UP

2шт.

23

01602-20825

WASHER,SPRING

SN: 1001-UP

2шт.

24

45B-2CB-7970SA

PIPE

SN: 1001-UP

2шт.

25

45B-2CB-7980

NEEDLE

SN: 1001-UP

2шт.

26

324-876-1431

RETAINER

SN: 1001-UP

2шт.

27

01583-11207

NUT

SN: 1001-UP

2шт.

28

07000-12008

O-RING

SN: 1001-UP

2шт.

29

45B-1CF-7230SA

PIPE

SN: 1001-UP

2шт.

30

3EA-71-27980

HOSE

SN: 1001-UP

2шт.

31

46A-9FS-4430

HOSE

SN: 1001-UP

2шт.

32

45B-275-1661SA

ELBOW

SN: 1001-UP

2шт.

33

01010-81050

BOLT

SN: 1001-UP

4шт.

34

01602-21030

WASHER,SPRING

SN: 1001-UP

4шт.

35

37B-1AE-6030

BAND

SN: 1001-UP

4шт.

36

45B-5FS-3780YK

BRACKET

SN: 1001-UP

1шт.

37

01010-81025

BOLT

SN: 1001-UP

4шт.

38

01602-21030

WASHER,SPRING

SN: 1001-UP

4шт.

39

01642-21016

WASHER

SN: 1001-UP

2шт.

40

45B-BRF-1372YK

REDUCTION GEAR ASS'Y

SN: 1001-UP

1шт.

41

3EB-15-31290

BREATHER

SN: 1001-UP

1шт.

42

01252-71435

BOLT

SN: 1001-UP

4шт.

Выбрано товаров: 42