Запчасти Komatsu CBR409-1 КРЕПЛЕНИЕ ОСНОВ. COMMON ЧАСТИ (ГИДРОЛИНИЯ) КРЕПЛЕНИЕ ОСНОВ.(ВРАЩАЮЩ. ТИП)(ДЛЯ FV МАЧТА)

Схема запчастей Komatsu CBR409-1 - КРЕПЛЕНИЕ ОСНОВ. COMMON ЧАСТИ (ГИДРОЛИНИЯ) КРЕПЛЕНИЕ ОСНОВ.(ВРАЩАЮЩ. ТИП)(ДЛЯ FV МАЧТА)
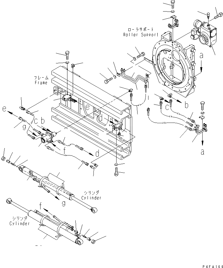
1
2
2
3
4
5
5
5
5
6
7
8
8
8
9
10
11
11
12
12
13
13
14
14
15
15
16
16
17
17
18
18
19
19
20
20
21
22
22
22
23
23
24
24
25
25
26
27
28
FIT
1:1
100%

Артикул

Название

Примечание

Количество

1

45B-1CF-7300

JOINT ASS'Y,ROTATOR

SN: 1001-UP

1шт.

2

45B-2CB-7400

CHECK VALVE ASS'Y

SN: 1001-UP

2шт.

3

45C-1CB-9210SG

PIPE,(CBR/CFR359,409)

SN: 1001-UP

1шт.

|$7

45C-2CB-9210SG

PIPE,(CBR/CFR459)

SN: 1001-UP

1шт.

4

45B-ARS-1640SG

PIPE

SN: 1001-UP

1шт.

5

3EA-66-26220SG

ELBOW

SN: 1001-UP

4шт.

6

45C-2CB-9240SG

PIPE

SN: 1001-UP

1шт.

7

45C-2CB-9250SG

PIPE

SN: 1001-UP

1шт.

8

07627-00303

HOSE

SN: 1001-UP

3шт.

9

07627-00305

HOSE

SN: 1001-UP

1шт.

10

45B-5MA-2040SG

CLIP

SN: 1001-UP

1шт.

11

45B-2CB-7970SG

PIPE

SN: 1001-UP

2шт.

12

45B-2CB-7980

NEEDLE

SN: 1001-UP

2шт.

13

324-876-1431

RETAINER

SN: 1001-UP

2шт.

14

01583-11207

NUT

SN: 1001-UP

2шт.

15

07000-12008

O-RING

SN: 1001-UP

2шт.

16

46F-011-1090UE

CLAMP

SN: 1001-UP

2шт.

17

45A-1CB-7850SG

PIPE

SN: 1001-UP

2шт.

18

07627-003A4

HOSE

SN: 1001-UP

2шт.

19

07627-002A3

HOSE

SN: 1001-UP

2шт.

20

01010-80830

BOLT

SN: 1001-UP

2шт.

21

01010-80835

BOLT

SN: 1001-UP

2шт.

22

01602-20825

WASHER,SPRING

SN: 1001-UP

4шт.

23

01010-81050

BOLT

SN: 1001-UP

4шт.

24

01602-21030

WASHER,SPRING

SN: 1001-UP

4шт.

25

37B-1AE-6030

BAND

SN: 1001-UP

4шт.

26

45B-BRF-1502UE

REDUCTION GEAR ASS'Y

SN: 1001-UP

1шт.

|$32

37B-ZHD-5032

MOTOR ASS'Y,GEAR

SN: 1001-UP

1шт.

|$33

45B-BRF-1362

VALVE,COUNTER BALANCE

SN: 1001-UP

1шт.

27

3EB-15-31290

BREATHER

SN: 1001-UP

1шт.

28

01252-71435

BOLT

SN: 1001-UP

4шт.

Выбрано товаров: 31