Запчасти Komatsu CMR253-1 КРЕПЛЕНИЕ ОСНОВ. COMMON ЧАСТИ (ГИДРОЛИНИЯ) ДЛЯ FFV МАЧТА (ВРАЩАЮЩ. ТИП КРЕПЛЕНИЕ ОСНОВ.)

Схема запчастей Komatsu CMR253-1 - КРЕПЛЕНИЕ ОСНОВ. COMMON ЧАСТИ (ГИДРОЛИНИЯ) ДЛЯ FFV МАЧТА (ВРАЩАЮЩ. ТИП КРЕПЛЕНИЕ ОСНОВ.)
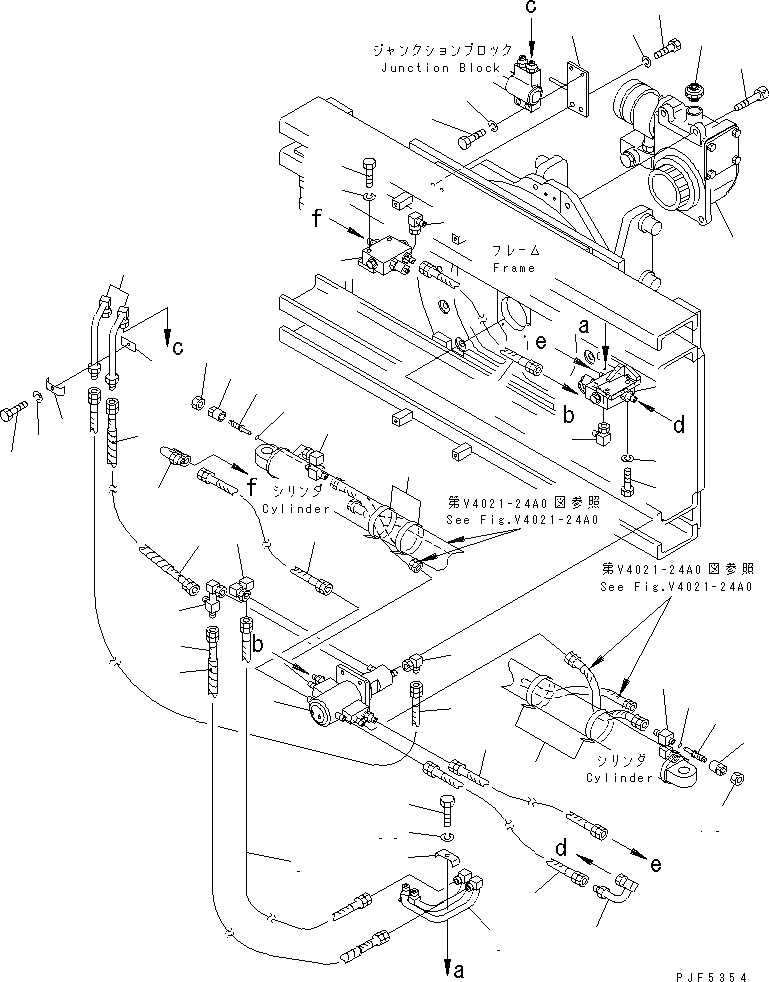
1
2
2
3
4
5
6
7
8
8
9
10
11
12
13
14
15
15
16
16
17
17
18
18
19
19
20
20
21
21
22
22
23
23
24
24
25
25
26
26
27
27
28
29
30
31
32
32
33
33
34
35
36
FIT
1:1
100%

Артикул

Название

Примечание

Количество

1

45B-1CF-7300

JOINT ASS'Y,ROTATOR

SN: 1001-UP

1шт.

2

45B-2CB-7400

CHECK VALVE ASS'Y

SN: 1001-UP

2шт.

3

46B-1CF-8420SA

PIPE

SN: 1001-UP

1шт.

4

45B-1CF-7530SA

PIPE

SN: 1001-UP

1шт.

5

45B-ARS-1640SA

PIPE

SN: 1001-UP

1шт.

6

3EA-66-26220SA

ELBOW

SN: 1001-UP

1шт.

7

46B-1CF-8430SA

PIPE

SN: 1001-UP

2шт.

8

07627-003A4

HOSE

SN: 1001-UP

2шт.

9

07627-00305

HOSE

SN: 1001-UP

1шт.

10

07627-00308

HOSE

SN: 1001-UP

1шт.

11

45A-271-1370YD

CLAMP

SN: 1001-UP

1шт.

12

37A-402-1880YD

PLATE

SN: 1001-UP

1шт.

13

01010-80830

BOLT

SN: 1001-UP

1шт.

14

01602-20825

WASHER,SPRING

SN: 1001-UP

1шт.

15

45B-2CB-7970SA

PIPE

SN: 1001-UP

2шт.

16

45B-2CB-7980

NEEDLE

SN: 1001-UP

2шт.

17

324-876-1431

RETAINER

SN: 1001-UP

2шт.

18

01583-11207

NUT

SN: 1001-UP

2шт.

19

07000-12008

O-RING

SN: 1001-UP

2шт.

20

45B-1CF-7230SA

PIPE

SN: 1001-UP

2шт.

21

3EA-71-27980

HOSE

SN: 1001-UP

2шт.

22

46A-9FS-4430

HOSE

SN: 1001-UP

2шт.

23

45B-275-1661SA

ELBOW

SN: 1001-UP

2шт.

24

01010-81050

BOLT

SN: 1001-UP

4шт.

25

01602-21030

WASHER,SPRING

SN: 1001-UP

4шт.

26

37B-1AE-6030

BAND

SN: 1001-UP

4шт.

27

34B-55-32840

TUBE

SN: 1001-UP

2шт.

28

45A-300-1140YD

CLAMP

SN: 1001-UP

1шт.

29

01010-80835

BOLT

SN: 1001-UP

1шт.

30

01602-20825

WASHER,SPRING

SN: 1001-UP

1шт.

31

45B-5FS-3780YD

BRACKET

SN: 1001-UP

1шт.

32

01010-81025

BOLT

SN: 1001-UP

4шт.

33

01602-21030

WASHER

SN: 1001-UP

4шт.

34

45B-ARF-1301YD

REDUCTION GEAR ASS'Y

SN: .-UP

1шт.

|$37

0

REDUCTION GEAR ASS'Y

SN: 1001-.

1шт.

|$39

37B-ZHD-5011

OIL MOTOR

SN: .-UP

1шт.

|$40

37B-ZHD-5010

OIL MOTOR

SN: 1001-.

1шт.

|$41

45B-ARF-1360

VALVE,COUNTER BALANCE

SN: 1001-UP

1шт.

35

3EB-15-31290

BREATHER

SN: 1001-UP

1шт.

36

01252-71435

BOLT

SN: 1001-UP

4шт.

Выбрано товаров: 40