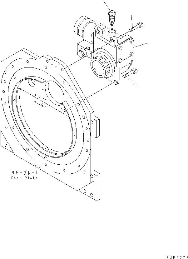
Запчасти Komatsu RSE157-1-AR ROLL КРЕПЛЕНИЕ (КРЮК ТИП) (ДЛЯ ОДИНОЧН. ПОВОРОТН.) WORM ПРИВОД ROLL КРЕПЛЕНИЕ (S/ПОВОРОТН. КРЮК ТИП) (FV МАЧТА¤MM FL/FV) (REACH)

Схема запчастей Komatsu RSE157-1-AR - ROLL КРЕПЛЕНИЕ (КРЮК ТИП) (ДЛЯ ОДИНОЧН. ПОВОРОТН.) WORM ПРИВОД ROLL КРЕПЛЕНИЕ (S/ПОВОРОТН. КРЮК ТИП) (FV МАЧТА¤MM FL/FV) (REACH)
1
2
3
3
FIT
1:1
100%

Артикул

Название

Примечание

Количество

1

45B-ARF-1402UE

REDUCTION GEAR ASS'Y

SN: .-UP

1шт.

|$5

45B-ARF-1401YD

REDUCTION GEAR ASS'Y

SN: .-.

1шт.

|$6

45B-ARF-1400YD

REDUCTION GEAR ASS'Y

SN: 1001-.

1шт.

|$7

0

REDUCTION GEAR,REDUCTION

SN: 1001-UP

1шт.

|$8

37B-ZHD-5022

OIL MOTOR

SN: .-UP

1шт.

|$9

37B-ZHD-5021

OIL MOTOR

SN: .-UP

1шт.

|$10

37B-ZHD-5020

OIL MOTOR

SN: 1001-.

1шт.

|$11

45B-ARF-1360

VALVE,COUNTER BALANCE

SN: 1001-UP

1шт.

2

3EB-15-31290

BREATHER

SN: 1001-UP

1шт.

3

01252-71435

BOLT

SN: 1001-UP

4шт.

Выбрано товаров: 10