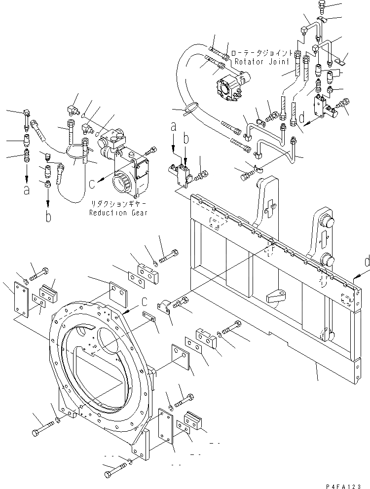
Запчасти Komatsu RSD5A1-1 ROLL КРЕПЛЕНИЕ (ТРУБЫ) (КРЮК ТИП) (ДЛЯ ДВОЙН. ПОВОРОТН.) (ДЛЯ FFV ЦИЛИНДР МАЧТА) ROLL КРЕПЛЕНИЕ(D/S КРЮК ТИП) (ДЛЯ FFV ЦИЛИНДР МАЧТА)

Схема запчастей Komatsu RSD5A1-1 - ROLL КРЕПЛЕНИЕ (ТРУБЫ) (КРЮК ТИП) (ДЛЯ ДВОЙН. ПОВОРОТН.) (ДЛЯ FFV ЦИЛИНДР МАЧТА) ROLL КРЕПЛЕНИЕ(D/S КРЮК ТИП) (ДЛЯ FFV ЦИЛИНДР МАЧТА)
1
1
2
2
3
3
3
4
5
6
6
7
8
8
9
9
10
11
12
13
14
15
15
16
17
18
18
19
19
20
21
22
22
23
24
25
26
27
28
28
29
29
30
30
31
31
32
32
33
33
33
33
34
34
35
35
36
36
37
37
38
38
39
39
FIT
1:1
100%

Артикул

Название

Примечание

Количество

1

46B-101-2140SG

PIPE

SN: 1001-UP

2шт.

2

300-868-1621

NIPPLE

SN: 1001-UP

2шт.

3

300-868-2690

COUPLER

SN: 1001-UP

4шт.

4

300-63-35130

ELBOW

SN: 1001-UP

1шт.

5

45C-ERS-1210SG

PIPE

SN: 1001-UP

1шт.

6

07627-00304

HOSE

SN: 1001-UP

2шт.

7

37B-1AE-6010

BAND

SN: 1001-UP

1шт.

8

45A-9RF-1290

ELBOW

SN: 1001-UP

2шт.

9

07000-12018

O-RING

SN: 1001-UP

2шт.

10

45C-ERS-1310SG

PIPE

SN: 1001-UP

1шт.

11

45C-ERS-1320SG

PIPE

SN: 1001-UP

1шт.

12

45A-271-1370SG

CLAMP

SN: 1001-UP

1шт.

13

45A-5RS-1440SF

PLATE

SN: 1001-UP

1шт.

14

01024-80835

BOLT

SN: 1001-UP

1шт.

15

07627-00303

HOSE

SN: 1001-UP

2шт.

16

45C-CRS-1320SG

PIPE

SN: 1001-UP

1шт.

17

45C-CRS-1330SG

PIPE

SN: 1001-UP

1шт.

18

45A-271-1370SG

CLAMP

SN: 1001-UP

2шт.

19

01024-80835

BOLT

SN: 1001-UP

2шт.

20

07627-003A5

HOSE

SN: 1001-UP

1шт.

21

07627-003A6

HOSE

SN: 1001-UP

1шт.

22

3EB-56-15230

TUBE,SPIRAL

SN: 1001-UP

2шт.

23

37B-1AE-6010

BAND

SN: 1001-UP

1шт.

24

37C-ZVJ-5200SG

BOARD

SN: 1001-UP

1шт.

25

45B-BRF-1770UE

BRACKET

SN: 1001-UP

1шт.

26

45C-ERS-1350UE

PLATE

SN: 1001-UP

1шт.

27

01024-81035

BOLT

SN: 1001-UP

2шт.

28

45C-CRF-1791UE

HOOK

SN: 1001-UP

2шт.

29

45C-ARF-1770UE

SHIM, 1.0MM

SN: 1001-UP

2шт.

30

45C-ERS-1340UE

PLATE

SN: 1001-UP

2шт.

31

01010-81635

BOLT

SN: 1001-UP

4шт.

32

01010-81670

BOLT

SN: 1001-UP

4шт.

33

01602-21648

WASHER

SN: 1001-UP

8шт.

34

45C-CRF-1751UE

HOOK

SN: 1001-UP

2шт.

35

45C-ARF-1760UE

SHIM, 2.3MM

SN: 1001-UP

2шт.

36

45C-ERS-1330UE

PLATE

SN: 1001-UP

2шт.

37

01050-52070

BOLT

SN: 1001-UP

4шт.

38

01024-81025

BOLT

SN: 1001-UP

4шт.

39

01602-22060

WASHER

SN: 1001-UP

4шт.

Выбрано товаров: 0