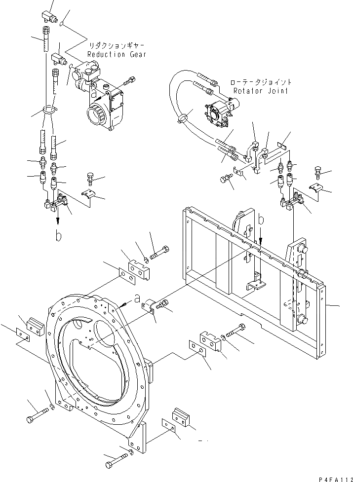
Запчасти Komatsu RSD409-1 ROLL КРЕПЛЕНИЕ (ТРУБЫ) (КРЮК ТИП) (ДЛЯ ДВОЙН. ПОВОРОТН.) (ДЛЯ FV МАЧТА) ROLL КРЕПЛЕНИЕ(D/S КРЮК ТИП) (EXCLUSIVE ЧАСТИ ДЛЯ FV МАЧТА)

Схема запчастей Komatsu RSD409-1 - ROLL КРЕПЛЕНИЕ (ТРУБЫ) (КРЮК ТИП) (ДЛЯ ДВОЙН. ПОВОРОТН.) (ДЛЯ FV МАЧТА) ROLL КРЕПЛЕНИЕ(D/S КРЮК ТИП) (EXCLUSIVE ЧАСТИ ДЛЯ FV МАЧТА)
1
1
2
2
3
3
4
4
4
4
5
5
5
5
6
6
7
8
9
9
10
10
11
12
13
14
15
16
17
18
19
20
21
21
22
22
23
23
24
24
25
25
26
26
27
27
28
28
FIT
1:1
100%

Артикул

Название

Примечание

Количество

1

45B-ARF-1820SG

PIPE

SN: 1001-UP

2шт.

2

45B-5MA-2040UE

CLIP

SN: 1001-UP

2шт.

3

01024-80835

BOLT

SN: 1001-UP

4шт.

4

300-868-2680

NIPPLE

SN: 1001-UP

4шт.

5

300-868-2690

COUPLER

SN: 1001-UP

4шт.

6

37B-1AE-6010

BAND

SN: 1001-UP

2шт.

7

07627-00306

HOSE

SN: 1001-UP

1шт.

8

3EA-66-14170

HOSE

SN: 1001-UP

1шт.

9

45A-9RF-1290

ELBOW

SN: 1001-UP

2шт.

10

07000-12018

O-RING

SN: 1001-UP

2шт.

11

45A-CRS-1110SG

PIPE

SN: 1001-UP

1шт.

12

45A-CRS-1120SG

PIPE

SN: 1001-UP

1шт.

13

07627-003A5

HOSE

SN: 1001-UP

1шт.

14

07627-003A6

HOSE

SN: 1001-UP

1шт.

15

45A-5RS-1440SF

PLATE

SN: 1001-UP

1шт.

16

45A-300-1140SG

CLAMP

SN: 1001-UP

1шт.

17

01024-80835

BOLT

SN: 1001-UP

1шт.

18

37C-ZVA-5200SG

BOARD

SN: 1001-UP

1шт.

19

45B-BRF-1770UE

BRACKET

SN: 1001-UP

1шт.

20

01024-81025

BOLT

SN: 1001-UP

2шт.

21

45B-BRF-1790UE

HOOK

SN: 1001-UP

2шт.

22

45C-ARF-1770UE

SHIM, 1.0MM

SN: 1001-UP

2шт.

23

01010-81660

BOLT

SN: 1001-UP

4шт.

24

01602-21648

WASHER

SN: 1001-UP

4шт.

25

45C-ARF-1750UE

HOOK

SN: 1001-UP

2шт.

26

45C-ARF-1760UE

SHIM, 2.3MM

SN: 1001-UP

2шт.

27

01050-52050

BOLT

SN: 1001-UP

4шт.

28

01602-22060

WASHER

SN: 1001-UP

4шт.

Выбрано товаров: 28