Запчасти Komatsu RFS409-1 ВРАЩАЮЩ. ВИЛЫ (ТРУБЫ) (КРЮК ТИП) (С БОКОВ. СДВИГ) (ДЛЯ . TON . TON) ВРАЩАЮЩ. ВИЛЫ (КРЮК ТИП С БОКОВ. СДВИГ) (ДЛЯ FV МАЧТА)

Схема запчастей Komatsu RFS409-1 - ВРАЩАЮЩ. ВИЛЫ (ТРУБЫ) (КРЮК ТИП) (С БОКОВ. СДВИГ) (ДЛЯ . TON . TON) ВРАЩАЮЩ. ВИЛЫ (КРЮК ТИП С БОКОВ. СДВИГ) (ДЛЯ FV МАЧТА)
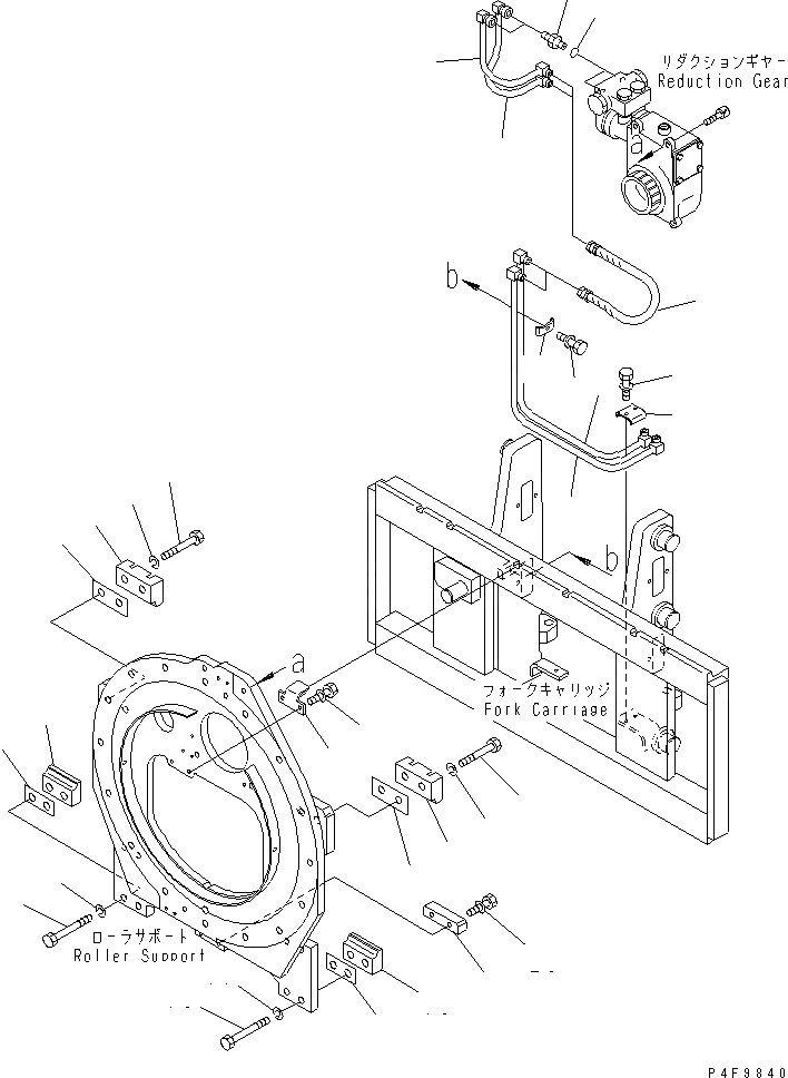
1
2
3
4
5
6
7
8
9
10
11
12
13
14
14
15
15
16
16
17
17
18
18
19
19
20
20
21
21
22
23
FIT
1:1
100%

Артикул

Название

Примечание

Количество

1

45B-100-2290

NIPPLE

SN: 1001-UP

2шт.

2

07000-12018

O-RING

SN: 1001-UP

2шт.

3

07627-00306

HOSE

SN: 1001-UP

2шт.

4

45A-271-1370

CLAMP

SN: 1001-UP

2шт.

5

01024-80835

BOLT

SN: 1001-UP

2шт.

6

45B-5MA-2040UE

CLIP

SN: 1001-UP

1шт.

7

01024-80835

BOLT

SN: 1001-UP

2шт.

8

45C-ARF-1410SG

PIPE

SN: 1001-UP

1шт.

9

45C-ARF-1420SG

PIPE

SN: 1001-UP

1шт.

10

45C-ARF-1430SG

PIPE

SN: 1001-UP

1шт.

11

45C-ARF-1440SG

PIPE

SN: 1001-UP

1шт.

12

45B-BRF-1770UE

BRACKET

SN: 1001-UP

1шт.

13

01024-81025

BOLT

SN: 1001-UP

2шт.

14

45C-ARF-1770UE

SHIM, 1.0MM

SN: 1001-UP

2шт.

15

45B-BRF-1790UE

HOOK

SN: 1001-UP

2шт.

16

01010-81660

BOLT

SN: 1001-UP

4шт.

17

01602-21648

WASHER

SN: 1001-UP

4шт.

18

45C-ARF-1760UE

SHIM, 2.3MM

SN: 1001-UP

2шт.

19

45C-ARF-1750UE

HOOK

SN: 1001-UP

2шт.

20

01050-52050

BOLT

SN: 1001-UP

4шт.

21

01602-22060

WASHER

SN: 1001-UP

4шт.

22

45C-ARF-2380UE

PLATE

SN: 1001-UP

1шт.

23

01024-81050

BOLT

SN: 1001-UP

2шт.

Выбрано товаров: 23