Запчасти Komatsu RFE157-1-AR ВРАЩАЮЩ. ВИЛЫ (КРЮК ТИП) ТРУБЫ (S/L/P-ТИП) ВРАЩАЮЩ. ВИЛЫ (КРЮК ТИП) (FV МАЧТА¤MM FL/FV МАЧТА) (REACH)

Схема запчастей Komatsu RFE157-1-AR - ВРАЩАЮЩ. ВИЛЫ (КРЮК ТИП) ТРУБЫ (S/L/P-ТИП) ВРАЩАЮЩ. ВИЛЫ (КРЮК ТИП) (FV МАЧТА¤MM FL/FV МАЧТА) (REACH)
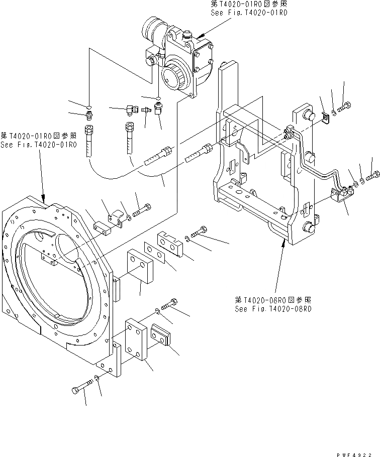
1
2
3
4
5
6
7
8
9
10
11
12
13
13
14
15
16
17
18
19
20
21
22
22
23
24
25
26
27
FIT
1:1
100%

Артикул

Название

Примечание

Количество

1

45A-JRS-1210SG

PIPE ASS'Y

SN: 1001-UP

1шт.

2

01010-80820

BOLT

SN: 1001-UP

2шт.

3

01602-20825

WASHER,SPRING

SN: 1001-UP

2шт.

4

01643-30823

WASHER

SN: 1001-UP

2шт.

5

45A-5FS-1430SF

CLAMP

SN: 1001-UP

1шт.

6

01010-80825

BOLT

SN: 1001-UP

1шт.

7

01602-20825

WASHER,SPRING

SN: 1001-UP

1шт.

8

3EB-68-25120

HOSE

SN: 1001-UP

2шт.

9

3EA-66-26220SG

ELBOW

SN: 1001-UP

1шт.

10

300-868-2680

NIPPLE

SN: 1001-UP

1шт.

11

45B-ARF-1780

ELBOW

SN: 1001-UP

1шт.

12

3EA-71-16170

NIPPLE

SN: 1001-UP

1шт.

13

07000-22014

O-RING

SN: 1001-UP

2шт.

14

45B-ARF-1770UE

BRACKET

SN: 1001-UP

1шт.

|$18

45B-ARF-1770UT

BRACKET,(COLD)

SN: 1001-UP

1шт.

15

45A-ARF-1830UE

PLATE

SN: 1001-UP

1шт.

|$20

45A-ARF-1830UT

PLATE,(COLD)

SN: 1001-UP

1шт.

16

01010-81055

BOLT

SN: 1001-UP

2шт.

17

01602-21030

WASHER,SPRING

SN: 1001-UP

2шт.

18

45B-ARF-1790UE

HOOK

SN: 1001-UP

2шт.

|$24

45B-ARF-1790UT

HOOK,(COLD)

SN: 1001-UP

2шт.

19

45A-JRS-1290UE

PLATE

SN: 1001-UP

2шт.

|$26

45A-JRS-1290UT

PLATE,(COLD)

SN: 1001-UP

2шт.

20

01010-81640

BOLT

SN: 1001-UP

4шт.

21

01010-81690

BOLT

SN: 1001-UP

4шт.

22

01602-21648

WASHER,SPRING

SN: 1001-UP

8шт.

23

46B-1PA-4380UE

HOOK

SN: 1001-.

2шт.

|$31

46B-1PA-4380UT

HOOK,(COLD)

SN: 1001-UP

2шт.

24

46B-1PA-4390UE

SPACER

SN: 1001-UP

2шт.

|$33

46B-1PA-4390UT

SPACER,(COLD)

SN: 1001-UP

2шт.

25

45A-ARF-1810UE

PLATE

SN: 1001-UP

2шт.

|$35

45A-ARF-1810UT

PLATE,(COLD)

SN: 1001-UP

2шт.

26

01050-52075

BOLT

SN: 1001-UP

4шт.

27

01602-22060

WASHER,SPRING

SN: 1001-UP

4шт.

Выбрано товаров: 34